E
EPC Data

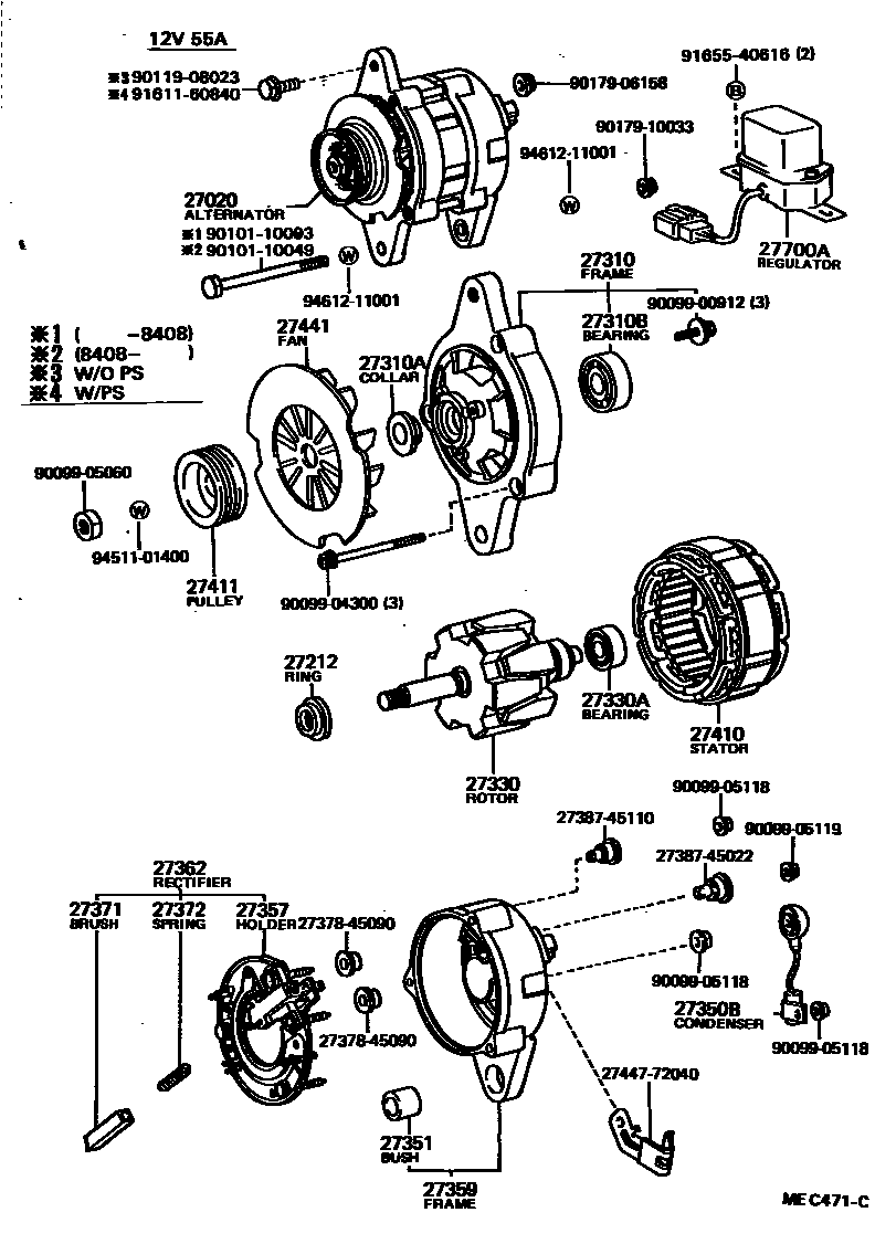
ALTERNATOR

Parts diagram
27020ALTERNATOR ASSY
main27020-64090i198305-198508
12V 45A
main27020-72010i198211-198508
12V 55A,12V 55A
main27060-64020i198508-198808
12V 55A,12V 55A
main27060-72070i198508-198608
12V 60A,12V 60A
main27060-72071i198608-198808
12V 60A,12V 60A
main27060-72100i198508-198608
12V 70A
main27060-72101i198608-198710
12V 70A,12V 70A
main27060-72170i198710-198808
12V 70A,12V 70A
27212RING, SPACE(FOR ALTERNATOR ROTOR)
main27333-57060i198305-198508
12V 45A
main27412-45070i198211-198508
12V 55A
27310FRAME ASSY, DRIVE END, ALTERNATOR
main27310-43051i198508-198808
12V 70A
main27310-45110i198211-198311
12V 55A
main27310-64050i198305-198508
12V 45A
main27310-64140i198508-198808
12V 55A
main27310-72040i198311-198401
12V 55A
main27310-72041i198401-198508
12V 55A
main27310-72110i198508-198808
12V 60A
27310ACOLLAR OR NUT(FOR ALTERNATOR DRIVE END FRAME)
main27412-16030i198401-198508
12V 55A
main27412-31040i198211-198311
12V 55A
main27412-57060i198305-198508
12V 45A
main27412-63030i198311-198401
12V 55A
27310BBEARING(FOR ALTERNATOR DRIVE END FRAME)
main90099-10125i198211-198311
12V 55A
main90099-10137i198305-198508
12V 45A
main90099-10142i198311-198508
12V 55A
main90099-10159i198508-198808
12V 60A,70A
main90099-10165i198508-198808
12V 55A
27330ROTOR ASSY, ALTERNATOR
main27330-10020i198508-198708
12V 60A
main27330-10021i198708-198808
12V 60A
main27330-54200i198305-198508
12V 45A
main27330-63010i198211-198508
12V 55A
main27330-64140i198508-198808
12V 55A
main27330-72100i198508-198709
12V 70A
main27330-72101i198709-198808
12V 70A
27330ABEARING(FOR ALTERNATOR ROTOR)
main90099-10116i198211-198508
12V 55A
main90099-10140i198508-198808
12V 55A; 12V 60A,70A
27350FRAME ASSY, RECTIFIER END
main27350-64050i198305-198508
12V 45A
27350BCONDENSER, ALTERNATOR
main90099-52065i198211-198508
12V 55A
main90099-52066i198305-198508
12V 45A
27351BUSH(FOR ALTERNATOR RECTIFIER END FRAME)
main27351-38051i198211-198508
12V 55A
main27351-64010i198305-198508
12V 45A
27357HOLDER, ALTERNATOR, W/RECTIFIER
main27357-63011i198211-198508
12V 55A
main27357-63020i198508-198808
12V 70A
main27357-63040i198508-198808
12V 55A; 12V 60A
27359FRAME, ALTERNATOR RECTIFIER END
main27359-16011i198508-198808
12V 70A
main27359-16081i198508-198808
12V 60A
main27359-64140i198508-198808
12V 55A
main27359-72010i198211-198508
12V 55A
27362RECTIFIER ASSY, W/BRUSH
main27362-63011i198211-198508
12V 55A
27371BRUSH, ALTERNATOR
main27371-31011i198211-198508
12V 55A
main27371-56070i198305-198508
12V 45A
main27371-63020i198508-198808
12V 55A; 12V 60A,70A
27372SPRING, ALTERNATOR BRUSH
main27372-31011i198211-198508
12V 55A
main27372-56070i198305-198508
12V 45A
main27372-72100i198508-198808
12V 55A,60A,70A
27410STATOR ASSY, ALTERNATOR
main27410-43040i198211-198508
12V 55A
main27410-54200i198305-198508
12V 45A
27411PULLEY, ALTERNATOR
main27411-16150i198708-198808
12V 60A
main27411-16180i198708-198808
12V 70A
main27411-63081i198508-198708
12V 70A
main27411-64040i198305-198508
12V 45A
main27411-72040i198211-198508
12V 55A
main27411-72110i198508-198708
12V 60A
27441FAN, ALTERNATOR
main27441-56090i198305-198508
12V 45A
main27441-63030i198211-198508
12V 55A
27700AREGULATOR ASSY, GENERATOR
main27700-63021i198508-198710
12V 60A,70A
main27700-70030i198710-198808
12V 70A
main27700-72010i198211-198808
main27700-72020i198307-198808
COLD SPEC,ICTYPE
2737845090INSULATOR, ALTERNATOR, NO.1
2738745022INSULATOR, TERMINAL
2738745110INSULATOR, TERMINAL
2744772040CLIP, ALTERNATOR CORD
9009900912
9009904300
9009905060
9009905118
9009905119
9010110049
9010110093
9011908023
9017906158
9017910033
9161160840
9165540616
9451101400
9461211001

37 parts on this diagram · 4 diagrams in section

ALTERNATOR — Toyota Parts Diagram with OEM Numbers & Prices | EPC Data