HEATING & AIR CONDITIONING - CONTROL & AIR DUCT

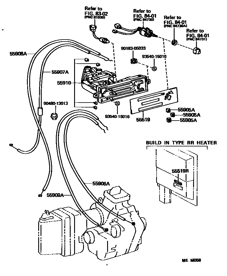
55519PLATE, HEATER CONTROL NAME
W(AIR CONDITIONER---FACTORY OPT)
55519RPLATE, HEATER CONTROL NAME
55905AKNOB, HEATER CONTROL
DEF-VENT,WARM-COOL
FRESH-RECIRC
55906ACABLE SUB-ASSY, DEFROSTER DAMPER CONTROL
55907ACABLE SUB-ASSY, WATER VALVE CONTROL
55908ACABLE SUB-ASSY, AIR INLET DAMPER CONTROL
55909ACABLE SUB-ASSY, AIRMIX DAMPER CONTROL
55910CONTROL ASSY, HEATER OR BOOST VENTILATOR
8302INDICATOR
8401SWITCH & RELAY & COMPUTER
9018305033
main90183-05033
9048013013
main90480-13013
9354015016
main93540-15016
13 parts on this diagram · 3 diagrams in section