E
EPC Data

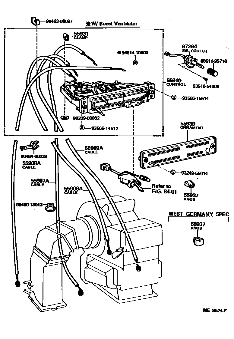
HEATING & AIR CONDITIONING - CONTROL & AIR DUCT

Parts diagram
55906ACABLE SUB-ASSY, DEFROSTER DAMPER CONTROL
main55906-95704i197910-198210
L=570
main55906-95705i197910-198508
L=680
main55906-95706i198210-198508
55907ACABLE SUB-ASSY, WATER VALVE CONTROL
main55907-95702i197910-198210
L=850
main55907-95703i197910-198508
L=790
main55907-95704i198311-198508
W/RR HEATER
main55907-95706i198101-198508
L=1230,W/REAR HEATER
main55907-95707i198210-198508
55908ACABLE SUB-ASSY, AIR INLET DAMPER CONTROL
main55908-95702i197910-198210
L=890
main55908-95703i197910-198508
L=830
main55908-95704i198210-198508
55909ACABLE SUB-ASSY, AIRMIX DAMPER CONTROL
main55909-95701i197910-198210
L=610
main55909-95702i198210-198508
55910CONTROL ASSY, HEATER OR BOOST VENTILATOR
main55910-95704i198101-198210
main55910-95705i197910-198101
main55910-95706i197910-198101
main55910-95707i197910-198101
W/BOOST VENTILATOR
main55910-95708i197910-198101
W/BOOST VENTILATOR
main55910-95709i197910-198101
main55910-95711i198101-198210
W/BOOST VENTILATOR
main55910-95712i198101-198508
W/BOOST VENTILATOR
main55910-95713i198210-198508
main55910-95714i198210-198508
W/BOOST VENTILATOR
55931CLAMP, HEATER CONTROL WIRE
main55933-14020×4i198210-198508
55937KNOB, HEATER CONTROL LEVER
main55905-12070×4i198210-198508
main55905-30090×4i198101-198210
*FRG
main55905-95702×4i197910-198210
main55905-95703i198101-198508
W/REAR HEATER
55939ORNAMENT, HEATER CONTROL
main55519-95700i198101-198210
main55519-95701i197910-198101
main55519-95702i197910-198101
main55519-95703i197910-198210
W/O HEATER
main55519-95704i197910-198508
W/O HEATER
main55519-95705i197910-198101
W/BOOST VENTILATOR
main55519-95706i197910-198101
W/BOOST VENTILATOR
main55519-95707i197910-198101
main55519-95708i198101-198210
W/BOOST VENTILATOR
main55519-95709i198101-198508
W/BOOST VENTILATOR
main55519-95710i198210-198311
main55519-95711i198210-198311
W/BOOST VENTILATOR
main55519-95714i198311-198508
main55519-95715i198311-198508
BOOST VENTILATOR
main55939-95704-05i198210-198508
BEIGE,W/REAR HEATER,BEIGE
main55939-95706-06i198101-198210
BROWN,W/REAR HEATER,BROWN
8401SWITCH & RELAY & COMPUTER
87284RESISTOR SUB-ASSY, VARIABLE
main88032-95700i198210-198508
main88610-95700i198101-198210
main88610-95701i198101-198508
8861195710KNOB, COOLER CONTROL SWITCH
9020908002
9046306097
9046400238
9048013013
9324955014
9351054006
9356614512
9356615514
9461410600

20 parts on this diagram · 7 diagrams in section

HEATING & AIR CONDITIONING - CONTROL & AIR DUCT — Toyota Parts Diagram with OEM Numbers & Prices | EPC Data