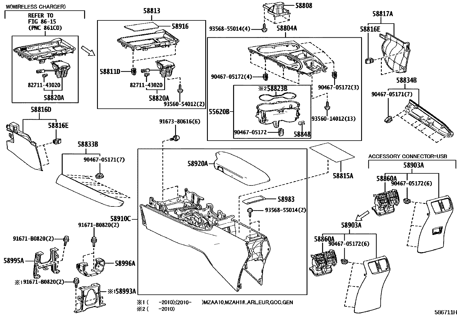
CONSOLE BOX & BRACKET

55620BHOLDER, INSTRUMENT PANEL CUP
58804APANEL SUB-ASSY, CONSOLE, UPPER
58808COVER SUB-ASSY, SHIFTING HOLE
BLACK/LT.GRAY,TRIM0#,1#,2#,8#
LUXURY PACKAGE,BLACK/LT.GRAY,TRIM0#,1#,20,8#
F SPORT,BLACK/LT.GRAY,TRIM0#,1#,20,8#
BLACK/LT.GRAY,TRIM0#,1#,20,23,24,8#
BLACK/ROYAL BROWN,TRIM4#
BLACK/IVORY,TRIM26
BLACK/LT.GRAY,TRIM0#,1#,2#,8#
BLACK/LT.GRAY,TRIM0#,1#,20,23,24,8#
BLACK/ROYAL BROWN,TRIM4#
BLACK/IVORY,TRIM26
58811DCLIP(FOR CONSOLE BOX)
F SPORT&WIRELESS CHARGER-WITH
LUXURY PACKAGE&WIRELESS CHARGER-WITH
WIRELESS CHARGER-WITH
58813BOX, CONSOLE, UPPER
WIRELESS CHARGER-WITH
LUXURY PACKAGE&WIRELESS CHARGER-WITH
F SPORT&WIRELESS CHARGER-WITH
WIRELESS CHARGER-WITH
LUXURY PACKAGE&WIRELESS CHARGER-WITH
F SPORT&WIRELESS CHARGER-WITH
58815ACARPET, CONSOLE BOX
58816DINSERT, CONSOLE BOX, FRONT NO.1
BLACK,TRIM0#,1#,2#,3#,4#,8#
BLACK,TRIM0#,1#,2#,3#,4#,8#
58816ECLIP, CONSOLE BOX INSERT, FRONT
58817AINSERT, CONSOLE BOX, FRONT NO.2
BLACK,TRIM0#,1#,2#,3#,4#,8#
BLACK,TRIM0#,1#,2#,3#,4#,8#
58820ABOX ASSY, CONSOLE COMPARTMENT
58823BBOX, CONSOLE COMPARTMENT
58833BGARNISH, CONSOLE UPPER PANEL, NO.1
BLACK,TRIM0#,1#,2#,4#,8#
BLACK,TRIM0#,1#,2#,4#,8#
58834BGARNISH, CONSOLE UPPER PANEL, NO.2
BLACK,TRIM0#,1#,2#,4#,8#
BLACK,TRIM0#,1#,2#,4#,8#
58848COVER, SHIFT LEVER HOLE
58860AREGISTER ASSY, CONSOLE BOX
58903APANEL SUB-ASSY, CONSOLE REAR END
BLACK,TRIM0#,1#,2#,3#,4#,8#
BLACK,TRIM0#,1#,2#,4#,8#
BLACK,TRIM0#,1#,2#,3#,4#,8#
58910CBOX ASSY, CONSOLE, REAR
BLACK/RICH CREAM,TRIM00
sub58910-76041
BLACK/WHITE,TRIM01
sub58910-76041
BLACK/BLACK,TRIM20,21
sub58910-76041
BLACK/BLUE,TRIM23
sub58910-76041
BLACK/RICH CREAM,TRIM0#
BLACK/RICH CREAM,TRIM00
BLACK/WHITE,TRIM01
BLACK/WHITE ASH,TRIM1#,8#
BLACK/BLACK,TRIM2#
BLACK/RED,TRIM3#
BLACK/OCHER,TRIM4#
BLACK/RICH CREAM,TRIM00
BLACK/CHATEAU,TRIM11
BLACK/WHITE,TRIM01
BLACK/WHITE ASH,TRIM1#,8#
BLACK/WHITE ASH,TRIM10,8#
BLACK/BLACK,TRIM2#
BLACK/BLACK,TRIM20,21,26
BLACK/BLACK,TRIM20,21
BLACK/RED,TRIM3#
BLACK/OCHER,TRIM4#
BLACK/MD. GRAY,TRIM24
BLACK/BLUE,TRIM02,23,25
BLACK/BLUE,TRIM23,25
BLACK/BLUE,TRIM02,23
BLACK/BLUE,TRIM23
58916MAT, BOX BOTTOM
LUXURY PACKAGE&WIRELESS CHARGER-WITH
F SPORT&WIRELESS CHARGER-WITH
WIRELESS CHARGER-WITH
WIRELESS CHARGER-WITH
LUXURY PACKAGE&WIRELESS CHARGER-WITH
F SPORT&WIRELESS CHARGER-WITH
58920AARMREST ASSY, REAR CONSOLE
BLACK/RICH CREAM,TRIM0#
BLACK/RICH CREAM,TRIM00
BLACK/CHATEAU,TRIM11
BLACK/WHITE,TRIM01
BLACK/WHITE ASH,TRIM10,8#
BLACK/WHITE ASH,TRIM1#,8#
BLACK/BLACK,TRIM20,21,26
BLACK/BLACK,TRIM2#
BLACK/BLACK,TRIM20,21
BLACK/RED,TRIM3#
BLACK/OCHER,TRIM4#
BLACK/MD. GRAY,TRIM24
BLACK/BLUE,TRIM23
BLACK/BLUE,TRIM02,23
BLACK/RICH CREAM,TRIM00
BLACK/CHATEAU,TRIM11
BLACK/WHITE,TRIM01
BLACK/WHITE ASH,TRIM1#,8#
BLACK/WHITE ASH,TRIM10,8#
BLACK/BLACK,TRIM20,21
BLACK/BLACK,TRIM20,21,26
BLACK/BLACK,TRIM2#
BLACK/RED,TRIM3#
BLACK/OCHER,TRIM4#
BLACK/MD. GRAY,TRIM24
BLACK/BLUE,TRIM02,23,25
BLACK/BLUE,TRIM23,25
BLACK/BLUE,TRIM02,23
BLACK/BLUE,TRIM23
58983RETAINER, UPPER CONSOLE
58993ABRACKET, CONSOLE BOX MOUNTING, LOWER
58995ABRACKET, CONSOLE BOX MOUNTING, NO.1
58996ABRACKET, CONSOLE BOX MOUNTING, NO.2
8615
8271143020WIRE, FUSE TO FUSE(FOR COMBUSTION HEATER)
main82711-43020
9046705171
main90467-05171
9046705172
main90467-05172
91671B0820
main91671-B0820
9167380616
main91673-80616
9356014012
main93560-14012
9356054012
main93560-54012
9356855014
main93568-55014
32 parts on this diagram · 2 diagrams in section