E
EPC Data

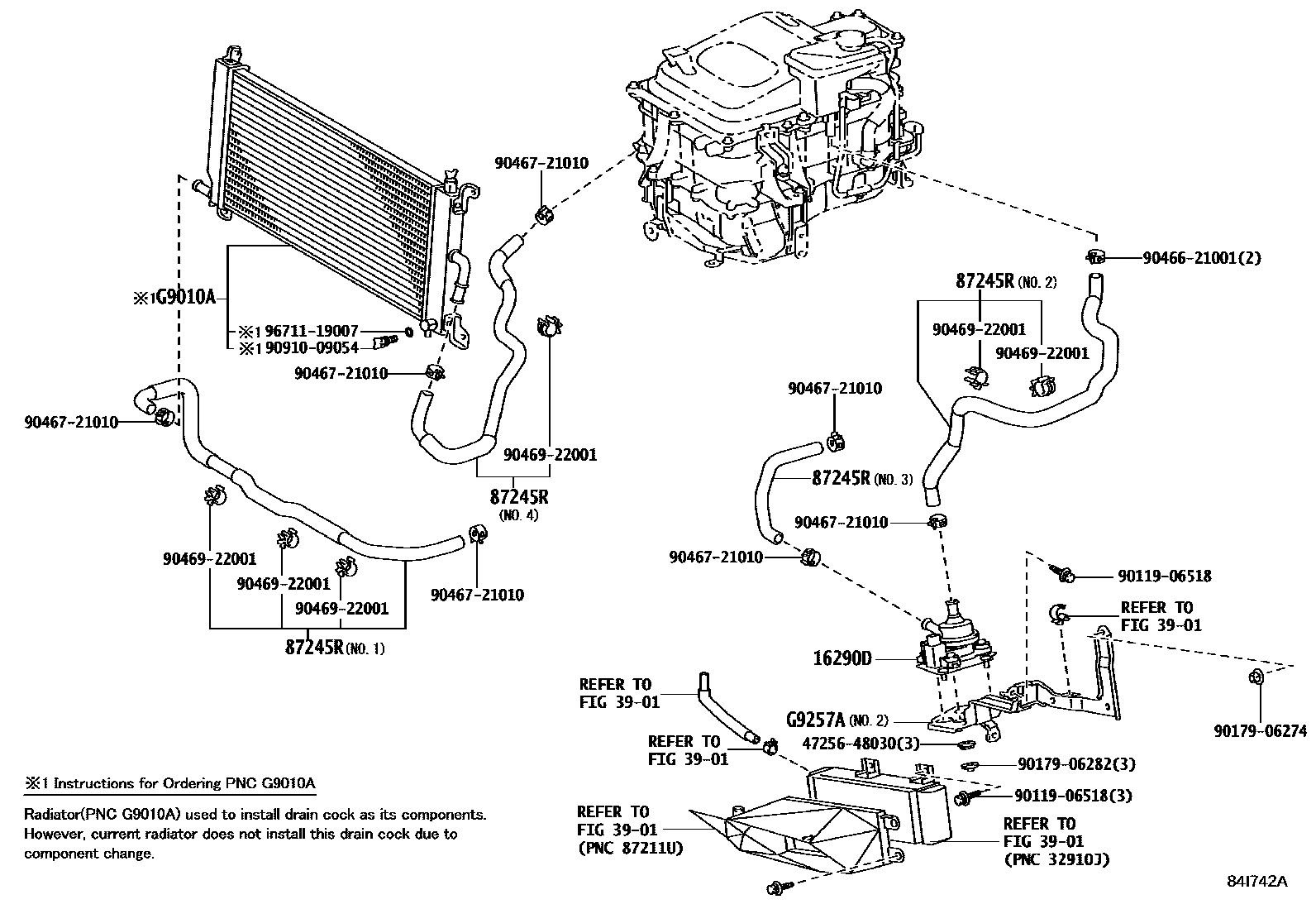
INVERTER COOLING

Parts diagram
16290DPUMP ASSY, WATER W/MOTOR
mainG904048080i200503-200812
3901
87245RHOSE, WATER
main87245-48640i200503-200812
NO.1
main87245-48670i200503-200708
NO.2
main87245-48671i200708-200812
NO.2
main87245-48680i200503-200812
NO.3
main87245-48690i200503-200812
NO.4
G9010ARADIATOR ASSY
mainG901048010i200503-200812
G9257ABRACKET, INVERTER, NO.5
mainG925748060i200503-200703
NO.2
mainG925748150i200703-200812
NO.2
4725648030GROMMET, CAP
9011906518
9017906274
9017906282
9046621001
9046721010
9046922001
9091009054
9671119007

14 parts on this diagram · 3 diagrams in section

INVERTER COOLING — Toyota Parts Diagram with OEM Numbers & Prices | EPC Data