E
EPC Data

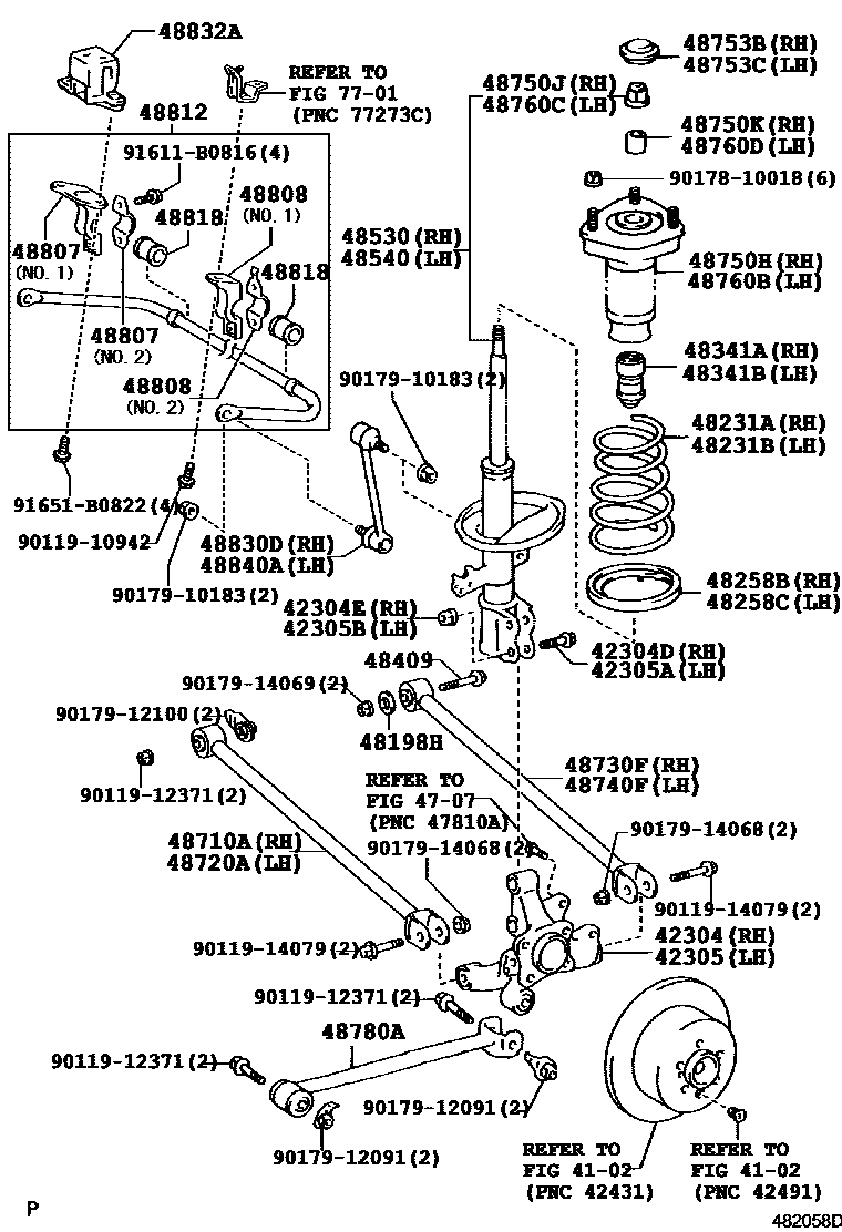
REAR SPRING & SHOCK ABSORBER

Parts diagram
4102
42304CARRIER SUB-ASSY, REAR AXLE, RH
main42304-48031i200503-200705
main42304-48050i200705-200709
main42304-48051i200710-200812
42304DBOLT (FOR REAR AXLE CARRIER RH)
main90105-17012×2i200705-200812
main90901-05001×2i200503-200705
42304ENUT (FOR REAR AXLE CARRIER RH)
main90178-15002×2i200503-200705
main90178-17002×2i200705-200812
42305CARRIER SUB-ASSY, REAR AXLE, LH
main42305-48031i200503-200705
main42305-48050i200705-200709
main42305-48051i200710-200812
42305ABOLT (FOR REAR AXLE CARRIER LH)
main90105-17012×2i200705-200812
main90901-05001×2i200503-200705
42305BNUT (FOR REAR AXLE CARRIER LH)
main90178-15002×2i200503-200705
main90178-17002×2i200705-200812
4707
48198HCAM, CAMBER ADJUST, NO.2
main48198-48010×2i200503-200812
48231ASPRING, COIL, REAR RH
main48231-48350i200503-200812
48231BSPRING, COIL, REAR LH
main48231-48350i200503-200812
48258BINSULATOR, REAR COIL SPRING, LOWER RH
main48258-32020i200503-200812
48258CINSULATOR, REAR COIL SPRING, LOWER LH
main48258-32020i200503-200812
48341ABUMPER, REAR SPRING, NO.1 RH
main48341-48050i200503-200812
48341BBUMPER, REAR SPRING, NO.1 LH
main48341-48050i200503-200812
48409CAM SUB-ASSY, REAR SUSPENSION TOE ADJUST
main48409-48020×2i200503-200812
48530ABSORBER ASSY, SHOCK, REAR RH
main48530-49595i200503-200705
MARK 48530-48260
main48530-49815i200705-200812
MARK 48530-48261
48540ABSORBER ASSY, SHOCK, REAR LH
main48540-49325i200503-200705
MARK 48540-48260
main48540-49435i200705-200812
MARK 48540-48261
48710AARM ASSY, REAR SUSPENSION, NO.1 RH
main48710-48050i200503-200812
48720AARM ASSY, REAR SUSPENSION, NO.1 LH
main48710-48050i200503-200812
48730FARM ASSY, REAR SUSPENSION, NO.2 RH
main48730-48120i200503-200812
48740FARM ASSY, REAR SUSPENSION, NO.2 LH
main48730-48110i200503-200812
48750HSUPPORT ASSY, REAR SUSPENSION, RH
main48750-48040i200503-200812
48750JNUT(FOR REAR SUPPORT TO REAR SHOCK ABSORBER RH)
main90177-14001i200503-200812
48750KCOLLAR(FOR REAR SUPPORT TO REAR SHOCK ABSORBER RH)
main90387-15027i200503-200812
48753BCOVER, REAR SUSPENSION SUPOPORT, NO.1 RH
main48753-33010i200503-200812
48753CCOVER, REAR SUSPENSION SUPOPORT, NO.1 LH
main48753-33010i200503-200812
48760BSUPPORT ASSY REAR SUSPENSION, LH
main48760-48040i200503-200812
48760CNUT(FOR REAR SUPPORT TO REAR SHOCK ABSORBER LH)
main90177-14001i200503-200812
48760DCOLLAR(FOR REAR SUPPORT TO REAR SHOCK ABSORBER LH)
main90387-15027i200503-200812
48780AROD ASSY, STRUT, REAR
main48780-48050×2i200503-200812
48807BRACKET, REAR STABILIZER BAR, RH
main48832-32080i200503-200812
NO.2
main48832-48010i200503-200812
NO.1
48808BRACKET, REAR STABILIZER BAR, LH
main48832-32050i200503-200812
NO.1
main48832-32060i200503-200812
NO.2
48812BAR, STABILIZER, REAR
main48805-48110i200503-200812
48818BUSH, STABILIZER, REAR
main48818-48020×2i200503-200812
48830DLINK ASSY, REAR STABILIZER, RH
main48830-48030i200503-200812
48832ABRACKET, REAR STABILIZER BAR, NO.1
main48832-48020i200503-200812
48840ALINK ASSY, REAR STABILIZER, LH
main48830-48030i200503-200812
7701
9011910942
9011912371
9011914079
9017810018
9017910183
9017912091
9017912100
9017914068
9017914069
91611B0816
91651B0822

50 parts on this diagram · 1 diagram in section

REAR SPRING & SHOCK ABSORBER — Toyota Parts Diagram with OEM Numbers & Prices | EPC Data