E
EPC Data

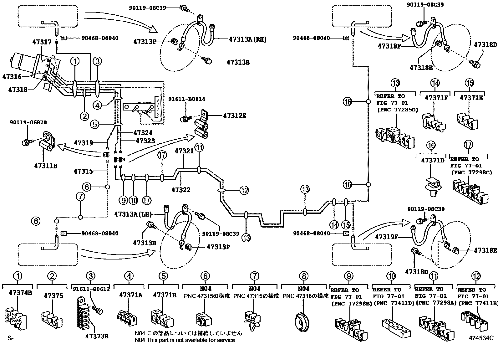
BRAKE TUBE & CLAMP

Parts diagram
47311BWAY, NO.1(FOR FRONT BRAKE TUBE)
main90412-10261i200503-200812
47312EWAY, NO.2(FOR FRONT BRAKE TUBE)
main90412-10246i200503-200812
47313AHOSE, FLEXIBLE, NO.1(FOR FRONT)
main90947-02D50i200503-200701
RH
main90947-02D51i200503-200701
LH
main90947-02F64i200701-200812
RH
main90947-02F65i200701-200812
LH
47313BBOLT, UNION(FOR FRONT FLEXIBLE HOSE)
main90401-10058×2i200503-200812
47313PGASKET(FOR FRONT FLEXIBLE HOSE)
main47389-50020×2i200503-200812
47315TUBE, FRONT BRAKE, NO.5
main47315-48110i200503-200812
main47315-48120i200503-200812
47316TUBE, FRONT BRAKE, NO.6
main47316-48220i200503-200812
main47316-48230i200503-200812
47317TUBE, FRONT BRAKE, NO.7
main47317-48220i200503-200812
main47317-48230i200503-200812
47318TUBE, FRONT BRAKE, NO.8
main47318-48150i200503-200812
47318DBOLT, UNION(FOR REAR FLEXIBLE HOSE)
main90401-10058×2i200503-200812
47318EGASKET(FOR REAR FLEXIBLE HOSE)
main47389-50020×2i200503-200812
47318FHOSE, FLEXIBLE(FOR REAR RH)
main90947-02E16i200503-200701
main90947-02F62i200701-200812
47319TUBE, FRONT BRAKE, NO.9
main47319-48200i200503-200812
main47319-48210i200503-200812
47319FHOSE, FLEXIBLE(FOR REAR LH)
main90947-02E17i200503-200701
main90947-02F63i200701-200812
47321TUBE, REAR BRAKE, NO.1
main47321-48050i200503-200812
47322TUBE, REAR BRAKE, NO.2
main47322-48060i200503-200812
47323TUBE, REAR BRAKE, NO.3
main47323-48220i200503-200812
main47323-48230i200503-200812
47324TUBE, REAR BRAKE, NO.4
main47324-48220i200503-200812
main47324-48230i200503-200812
47371ACLAMP, BRAKE TUBE, NO.1
main90464-00778i200503-200812
main90949-04033i200503-200812
47371BCLAMP, BRAKE TUBE, NO.6
main90949-01D21i200503-200812
main90949-01D36i200503-200812
47371DCLAMP, BRAKE TUBE, NO.8
main90949-01C74×2i200503-200812
47371ECLAMP, BRAKE TUBE, NO.9
main90464-00857i200503-200812
47371FCLAMP, BRAKE TUBE, NO.10
main90949-01D05i200503-200812
47373BCLAMP, BRAKE TUBE, NO.3
main47371-48040i200503-200812
main90949-01D37i200503-200812
47374BCLAMP, BRAKE TUBE, NO.4
main90464-00880i200503-200812
47375CLAMP, BRAKE TUBE, NO.5
main90464-00857i200503-200812
7701
9011906870
9011908C39
9046808040
91611B0614
91611G0612

32 parts on this diagram · 3 diagrams in section

BRAKE TUBE & CLAMP — Toyota Parts Diagram with OEM Numbers & Prices | EPC Data