E
EPC Data

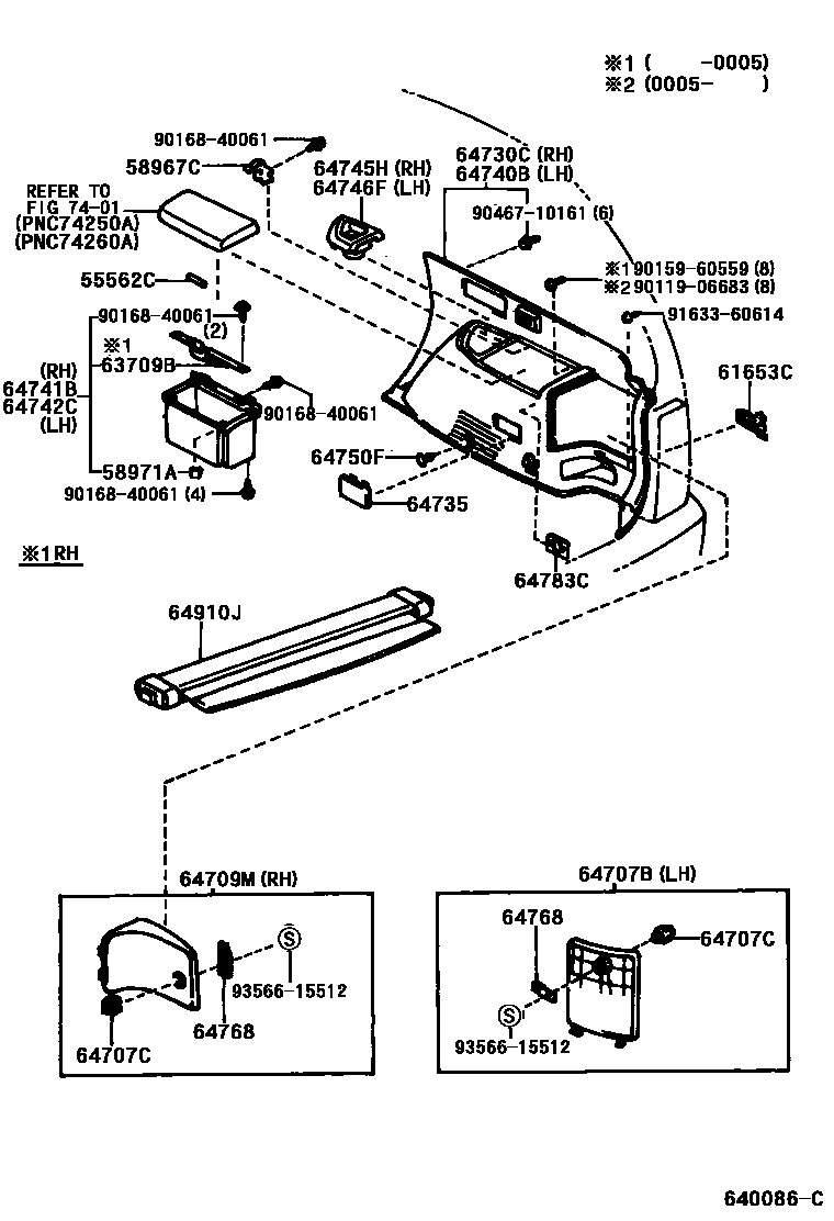
DECK BOARD & DECK TRIM COVER

Parts diagram
55562CPIN, DECK TRIM DOOR LOCK
main64973-44010i199609
58967CSPRING, DECK SIDE BOX DOOR STOPPER
main58967-44010i199609
58971ALOCK, CONSOLE COMPARTMENT DOOR
main58971-26010i199609
61653CBRACKET, DECK SIDE TRIM, RH
main61653-44010i199609
63709BBAND SUB-ASSY, ROOM RACK
main63709-42011i199609
64707BCOVER SUB-ASSY, QUARTER TRIM JACK
main64707-44010-B0i199609-200105
MD.MOON MIST,TRIM1#
64707CKNOB, JACK COVER
main64769-90K00-B1i199609-200105
MD.MOON MIST,TRIM1#
64709MCOVER SUB-ASSY, DECK TRIM POCKET
main64709-44010-B0i199609-200105
MD.MOON MIST,TRIM1#
64730CBOARD, DECK TRIM SIDE, RH
main64731-44010-B0i199609-200105
MD.MOON MIST,TRIM1#
64735COVER, DECK TRIM SIDE SERVICE HOLE
main64735-44010-B0i199609-200105
MD.MOON MIST,TRIM1#
64740BBOARD, DECK TRIM SIDE, LH
main64732-44010-B0i199609-200105
MD.MOON MIST,TRIM1#
64741BBOX, DECK SIDE TRIM, RH
main64741-44010-B0i199609-200105
MD.MOON MIST,TRIM1#
64742CBOX, DECK SIDE TRIM, LH
main64742-44010-B0i199609-200105
MD.MOON MIST,TRIM1#
64745HHOLDER, DECK SIDE TRIM CUP, RH
main64745-44010-B0i199609-200105
MD.MOON MIST,TRIM1#
64746FHOLDER, DECK SIDE TRIM CUP, LH
main64746-44010-B0i199609-200105
MD.MOON MIST,TRIM1#
64750FCLIP(FOR DECK SIDE TRIM PANEL)
main90467-06017-B3i199609-200105
MD.MOON MIST,TRIM1#
64768STOPPER, JACK COVER
main64768-60010i199609
64783CPLATE, DECK TRIM POCKET COVER
main64783-44010i199609
64910JCOVER ASSY, TONNEAU
main64910-44010-B0i199609-199804
MD.MOON MIST,TRIM1#
main64910-44010-B1i199804-200105
MD.MOON MIST,TRIM1#
7401
9011906683
9015960559
9016840061
9046710161
9163360614
9356615512

26 parts on this diagram · 1 diagram in section

DECK BOARD & DECK TRIM COVER — Toyota Parts Diagram with OEM Numbers & Prices | EPC Data