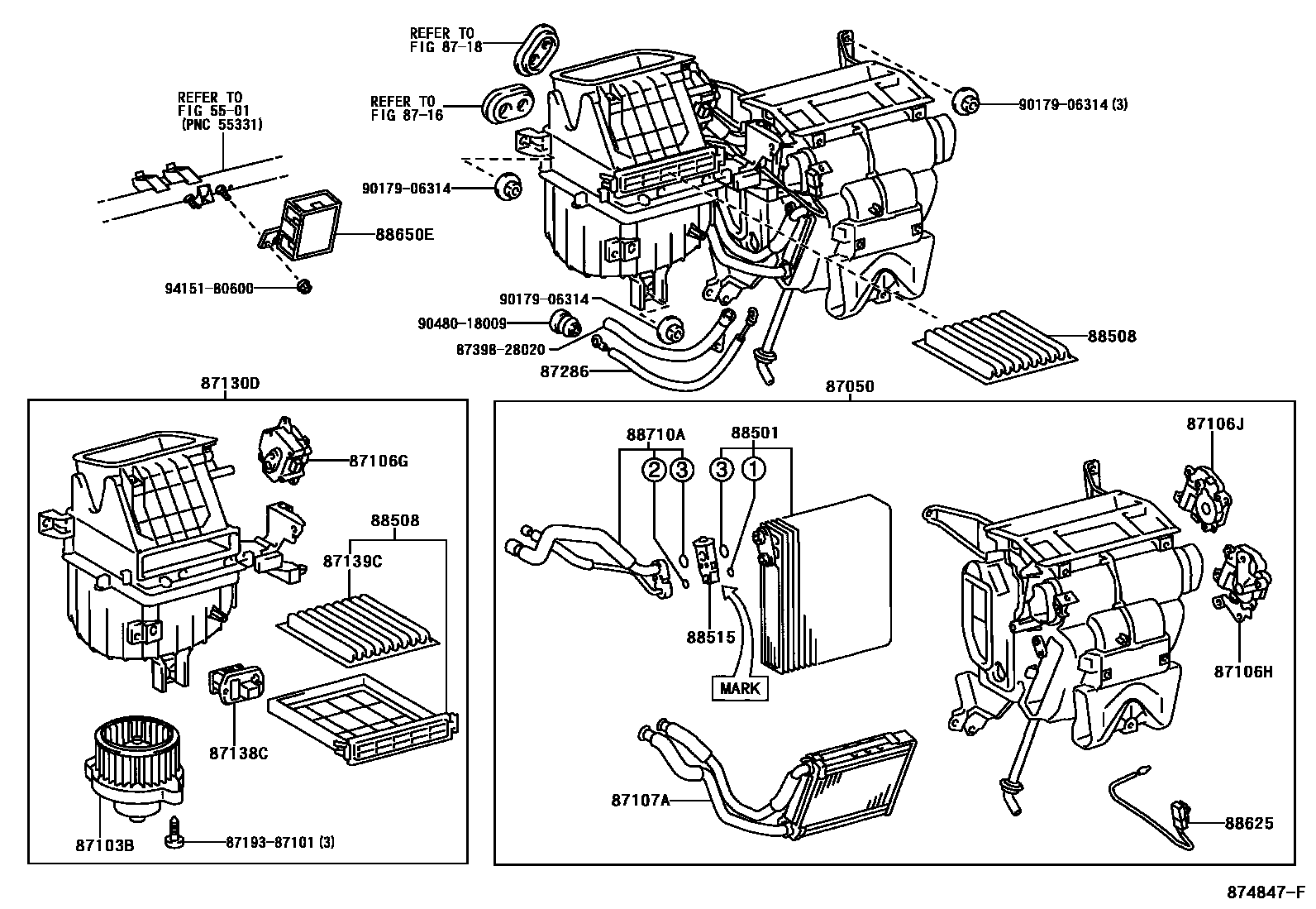
HEATING & AIR CONDITIONING - COOLER UNIT

5501INSTRUMENT PANEL & GLOVE COMPARTMENT
87050RADIATOR ASSY, AIR CONDITIONER
W(MANUAL AIR CONDITIONER)
W(MANUAL AIR CONDITIONER)
W(MANUAL AIR CONDITIONER)
W(MANUAL AIR CONDITIONER)
COLD SPEC & W(MANUAL AIR CONDITIONER)
COLD SPEC & W(MANUAL AIR CONDITIONER)
COLD SPEC & W(MANUAL AIR CONDITIONER)
COLD SPEC & W(MANUAL AIR CONDITIONER)
COLD SPEC
W/O(AIR CONDITIONER) & W(REAR HEATER)
COLD SPEC
COLD SPEC
W(AUTO AIR CONDITIONER & REAR HEATER)
W(AUTO AIR CONDITIONER)
W(AUTO AIR CONDITIONER)
W(AUTO AIR CONDITIONER & REAR HEATER)
87103BMOTOR SUB-ASSY, BLOWER W/FAN
W(REAR HEATER)
87106GSERVO SUB-ASSY, DAMPER(FOR BLOWER)
W(HEATER AIR INRET MODE)
87106HSERVO SUB-ASSY, DAMPER(FOR AIRMIX)
87106JSERVO SUB-ASSY, DAMPER(FOR MODE)
87107AUNIT SUB-ASSY, HEATER RADIATOR
W(REAR HEATER)
W(REAR HEATER)
87130DBLOWER ASSY
W(MANUAL AIR CONDITIONER)
W(MANUAL AIR CONDITIONER)
W(MANUAL AIR CONDITIONER)
W(AUTO AIR CONDITIONER & REAR HEATER); W(AUTO AIR CONDITIONER)
W/O(AIR CONDITIONER)
W/O(AIR CONDITIONER); W/O(AIR CONDITIONER) & W(REAR HEATER)
W(AUTO AIR CONDITIONER)
87138CRESISTOR, BLOWER
W(HEATER AIR INRET MODE)
87139CFILTER, CLEAN AIR
8716HEATING & AIR CONDITIONING - WATER PIPING
8718HEATING & AIR CONDITIONING - COOLER PIPING
87286CABLE, CONTROL
88501EVAPORATOR SUB-ASSY, COOLER, NO.1
88508FILTER SUB-ASSY, CLEAN AIR
DEALER OPTION
88515VALVE, COOLER EXPANSION
MAKER OPTION,MARK Z
DEALER OPTION,MARK A
88625THERMISTOR, COOLER, NO.1
MAKER OPTION
DEALER OPTION
88650EAMPLIFIER ASSY, AIR CONDITIONER, NO.1
W(HEATER AIR INRET MODE)
88710ATUBE ASSY, AIR CONDITIONER
8719387101
main87193-87101
8739828020BAND ASSY (FOR COMBUSTION HEATER)
main87398-28020
9017906314
main90179-06314
9048018009
main90480-18009
9415180600
main94151-80600
24 parts on this diagram · 15 diagrams in section