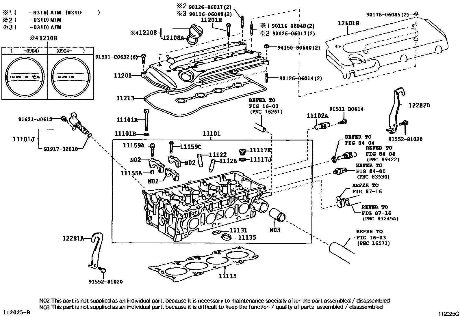
CYLINDER HEAD

11101HEAD SUB-ASSY, CYLINDER
(L)
(J)
sub11101-28012
sub11310-0H011
sub11310-0H021
sub11310-0H041
sub11310-0H051
sub11310-28071
sub11310-28082
sub11321-28042
sub11101-28012
sub11310-0H011
sub11310-0H021
sub11310-0H041
sub11310-0H051
sub11310-28071
sub11310-28082
sub11321-28042
(J)
11101JVALVE ASSY, CAMSHAFT TIMING OIL CONTROL
sub15330-28010
11102ASENSOR, CAMSHAFT POSITION
11115GASKET, CYLINDER HEAD
MARK A,MARK A
MARK A
MARK B
MARK B,MARK B
MARK C
MARK C,MARK C
MARK D,MARK D
MARK D
MARK E
MARK E,MARK E
sub11115-28013
sub11115-28040
sub11115-28022
sub11115-28023
11117EPLUG, W/HEAD STRAIGHT SCREW, NO.1
11117JGASKET(FOR CYLINDER HEAD SCREW PLUG)
11122BUSH, INTAKE VALVE GUIDE
STD
STD
O/S 0.05
O/S 0.05
11126BUSH, EXHAUST VALVE GUIDE
STD
O/S 0.05
STD
O/S 0.05
11131SEAT, INTAKE VALVE
STD,(L)
STD
STD,(J)
O/S 0.03,(L)
O/S 0.03
O/S 0.03,(J)
11135SEAT, EXHAUST VALVE
STD,(L)
STD
STD
STD,(J)
O/S 0.03,(L)
O/S 0.03
O/S 0.03,(J)
11155APIN, RING W/HEAD
(J)
11159CBOLT(FOR HEAD TO CAMSHAFT BEARING CAP)
(L)
(J)
11201COVER SUB-ASSY, CYLINDER HEAD
sub11201-27031
sub11201-28013
sub11201-28014
sub11201-28031
sub11201-28032
11201HBOLT(FOR CYLINDER HEAD COVER)
11213GASKET, CYLINDER HEAD COVER
12108CAP SUB-ASSY, OIL FILLER
12108AGASKET(FOR OIL FILLER CAP)
12281AHANGER, ENGINE, NO.1
(L)
(J)
12282DHANGER, ENGINE, NO.2
(L)
(J)
1603
8401
8404
8716
9011606048
main90116-06048
9012606014
main90126-06014
9012606017
main90126-06017
9017606045
main90176-06045
91511B0614
main91511-B0614
91511C0632
main91511-C0632
9155281020
main91552-81020
91621J0612
main91621-J0612
9415080640
main94150-80640
G191732010
mainG1917-32010
37 parts on this diagram · 2 diagrams in section