E
EPC Data

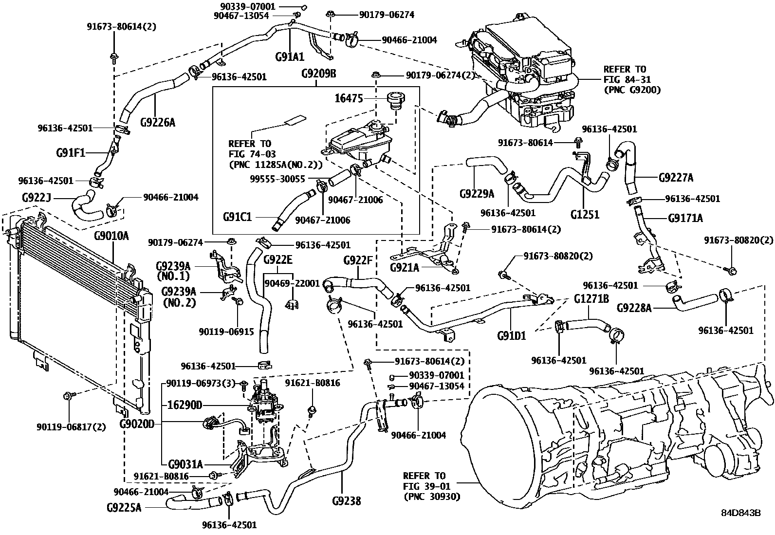
INVERTER COOLING

Parts diagram
16290DPUMP ASSY, WATER W/MOTOR
mainG904028010i201209-201708
16475CAP, RESERVE TANK
main16475-28140i201604
main16475-37010i201209-201409
main16475-37011i201410-201603
3901TRANSAXLE ASSY(HEV OR BEV OR FCEV)
7403CAUTION PLATE (EXTERIOR & INTERIOR)
8431HEV INVERTER
G1251PIPE, MOTOR COOLING, NO.1
mainG125150010i201209
G1271BHOSE, MOTOR COOLING, NO.1
mainG127150010i201209
G9010ARADIATOR ASSY
mainG901050010i201209-201501
mainG901050011i201502-201708
G9020DPUMP ASSY, WATER W/MOTOR & BRACKET
mainG902050010i201209
G9031ABRACKET SUB-ASSY, HV WATER PUMP
mainG914150010i201209
G9171APIPE, INVERTER COOLING, NO.1
mainG917150010i201209
G91A1PIPE, INVERTER COOLING, INLET
mainG91A150010i201209
G91C1PIPE, HV WATER PUMP INLET
mainG91C150010i201209
G91D1PIPE, HV WATER PUMP OUTLET, NO.1
mainG91D150010i201209
G91F1PIPE, HV RADIATOR OUTLET
mainG91F150010i201209
G9209BTANK SUB-ASSY, INVERTER RESERVE
mainG920950010i201209-201409
mainG920950011i201410-201603
mainG920950012i201604
G921ABRACKET, INVERTER RESERVE TANK, NO.1
mainG921A50010i201209
G9225AHOSE, INVERTER COOLING, NO.7
mainG922550100i201209
G9226AHOSE, INVERTER COOLING, NO.2
mainG922650010i201209
G9227AHOSE, INVERTER COOLING, NO.3
mainG922750010i201209
mainG922750020i201209
G9228AHOSE, INVERTER COOLING, NO.4
mainG922850010i201209
G9229AHOSE, INVERTER COOLING, NO.5
mainG922950010i201209
G922EHOSE, HYBRID WATER PUMP INLET
mainG922E50010i201209
G922FHOSE, HYBRID WATER PUMP OUTLET, NO.1
mainG922F50010i201209
G922JHOSE, HYBRID RADIATOR OUTLET
mainG922J50010i201209
G9238PIPE, INVERTER COOLING
mainG923850070i201209
G9239ABRACKET, INVERTER COOLING PIPE
mainG923950010i201209
NO.1
mainG923950030i201209
NO.2
9011906817
9011906915
9011906973
9017906274
9033907001
9046621004
9046713054
9046721006
9046922001
91621B0816
9167380614
9167380820
9613642501
9955530055

41 parts on this diagram · 2 diagrams in section

INVERTER COOLING — Toyota Parts Diagram with OEM Numbers & Prices | EPC Data