E
EPC Data

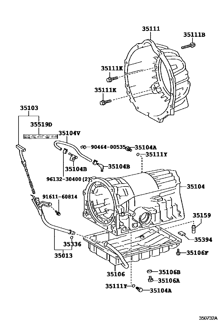
TRANSMISSION CASE & OIL PAN (ATM)

Parts diagram
35013TUBE SUB-ASSY, TRANSMISSION OIL FILLER
main35013-50050i199410-199707
main35013-50060i199707
35103GAGE SUB-ASSY, TRANSMISSION OIL LEVEL
main35103-50050i199410-199707
main35103-50060i199707-199908
main35103-50061i199908
35104CASE SUB-ASSY, AUTOMATIC TRANSMISSION
main35104-30170i199410-199707
main35104-30200i199707-200008
35104APLUG, AUTOMATIC TRANSMISSION CASE
main90341-08001×2i199410-199707
35104BPLUG, BREATHER, NO.1 (ATM)
main90930-03098i199410-199707
MISSION CASE SIDE
main90930-03099i199410-199707
BODY SIDE
main90930-03155i199707-200008
35104VHOSE (FOR BREATHER PLUG)
main90445-10020i199410-199707
35106PAN SUB-ASSY, AUTOMATIC TRANSMISSION OIL
main35106-30200i199707-199806
main35106-30201i199806-200008
main35106-50020i199410-199707
35106APLUG SUB-ASSY, DRAIN (ATM)
main90341-10012i199410-199707
main90341-10018i199707-200008
35106BGASKET, DRAIN PLUG (ATM)
main35178-50010i199410-200008
35106FBOLT (FOR AUTOMATIC TRANSMISSION OIL PAN)
main90119-06513×19i199410-199707
main90119-06866i199707-200008
NO.2
35111HOUSING, AUTOMATIC TRANSMISSION
main35111-50010i199410-200008
35111BBOLT (FOR TRANSMISSION HOUSING & ENGINE SETTING)
main91611-61045×4i199410-199707
*10-1.25PX95-50
main91612-61045×4i199707
*10-1.25PX45-30
main91619-61250×6i199410
*12-1.25PX50-30
35111KBOLT (FOR TRANSMISSION HOUSING & CASE SETTING)
main90119-10232×4i199410-200008
*10-1.5PX35-30
main90119-12036i199410-200008
*12-1.25PX80-30
main90119-12255i199410-200008
*12-1.75PX45-30
35111YRING, O (FOR AUTOMATIC TRANSMISSION CASE)
main90301-06196×3i199707-200008
35159GASKET, BRAKE DRUM
main35159-30010i199410-199707
main35159-30020i199707-200008
35336RING, O (FOR TRANSMISSION OIL FILLER TUBE)
main90301-09011i199410
35394MAGNET, OIL CLEANER (FOR TRANSMISSION)
main35394-30011×3i199410-200008
35519DLABEL, AUTOMATIC TRANSMISSION INFORMATION
main35519-20030i199908
main35519-24020i199410-199707
main35519-30010i199707-199908
9046400535
9161160814
9613230400

21 parts on this diagram · 2 diagrams in section

TRANSMISSION CASE & OIL PAN (ATM) — Toyota Parts Diagram with OEM Numbers & Prices | EPC Data