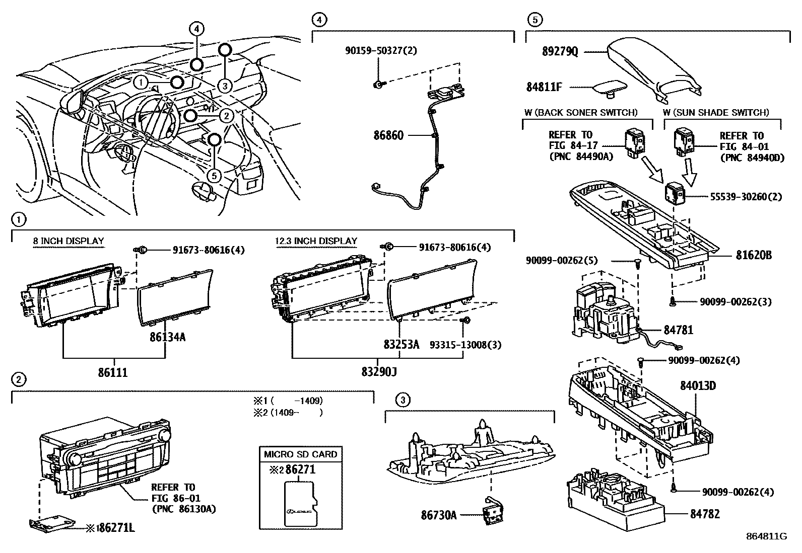
NAVIGATION & FRONT MONITOR DISPLAY

81620BCOVER ASSY LH
83253AGLASS, ACCESSORY METER
main83253-30010iARL10,AWL10,GRL16,GWL10..LHD..STD; ARL10,AWL10,GWL10..LHD; AWL10,GWL10..LHD; AWL10,GWL10..RHD201510-201809
ADRIA(SLOVENIA) SPEC&EMV & NAVIGATION SYSTEM-12.3INCH DISPLAY; AUSTRIA SPEC&EMV & NAVIGATION SYSTEM-12.3INCH DISPLAY; BALTIC SPEC&EMV & NAVIGATION SYSTEM-12.3INCH DISPLAY; BELGIUM,NETHERLAND SPEC&EMV & NAVIGATION SYSTEM-12.3INCH DISPLAY; CANARY ISLANDS SPEC&EMV & NAVIGATION SYSTEM-12.3INCH DISPLAY; CYPRUS SPEC&EMV & NAVIGATION SYSTEM-12.3INCH DISPLAY; CZECH,HUNGARY,SLOVAKIA,POLAND SPEC&EMV & NAVIGATION SYSTEM-12.3INCH DISPLAY; FRANCE SPEC&EMV & NAVIGATION SYSTEM-12.3INCH DISPLAY; GEORGIA SPEC&EMV & NAVIGATION SYSTEM-12.3INCH DISPLAY; GERMANY SPEC&EMV & NAVIGATION SYSTEM-12.3INCH DISPLAY; GREECE SPEC&EMV & NAVIGATION SYSTEM-12.3INCH DISPLAY; ICELAND SPEC&EMV & NAVIGATION SYSTEM-12.3INCH DISPLAY; IRELAND SPEC&EMV & NAVIGATION SYSTEM-12.3INCH DISPLAY; ISRAEL,TURKEY SPEC&EMV & NAVIGATION SYSTEM-12.3INCH DISPLAY; ITALY SPEC&EMV & NAVIGATION SYSTEM-12.3INCH DISPLAY; KAZAKHSTAN SPEC&EMV & NAVIGATION SYSTEM-12.3INCH DISPLAY; NORDIC SPEC&EMV & NAVIGATION SYSTEM-12.3INCH DISPLAY; PORTUGAL SPEC&EMV & NAVIGATION SYSTEM-12.3INCH DISPLAY; ROMANIA,BULGARIA SPEC&EMV & NAVIGATION SYSTEM-12.3INCH DISPLAY; RUSSIA SPEC&EMV & NAVIGATION SYSTEM-12.3INCH DISPLAY; SPAIN SPEC&EMV & NAVIGATION SYSTEM-12.3INCH DISPLAY; SWITZERLAND SPEC&EMV & NAVIGATION SYSTEM-12.3INCH DISPLAY; UKRAINE SPEC&EMV & NAVIGATION SYSTEM-12.3INCH DISPLAY; UNITED KINGDOM SPEC&EMV & NAVIGATION SYSTEM-12.3INCH DISPLAY
83290JMETER ASSY, ACCESSORY
ADRIA(SLOVENIA) SPEC&EMV & NAVIGATION SYSTEM-12.3INCH DISPLAY; ANDORRA SPEC&EMV & NAVIGATION SYSTEM-12.3INCH DISPLAY; AUSTRIA SPEC&EMV & NAVIGATION SYSTEM-12.3INCH DISPLAY; BALTIC SPEC&EMV & NAVIGATION SYSTEM-12.3INCH DISPLAY; BENELUX SPEC&EMV & NAVIGATION SYSTEM-12.3INCH DISPLAY; CANARY ISLANDS SPEC&EMV & NAVIGATION SYSTEM-12.3INCH DISPLAY; CROATIA SPEC&EMV & NAVIGATION SYSTEM-12.3INCH DISPLAY; CZECH,HUNGARY,SLOVAKIA,POLAND SPEC&EMV & NAVIGATION SYSTEM-12.3INCH DISPLAY; FRANCE SPEC&EMV & NAVIGATION SYSTEM-12.3INCH DISPLAY; GERMANY SPEC&EMV & NAVIGATION SYSTEM-12.3INCH DISPLAY; GREECE SPEC&EMV & NAVIGATION SYSTEM-12.3INCH DISPLAY; ICELAND SPEC&EMV & NAVIGATION SYSTEM-12.3INCH DISPLAY; IRELAND SPEC&EMV & NAVIGATION SYSTEM-12.3INCH DISPLAY; ITALY SPEC&EMV & NAVIGATION SYSTEM-12.3INCH DISPLAY; MONACO SPEC&EMV & NAVIGATION SYSTEM-12.3INCH DISPLAY; NORDIC SPEC&EMV & NAVIGATION SYSTEM-12.3INCH DISPLAY; PORTUGAL SPEC&EMV & NAVIGATION SYSTEM-12.3INCH DISPLAY; ROMANIA,BULGARIA SPEC&EMV & NAVIGATION SYSTEM-12.3INCH DISPLAY; SPAIN SPEC&EMV & NAVIGATION SYSTEM-12.3INCH DISPLAY; SWITZERLAND SPEC&EMV & NAVIGATION SYSTEM-12.3INCH DISPLAY; UNITED KINGDOM SPEC&EMV & NAVIGATION SYSTEM-12.3INCH DISPLAY
main83290-30021iGRL1#,GWL10..LHD..STD; GRL11,GWL10..LHD; GRL11,GWL10..LHD..STD; GRL11,GWL10..RHD201208-201309
ADRIA(SLOVENIA) SPEC&EMV & NAVIGATION SYSTEM-12.3INCH DISPLAY; ANDORRA SPEC&EMV & NAVIGATION SYSTEM-12.3INCH DISPLAY; AUSTRIA SPEC&EMV & NAVIGATION SYSTEM-12.3INCH DISPLAY; BALTIC SPEC&EMV & NAVIGATION SYSTEM-12.3INCH DISPLAY; BENELUX SPEC&EMV & NAVIGATION SYSTEM-12.3INCH DISPLAY; CANARY ISLANDS SPEC&EMV & NAVIGATION SYSTEM-12.3INCH DISPLAY; CROATIA SPEC&EMV & NAVIGATION SYSTEM-12.3INCH DISPLAY; CYPRUS SPEC&EMV & NAVIGATION SYSTEM-12.3INCH DISPLAY; CZECH,HUNGARY,SLOVAKIA,POLAND SPEC&EMV & NAVIGATION SYSTEM-12.3INCH DISPLAY; FRANCE SPEC&EMV & NAVIGATION SYSTEM-12.3INCH DISPLAY; GEORGIA SPEC&EMV & NAVIGATION SYSTEM-12.3INCH DISPLAY; GERMANY SPEC&EMV & NAVIGATION SYSTEM-12.3INCH DISPLAY; GREECE SPEC&EMV & NAVIGATION SYSTEM-12.3INCH DISPLAY; ICELAND SPEC&EMV & NAVIGATION SYSTEM-12.3INCH DISPLAY; IRELAND SPEC&EMV & NAVIGATION SYSTEM-12.3INCH DISPLAY; ISRAEL SPEC&EMV & NAVIGATION SYSTEM-12.3INCH DISPLAY; ITALY SPEC&EMV & NAVIGATION SYSTEM-12.3INCH DISPLAY; KAZAKHSTAN SPEC&EMV & NAVIGATION SYSTEM-12.3INCH DISPLAY; MONACO SPEC&EMV & NAVIGATION SYSTEM-12.3INCH DISPLAY; NORDIC SPEC&EMV & NAVIGATION SYSTEM-12.3INCH DISPLAY; PORTUGAL SPEC&EMV & NAVIGATION SYSTEM-12.3INCH DISPLAY; ROMANIA,BULGARIA SPEC&EMV & NAVIGATION SYSTEM-12.3INCH DISPLAY; RUSSIA SPEC&EMV & NAVIGATION SYSTEM-12.3INCH DISPLAY; SPAIN SPEC&EMV & NAVIGATION SYSTEM-12.3INCH DISPLAY; SWITZERLAND SPEC&EMV & NAVIGATION SYSTEM-12.3INCH DISPLAY; UKRAINE SPEC&EMV & NAVIGATION SYSTEM-12.3INCH DISPLAY; UNITED KINGDOM SPEC&EMV & NAVIGATION SYSTEM-12.3INCH DISPLAY
main83290-30110iAWL10,GRL1#,GWL10..LHD..STD; AWL10,GRL11,GWL10..LHD; AWL10,GRL11,GWL10..LHD..STD; AWL10,GRL11,GWL10..RHD201309-201409
ADRIA(SLOVENIA) SPEC&EMV & NAVIGATION SYSTEM-12.3INCH DISPLAY; ANDORRA SPEC&EMV & NAVIGATION SYSTEM-12.3INCH DISPLAY; AUSTRIA SPEC&EMV & NAVIGATION SYSTEM-12.3INCH DISPLAY; BALTIC SPEC&EMV & NAVIGATION SYSTEM-12.3INCH DISPLAY; BENELUX SPEC&EMV & NAVIGATION SYSTEM-12.3INCH DISPLAY; CANARY ISLANDS SPEC&EMV & NAVIGATION SYSTEM-12.3INCH DISPLAY; CROATIA SPEC&EMV & NAVIGATION SYSTEM-12.3INCH DISPLAY; CYPRUS SPEC&EMV & NAVIGATION SYSTEM-12.3INCH DISPLAY; CZECH,HUNGARY,SLOVAKIA,POLAND SPEC&EMV & NAVIGATION SYSTEM-12.3INCH DISPLAY; FRANCE SPEC&EMV & NAVIGATION SYSTEM-12.3INCH DISPLAY; GEORGIA SPEC&EMV & NAVIGATION SYSTEM-12.3INCH DISPLAY; GERMANY SPEC&EMV & NAVIGATION SYSTEM-12.3INCH DISPLAY; GREECE SPEC&EMV & NAVIGATION SYSTEM-12.3INCH DISPLAY; ICELAND SPEC&EMV & NAVIGATION SYSTEM-12.3INCH DISPLAY; IRELAND SPEC&EMV & NAVIGATION SYSTEM-12.3INCH DISPLAY; ISRAEL SPEC&EMV & NAVIGATION SYSTEM-12.3INCH DISPLAY; ITALY SPEC&EMV & NAVIGATION SYSTEM-12.3INCH DISPLAY; KAZAKHSTAN SPEC&EMV & NAVIGATION SYSTEM-12.3INCH DISPLAY; MONACO SPEC&EMV & NAVIGATION SYSTEM-12.3INCH DISPLAY; NORDIC SPEC&EMV & NAVIGATION SYSTEM-12.3INCH DISPLAY; PORTUGAL SPEC&EMV & NAVIGATION SYSTEM-12.3INCH DISPLAY; ROMANIA,BULGARIA SPEC&EMV & NAVIGATION SYSTEM-12.3INCH DISPLAY; RUSSIA SPEC&EMV & NAVIGATION SYSTEM-12.3INCH DISPLAY; SPAIN SPEC&EMV & NAVIGATION SYSTEM-12.3INCH DISPLAY; SWITZERLAND SPEC&EMV & NAVIGATION SYSTEM-12.3INCH DISPLAY; UKRAINE SPEC&EMV & NAVIGATION SYSTEM-12.3INCH DISPLAY; UNITED KINGDOM SPEC&EMV & NAVIGATION SYSTEM-12.3INCH DISPLAY
main83290-30190iAWL10,GRL1#,GWL10..LHD..STD; AWL10,GRL11,GWL10..LHD; AWL10,GRL11,GWL10..LHD..STD; AWL10,GRL11,GWL10..RHD201409-201510
ADRIA(SLOVENIA) SPEC&EMV & NAVIGATION SYSTEM-12.3INCH DISPLAY; ANDORRA SPEC&EMV & NAVIGATION SYSTEM-12.3INCH DISPLAY; AUSTRIA SPEC&EMV & NAVIGATION SYSTEM-12.3INCH DISPLAY; BALTIC SPEC&EMV & NAVIGATION SYSTEM-12.3INCH DISPLAY; BENELUX SPEC&EMV & NAVIGATION SYSTEM-12.3INCH DISPLAY; BOSNIA HERCEGOVINA SPEC&EMV & NAVIGATION SYSTEM-12.3INCH DISPLAY; CANARY ISLANDS SPEC&EMV & NAVIGATION SYSTEM-12.3INCH DISPLAY; CYPRUS SPEC&EMV & NAVIGATION SYSTEM-12.3INCH DISPLAY; CZECH,HUNGARY,SLOVAKIA,POLAND SPEC&EMV & NAVIGATION SYSTEM-12.3INCH DISPLAY; FRANCE SPEC&EMV & NAVIGATION SYSTEM-12.3INCH DISPLAY; GEORGIA SPEC&EMV & NAVIGATION SYSTEM-12.3INCH DISPLAY; GERMANY SPEC&EMV & NAVIGATION SYSTEM-12.3INCH DISPLAY; GREECE SPEC&EMV & NAVIGATION SYSTEM-12.3INCH DISPLAY; ICELAND SPEC&EMV & NAVIGATION SYSTEM-12.3INCH DISPLAY; IRELAND SPEC&EMV & NAVIGATION SYSTEM-12.3INCH DISPLAY; ISRAEL SPEC&EMV & NAVIGATION SYSTEM-12.3INCH DISPLAY; ITALY SPEC&EMV & NAVIGATION SYSTEM-12.3INCH DISPLAY; KAZAKHSTAN SPEC&EMV & NAVIGATION SYSTEM-12.3INCH DISPLAY; MACEDONIA SPEC&EMV & NAVIGATION SYSTEM-12.3INCH DISPLAY; MALTA SPEC&EMV & NAVIGATION SYSTEM-12.3INCH DISPLAY; MONACO SPEC&EMV & NAVIGATION SYSTEM-12.3INCH DISPLAY; MONTENEGRO SPEC&EMV & NAVIGATION SYSTEM-12.3INCH DISPLAY; NORDIC SPEC&EMV & NAVIGATION SYSTEM-12.3INCH DISPLAY; PORTUGAL SPEC&EMV & NAVIGATION SYSTEM-12.3INCH DISPLAY; ROMANIA,BULGARIA SPEC&EMV & NAVIGATION SYSTEM-12.3INCH DISPLAY; RUSSIA SPEC&EMV & NAVIGATION SYSTEM-12.3INCH DISPLAY; SPAIN SPEC&EMV & NAVIGATION SYSTEM-12.3INCH DISPLAY; SWITZERLAND SPEC&EMV & NAVIGATION SYSTEM-12.3INCH DISPLAY; UKRAINE SPEC&EMV & NAVIGATION SYSTEM-12.3INCH DISPLAY; UNITED KINGDOM SPEC&EMV & NAVIGATION SYSTEM-12.3INCH DISPLAY
main83290-30250iARL10,AWL10,GRL16,GWL10..LHD..STD; ARL10,AWL10,GWL10..LHD; AWL10,GWL10..LHD; AWL10,GWL10..RHD201510-201706
ADRIA(SLOVENIA) SPEC&EMV & NAVIGATION SYSTEM-12.3INCH DISPLAY; AUSTRIA SPEC&EMV & NAVIGATION SYSTEM-12.3INCH DISPLAY; BALTIC SPEC&EMV & NAVIGATION SYSTEM-12.3INCH DISPLAY; BELGIUM,NETHERLAND SPEC&EMV & NAVIGATION SYSTEM-12.3INCH DISPLAY; CANARY ISLANDS SPEC&EMV & NAVIGATION SYSTEM-12.3INCH DISPLAY; CYPRUS SPEC&EMV & NAVIGATION SYSTEM-12.3INCH DISPLAY; CZECH,HUNGARY,SLOVAKIA,POLAND SPEC&EMV & NAVIGATION SYSTEM-12.3INCH DISPLAY; FRANCE SPEC&EMV & NAVIGATION SYSTEM-12.3INCH DISPLAY; GEORGIA SPEC&EMV & NAVIGATION SYSTEM-12.3INCH DISPLAY; GERMANY SPEC&EMV & NAVIGATION SYSTEM-12.3INCH DISPLAY; GREECE SPEC&EMV & NAVIGATION SYSTEM-12.3INCH DISPLAY; ICELAND SPEC&EMV & NAVIGATION SYSTEM-12.3INCH DISPLAY; IRELAND SPEC&EMV & NAVIGATION SYSTEM-12.3INCH DISPLAY; ISRAEL,TURKEY SPEC&EMV & NAVIGATION SYSTEM-12.3INCH DISPLAY; ITALY SPEC&EMV & NAVIGATION SYSTEM-12.3INCH DISPLAY; KAZAKHSTAN SPEC&EMV & NAVIGATION SYSTEM-12.3INCH DISPLAY; NORDIC SPEC&EMV & NAVIGATION SYSTEM-12.3INCH DISPLAY; PORTUGAL SPEC&EMV & NAVIGATION SYSTEM-12.3INCH DISPLAY; ROMANIA,BULGARIA SPEC&EMV & NAVIGATION SYSTEM-12.3INCH DISPLAY; RUSSIA SPEC&EMV & NAVIGATION SYSTEM-12.3INCH DISPLAY; SPAIN SPEC&EMV & NAVIGATION SYSTEM-12.3INCH DISPLAY; SWITZERLAND SPEC&EMV & NAVIGATION SYSTEM-12.3INCH DISPLAY; UKRAINE SPEC&EMV & NAVIGATION SYSTEM-12.3INCH DISPLAY; UNITED KINGDOM SPEC&EMV & NAVIGATION SYSTEM-12.3INCH DISPLAY
main83290-30251iARL10,AWL10,GRL16,GWL10..LHD..STD; ARL10,AWL10,GWL10..LHD; AWL10,GWL10..LHD; AWL10,GWL10..RHD201707-201809
ADRIA(SLOVENIA) SPEC&EMV & NAVIGATION SYSTEM-12.3INCH DISPLAY; AUSTRIA SPEC&EMV & NAVIGATION SYSTEM-12.3INCH DISPLAY; BALTIC SPEC&EMV & NAVIGATION SYSTEM-12.3INCH DISPLAY; BELGIUM,NETHERLAND SPEC&EMV & NAVIGATION SYSTEM-12.3INCH DISPLAY; CANARY ISLANDS SPEC&EMV & NAVIGATION SYSTEM-12.3INCH DISPLAY; CYPRUS SPEC&EMV & NAVIGATION SYSTEM-12.3INCH DISPLAY; CZECH,HUNGARY,SLOVAKIA,POLAND SPEC&EMV & NAVIGATION SYSTEM-12.3INCH DISPLAY; FRANCE SPEC&EMV & NAVIGATION SYSTEM-12.3INCH DISPLAY; GEORGIA SPEC&EMV & NAVIGATION SYSTEM-12.3INCH DISPLAY; GERMANY SPEC&EMV & NAVIGATION SYSTEM-12.3INCH DISPLAY; GREECE SPEC&EMV & NAVIGATION SYSTEM-12.3INCH DISPLAY; ICELAND SPEC&EMV & NAVIGATION SYSTEM-12.3INCH DISPLAY; IRELAND SPEC&EMV & NAVIGATION SYSTEM-12.3INCH DISPLAY; ISRAEL,TURKEY SPEC&EMV & NAVIGATION SYSTEM-12.3INCH DISPLAY; ITALY SPEC&EMV & NAVIGATION SYSTEM-12.3INCH DISPLAY; KAZAKHSTAN SPEC&EMV & NAVIGATION SYSTEM-12.3INCH DISPLAY; NORDIC SPEC&EMV & NAVIGATION SYSTEM-12.3INCH DISPLAY; PORTUGAL SPEC&EMV & NAVIGATION SYSTEM-12.3INCH DISPLAY; ROMANIA,BULGARIA SPEC&EMV & NAVIGATION SYSTEM-12.3INCH DISPLAY; RUSSIA SPEC&EMV & NAVIGATION SYSTEM-12.3INCH DISPLAY; SPAIN SPEC&EMV & NAVIGATION SYSTEM-12.3INCH DISPLAY; SWITZERLAND SPEC&EMV & NAVIGATION SYSTEM-12.3INCH DISPLAY; TURKEY SPEC&EMV & NAVIGATION SYSTEM-12.3INCH DISPLAY; UKRAINE SPEC&EMV & NAVIGATION SYSTEM-12.3INCH DISPLAY; UNITED KINGDOM SPEC&EMV & NAVIGATION SYSTEM-12.3INCH DISPLAY
8401SWITCH & RELAY & COMPUTER
84013DPANEL SUB-ASSY, INTEGRATION
8417CLEARANCE & BACK SONAR
84781SWITCH, REMOTE OPERATION
EMV & NAVIGATION SYSTEM-12.3INCH DISPLAY
EMV & NAVIGATION SYSTEM-12.3INCH DISPLAY
EMV & NAVIGATION SYSTEM-12.3INCH DISPLAY
EMV & NAVIGATION SYSTEM-12.3INCH DISPLAY
EMV & NAVIGATION SYSTEM-12.3INCH DISPLAY
EMV & NAVIGATION SYSTEM-12.3INCH DISPLAY
84782BOARD, REMOTE OPERATION
84811FKNOB, SWITCH
8601RADIO RECEIVER & AMPLIFIER & CONDENSER
86111MULTI-DISPLAY
DENSO
DENSO
PIONEER
PANASONIC
PANASONIC
PANASONIC
PANASONIC
PIONEER
PIONEER
86134APARTS, MULTI-DISPLAY
86271DISC, DISC PLAYER
main86271-30A91iAWL10,GRL1#,GWL10..LHD..STD; AWL10,GRL11,GWL10..LHD; AWL10,GRL11,GWL10..LHD..STD; AWL10,GRL11,GWL10..RHD201409-201412
ADRIA(SLOVENIA) SPEC&AUDIO-17SPEAKER & *MAR & NAVIGATION&EMV & NAVIGATION SYSTEM-12.3INCH DISPLAY; ADRIA(SLOVENIA) SPEC&EMV & NAVIGATION SYSTEM-12.3INCH DISPLAY; ANDORRA SPEC&AUDIO-17SPEAKER & *MAR & NAVIGATION&EMV & NAVIGATION SYSTEM-12.3INCHDISPLAY; ANDORRA SPEC&EMV & NAVIGATION SYSTEM-12.3INCH DISPLAY; AUSTRIA SPEC&AUDIO-17SPEAKER & *MAR & NAVIGATION&EMV & NAVIGATION SYSTEM-12.3INCHDISPLAY; AUSTRIA SPEC&EMV & NAVIGATION SYSTEM-12.3INCH DISPLAY; BALTIC SPEC&AUDIO-17SPEAKER & *MAR & NAVIGATION&EMV & NAVIGATION SYSTEM-12.3INCH DISPLAY; BALTIC SPEC&EMV & NAVIGATION SYSTEM-12.3INCH DISPLAY; BENELUX SPEC&AUDIO-17SPEAKER & *MAR & NAVIGATION&EMV & NAVIGATION SYSTEM-12.3INCHDISPLAY; BENELUX SPEC&EMV & NAVIGATION SYSTEM-12.3INCH DISPLAY; BOSNIA HERCEGOVINA SPEC&AUDIO-17SPEAKER & *MAR & NAVIGATION&EMV & NAVIGATION SYSTEM-12.3INCH DISPLAY; BOSNIA HERCEGOVINA SPEC&EMV & NAVIGATION SYSTEM-12.3INCH DISPLAY; CANARY ISLANDS SPEC&AUDIO-17SPEAKER & *MAR & NAVIGATION&EMV & NAVIGATION SYSTEM-12.3INCH DISPLAY; CANARY ISLANDS SPEC&EMV & NAVIGATION SYSTEM-12.3INCH DISPLAY; CYPRUS SPEC&AUDIO-17SPEAKER & *MAR & NAVIGATION&EMV & NAVIGATION SYSTEM-12.3INCH DISPLAY; CYPRUS SPEC&EMV & NAVIGATION SYSTEM-12.3INCH DISPLAY; CZECH,HUNGARY,SLOVAKIA,POLAND SPEC&AUDIO-17SPEAKER & *MAR & NAVIGATION&EMV & NAVIGATION SYSTEM-12.3INCH DISPLAY; CZECH,HUNGARY,SLOVAKIA,POLAND SPEC&EMV & NAVIGATION SYSTEM-12.3INCH DISPLAY; FRANCE SPEC&AUDIO-17SPEAKER & *MAR & NAVIGATION&EMV & NAVIGATION SYSTEM-12.3INCH DISPLAY; FRANCE SPEC&EMV & NAVIGATION SYSTEM-12.3INCH DISPLAY; GEORGIA SPEC&AUDIO-17SPEAKER & *MAR & NAVIGATION&EMV & NAVIGATION SYSTEM-12.3INCHDISPLAY; GEORGIA SPEC&EMV & NAVIGATION SYSTEM-12.3INCH DISPLAY; GERMANY SPEC&AUDIO-17SPEAKER & *MAR & NAVIGATION&EMV & NAVIGATION SYSTEM-12.3INCHDISPLAY; GERMANY SPEC&EMV & NAVIGATION SYSTEM-12.3INCH DISPLAY; GREECE SPEC&AUDIO-17SPEAKER & *MAR & NAVIGATION&EMV & NAVIGATION SYSTEM-12.3INCH DISPLAY; GREECE SPEC&EMV & NAVIGATION SYSTEM-12.3INCH DISPLAY; ICELAND SPEC&AUDIO-17SPEAKER & *MAR & NAVIGATION&EMV & NAVIGATION SYSTEM-12.3INCHDISPLAY; ICELAND SPEC&EMV & NAVIGATION SYSTEM-12.3INCH DISPLAY; IRELAND SPEC&AUDIO-17SPEAKER & *MAR & NAVIGATION&EMV & NAVIGATION SYSTEM-12.3INCHDISPLAY; IRELAND SPEC&EMV & NAVIGATION SYSTEM-12.3INCH DISPLAY; ISRAEL SPEC&AUDIO-17SPEAKER & *MAR & NAVIGATION&EMV & NAVIGATION SYSTEM-12.3INCH DISPLAY; ISRAEL SPEC&EMV & NAVIGATION SYSTEM-12.3INCH DISPLAY; ITALY SPEC&AUDIO-17SPEAKER & *MAR & NAVIGATION&EMV & NAVIGATION SYSTEM-12.3INCH DISPLAY; ITALY SPEC&EMV & NAVIGATION SYSTEM-12.3INCH DISPLAY; KAZAKHSTAN SPEC&AUDIO-17SPEAKER & *MAR & NAVIGATION&EMV & NAVIGATION SYSTEM-12.3INCH DISPLAY; KAZAKHSTAN SPEC&EMV & NAVIGATION SYSTEM-12.3INCH DISPLAY; MACEDONIA SPEC&AUDIO-17SPEAKER & *MAR & NAVIGATION&EMV & NAVIGATION SYSTEM-12.3INCH DISPLAY; MACEDONIA SPEC&EMV & NAVIGATION SYSTEM-12.3INCH DISPLAY; MALTA SPEC&AUDIO-17SPEAKER & *MAR & NAVIGATION&EMV & NAVIGATION SYSTEM-12.3INCH DISPLAY; MALTA SPEC&EMV & NAVIGATION SYSTEM-12.3INCH DISPLAY; MONACO SPEC&AUDIO-17SPEAKER & *MAR & NAVIGATION&EMV & NAVIGATION SYSTEM-12.3INCH DISPLAY; MONACO SPEC&EMV & NAVIGATION SYSTEM-12.3INCH DISPLAY; MONTENEGRO SPEC&AUDIO-17SPEAKER & *MAR & NAVIGATION&EMV & NAVIGATION SYSTEM-12.3INCH DISPLAY; MONTENEGRO SPEC&EMV & NAVIGATION SYSTEM-12.3INCH DISPLAY; NORDIC SPEC&AUDIO-17SPEAKER & *MAR & NAVIGATION&EMV & NAVIGATION SYSTEM-12.3INCH DISPLAY; NORDIC SPEC&EMV & NAVIGATION SYSTEM-12.3INCH DISPLAY; PORTUGAL SPEC&AUDIO-17SPEAKER & *MAR & NAVIGATION&EMV & NAVIGATION SYSTEM-12.3INCHDISPLAY; PORTUGAL SPEC&EMV & NAVIGATION SYSTEM-12.3INCH DISPLAY; ROMANIA,BULGARIA SPEC&AUDIO-17SPEAKER & *MAR & NAVIGATION&EMV & NAVIGATION SYSTEM-12.3INCH DISPLAY; ROMANIA,BULGARIA SPEC&EMV & NAVIGATION SYSTEM-12.3INCH DISPLAY; RUSSIA SPEC&AUDIO-17SPEAKER & *MAR & NAVIGATION&EMV & NAVIGATION SYSTEM-12.3INCH DISPLAY; RUSSIA SPEC&EMV & NAVIGATION SYSTEM-12.3INCH DISPLAY; SPAIN SPEC&AUDIO-17SPEAKER & *MAR & NAVIGATION&EMV & NAVIGATION SYSTEM-12.3INCH DISPLAY; SPAIN SPEC&EMV & NAVIGATION SYSTEM-12.3INCH DISPLAY; SWITZERLAND SPEC&AUDIO-17SPEAKER & *MAR & NAVIGATION&EMV & NAVIGATION SYSTEM-12.3INCH DISPLAY; SWITZERLAND SPEC&EMV & NAVIGATION SYSTEM-12.3INCH DISPLAY; UKRAINE SPEC&AUDIO-17SPEAKER & *MAR & NAVIGATION&EMV & NAVIGATION SYSTEM-12.3INCHDISPLAY; UKRAINE SPEC&EMV & NAVIGATION SYSTEM-12.3INCH DISPLAY; UNITED KINGDOM SPEC&AUDIO-17SPEAKER & *MAR & NAVIGATION&EMV & NAVIGATION SYSTEM-12.3INCH DISPLAY; UNITED KINGDOM SPEC&EMV & NAVIGATION SYSTEM-12.3INCH DISPLAY
main86271-30A92iAWL10,GRL1#,GWL10..LHD..STD; AWL10,GRL11,GWL10..LHD; AWL10,GRL11,GWL10..LHD..STD; AWL10,GRL11,GWL10..RHD201501-201507
ADRIA(SLOVENIA) SPEC&AUDIO-17SPEAKER & *MAR & NAVIGATION&EMV & NAVIGATION SYSTEM-12.3INCH DISPLAY; ADRIA(SLOVENIA) SPEC&EMV & NAVIGATION SYSTEM-12.3INCH DISPLAY; ANDORRA SPEC&AUDIO-17SPEAKER & *MAR & NAVIGATION&EMV & NAVIGATION SYSTEM-12.3INCHDISPLAY; ANDORRA SPEC&EMV & NAVIGATION SYSTEM-12.3INCH DISPLAY; AUSTRIA SPEC&AUDIO-17SPEAKER & *MAR & NAVIGATION&EMV & NAVIGATION SYSTEM-12.3INCHDISPLAY; AUSTRIA SPEC&EMV & NAVIGATION SYSTEM-12.3INCH DISPLAY; BALTIC SPEC&AUDIO-17SPEAKER & *MAR & NAVIGATION&EMV & NAVIGATION SYSTEM-12.3INCH DISPLAY; BALTIC SPEC&EMV & NAVIGATION SYSTEM-12.3INCH DISPLAY; BENELUX SPEC&AUDIO-17SPEAKER & *MAR & NAVIGATION&EMV & NAVIGATION SYSTEM-12.3INCHDISPLAY; BENELUX SPEC&EMV & NAVIGATION SYSTEM-12.3INCH DISPLAY; BOSNIA HERCEGOVINA SPEC&AUDIO-17SPEAKER & *MAR & NAVIGATION&EMV & NAVIGATION SYSTEM-12.3INCH DISPLAY; BOSNIA HERCEGOVINA SPEC&EMV & NAVIGATION SYSTEM-12.3INCH DISPLAY; CANARY ISLANDS SPEC&AUDIO-17SPEAKER & *MAR & NAVIGATION&EMV & NAVIGATION SYSTEM-12.3INCH DISPLAY; CANARY ISLANDS SPEC&EMV & NAVIGATION SYSTEM-12.3INCH DISPLAY; CYPRUS SPEC&AUDIO-17SPEAKER & *MAR & NAVIGATION&EMV & NAVIGATION SYSTEM-12.3INCH DISPLAY; CYPRUS SPEC&EMV & NAVIGATION SYSTEM-12.3INCH DISPLAY; CZECH,HUNGARY,SLOVAKIA,POLAND SPEC&AUDIO-17SPEAKER & *MAR & NAVIGATION&EMV & NAVIGATION SYSTEM-12.3INCH DISPLAY; CZECH,HUNGARY,SLOVAKIA,POLAND SPEC&EMV & NAVIGATION SYSTEM-12.3INCH DISPLAY; FRANCE SPEC&AUDIO-17SPEAKER & *MAR & NAVIGATION&EMV & NAVIGATION SYSTEM-12.3INCH DISPLAY; FRANCE SPEC&EMV & NAVIGATION SYSTEM-12.3INCH DISPLAY; GEORGIA SPEC&AUDIO-17SPEAKER & *MAR & NAVIGATION&EMV & NAVIGATION SYSTEM-12.3INCHDISPLAY; GEORGIA SPEC&EMV & NAVIGATION SYSTEM-12.3INCH DISPLAY; GERMANY SPEC&AUDIO-17SPEAKER & *MAR & NAVIGATION&EMV & NAVIGATION SYSTEM-12.3INCHDISPLAY; GERMANY SPEC&EMV & NAVIGATION SYSTEM-12.3INCH DISPLAY; GREECE SPEC&AUDIO-17SPEAKER & *MAR & NAVIGATION&EMV & NAVIGATION SYSTEM-12.3INCH DISPLAY; GREECE SPEC&EMV & NAVIGATION SYSTEM-12.3INCH DISPLAY; ICELAND SPEC&AUDIO-17SPEAKER & *MAR & NAVIGATION&EMV & NAVIGATION SYSTEM-12.3INCHDISPLAY; ICELAND SPEC&EMV & NAVIGATION SYSTEM-12.3INCH DISPLAY; IRELAND SPEC&AUDIO-17SPEAKER & *MAR & NAVIGATION&EMV & NAVIGATION SYSTEM-12.3INCHDISPLAY; IRELAND SPEC&EMV & NAVIGATION SYSTEM-12.3INCH DISPLAY; ISRAEL SPEC&AUDIO-17SPEAKER & *MAR & NAVIGATION&EMV & NAVIGATION SYSTEM-12.3INCH DISPLAY; ISRAEL SPEC&EMV & NAVIGATION SYSTEM-12.3INCH DISPLAY; ITALY SPEC&AUDIO-17SPEAKER & *MAR & NAVIGATION&EMV & NAVIGATION SYSTEM-12.3INCH DISPLAY; ITALY SPEC&EMV & NAVIGATION SYSTEM-12.3INCH DISPLAY; KAZAKHSTAN SPEC&AUDIO-17SPEAKER & *MAR & NAVIGATION&EMV & NAVIGATION SYSTEM-12.3INCH DISPLAY; KAZAKHSTAN SPEC&EMV & NAVIGATION SYSTEM-12.3INCH DISPLAY; MACEDONIA SPEC&AUDIO-17SPEAKER & *MAR & NAVIGATION&EMV & NAVIGATION SYSTEM-12.3INCH DISPLAY; MACEDONIA SPEC&EMV & NAVIGATION SYSTEM-12.3INCH DISPLAY; MALTA SPEC&AUDIO-17SPEAKER & *MAR & NAVIGATION&EMV & NAVIGATION SYSTEM-12.3INCH DISPLAY; MALTA SPEC&EMV & NAVIGATION SYSTEM-12.3INCH DISPLAY; MONACO SPEC&AUDIO-17SPEAKER & *MAR & NAVIGATION&EMV & NAVIGATION SYSTEM-12.3INCH DISPLAY; MONACO SPEC&EMV & NAVIGATION SYSTEM-12.3INCH DISPLAY; MONTENEGRO SPEC&AUDIO-17SPEAKER & *MAR & NAVIGATION&EMV & NAVIGATION SYSTEM-12.3INCH DISPLAY; MONTENEGRO SPEC&EMV & NAVIGATION SYSTEM-12.3INCH DISPLAY; NORDIC SPEC&AUDIO-17SPEAKER & *MAR & NAVIGATION&EMV & NAVIGATION SYSTEM-12.3INCH DISPLAY; NORDIC SPEC&EMV & NAVIGATION SYSTEM-12.3INCH DISPLAY; PORTUGAL SPEC&AUDIO-17SPEAKER & *MAR & NAVIGATION&EMV & NAVIGATION SYSTEM-12.3INCHDISPLAY; PORTUGAL SPEC&EMV & NAVIGATION SYSTEM-12.3INCH DISPLAY; ROMANIA,BULGARIA SPEC&AUDIO-17SPEAKER & *MAR & NAVIGATION&EMV & NAVIGATION SYSTEM-12.3INCH DISPLAY; ROMANIA,BULGARIA SPEC&EMV & NAVIGATION SYSTEM-12.3INCH DISPLAY; RUSSIA SPEC&AUDIO-17SPEAKER & *MAR & NAVIGATION&EMV & NAVIGATION SYSTEM-12.3INCH DISPLAY; RUSSIA SPEC&EMV & NAVIGATION SYSTEM-12.3INCH DISPLAY; SPAIN SPEC&AUDIO-17SPEAKER & *MAR & NAVIGATION&EMV & NAVIGATION SYSTEM-12.3INCH DISPLAY; SPAIN SPEC&EMV & NAVIGATION SYSTEM-12.3INCH DISPLAY; SWITZERLAND SPEC&AUDIO-17SPEAKER & *MAR & NAVIGATION&EMV & NAVIGATION SYSTEM-12.3INCH DISPLAY; SWITZERLAND SPEC&EMV & NAVIGATION SYSTEM-12.3INCH DISPLAY; UKRAINE SPEC&AUDIO-17SPEAKER & *MAR & NAVIGATION&EMV & NAVIGATION SYSTEM-12.3INCHDISPLAY; UKRAINE SPEC&EMV & NAVIGATION SYSTEM-12.3INCH DISPLAY; UNITED KINGDOM SPEC&AUDIO-17SPEAKER & *MAR & NAVIGATION&EMV & NAVIGATION SYSTEM-12.3INCH DISPLAY; UNITED KINGDOM SPEC&EMV & NAVIGATION SYSTEM-12.3INCH DISPLAY
main86271-30A93iAWL10,GRL1#,GWL10..LHD..STD; AWL10,GRL11,GWL10..LHD; AWL10,GRL11,GWL10..LHD..STD; AWL10,GRL11,GWL10..RHD201507-201510
ADRIA(SLOVENIA) SPEC&AUDIO-17SPEAKER & *MAR & NAVIGATION&EMV & NAVIGATION SYSTEM-12.3INCH DISPLAY; ADRIA(SLOVENIA) SPEC&EMV & NAVIGATION SYSTEM-12.3INCH DISPLAY; ANDORRA SPEC&AUDIO-17SPEAKER & *MAR & NAVIGATION&EMV & NAVIGATION SYSTEM-12.3INCHDISPLAY; ANDORRA SPEC&EMV & NAVIGATION SYSTEM-12.3INCH DISPLAY; AUSTRIA SPEC&AUDIO-17SPEAKER & *MAR & NAVIGATION&EMV & NAVIGATION SYSTEM-12.3INCHDISPLAY; AUSTRIA SPEC&EMV & NAVIGATION SYSTEM-12.3INCH DISPLAY; BALTIC SPEC&AUDIO-17SPEAKER & *MAR & NAVIGATION&EMV & NAVIGATION SYSTEM-12.3INCH DISPLAY; BALTIC SPEC&EMV & NAVIGATION SYSTEM-12.3INCH DISPLAY; BENELUX SPEC&AUDIO-17SPEAKER & *MAR & NAVIGATION&EMV & NAVIGATION SYSTEM-12.3INCHDISPLAY; BENELUX SPEC&EMV & NAVIGATION SYSTEM-12.3INCH DISPLAY; BOSNIA HERCEGOVINA SPEC&AUDIO-17SPEAKER & *MAR & NAVIGATION&EMV & NAVIGATION SYSTEM-12.3INCH DISPLAY; BOSNIA HERCEGOVINA SPEC&EMV & NAVIGATION SYSTEM-12.3INCH DISPLAY; CANARY ISLANDS SPEC&AUDIO-17SPEAKER & *MAR & NAVIGATION&EMV & NAVIGATION SYSTEM-12.3INCH DISPLAY; CANARY ISLANDS SPEC&EMV & NAVIGATION SYSTEM-12.3INCH DISPLAY; CYPRUS SPEC&AUDIO-17SPEAKER & *MAR & NAVIGATION&EMV & NAVIGATION SYSTEM-12.3INCH DISPLAY; CYPRUS SPEC&EMV & NAVIGATION SYSTEM-12.3INCH DISPLAY; CZECH,HUNGARY,SLOVAKIA,POLAND SPEC&AUDIO-17SPEAKER & *MAR & NAVIGATION&EMV & NAVIGATION SYSTEM-12.3INCH DISPLAY; CZECH,HUNGARY,SLOVAKIA,POLAND SPEC&EMV & NAVIGATION SYSTEM-12.3INCH DISPLAY; FRANCE SPEC&AUDIO-17SPEAKER & *MAR & NAVIGATION&EMV & NAVIGATION SYSTEM-12.3INCH DISPLAY; FRANCE SPEC&EMV & NAVIGATION SYSTEM-12.3INCH DISPLAY; GEORGIA SPEC&AUDIO-17SPEAKER & *MAR & NAVIGATION&EMV & NAVIGATION SYSTEM-12.3INCHDISPLAY; GEORGIA SPEC&EMV & NAVIGATION SYSTEM-12.3INCH DISPLAY; GERMANY SPEC&AUDIO-17SPEAKER & *MAR & NAVIGATION&EMV & NAVIGATION SYSTEM-12.3INCHDISPLAY; GERMANY SPEC&EMV & NAVIGATION SYSTEM-12.3INCH DISPLAY; GREECE SPEC&AUDIO-17SPEAKER & *MAR & NAVIGATION&EMV & NAVIGATION SYSTEM-12.3INCH DISPLAY; GREECE SPEC&EMV & NAVIGATION SYSTEM-12.3INCH DISPLAY; ICELAND SPEC&AUDIO-17SPEAKER & *MAR & NAVIGATION&EMV & NAVIGATION SYSTEM-12.3INCHDISPLAY; ICELAND SPEC&EMV & NAVIGATION SYSTEM-12.3INCH DISPLAY; IRELAND SPEC&AUDIO-17SPEAKER & *MAR & NAVIGATION&EMV & NAVIGATION SYSTEM-12.3INCHDISPLAY; IRELAND SPEC&EMV & NAVIGATION SYSTEM-12.3INCH DISPLAY; ISRAEL SPEC&AUDIO-17SPEAKER & *MAR & NAVIGATION&EMV & NAVIGATION SYSTEM-12.3INCH DISPLAY; ISRAEL SPEC&EMV & NAVIGATION SYSTEM-12.3INCH DISPLAY; ITALY SPEC&AUDIO-17SPEAKER & *MAR & NAVIGATION&EMV & NAVIGATION SYSTEM-12.3INCH DISPLAY; ITALY SPEC&EMV & NAVIGATION SYSTEM-12.3INCH DISPLAY; KAZAKHSTAN SPEC&AUDIO-17SPEAKER & *MAR & NAVIGATION&EMV & NAVIGATION SYSTEM-12.3INCH DISPLAY; KAZAKHSTAN SPEC&EMV & NAVIGATION SYSTEM-12.3INCH DISPLAY; MACEDONIA SPEC&AUDIO-17SPEAKER & *MAR & NAVIGATION&EMV & NAVIGATION SYSTEM-12.3INCH DISPLAY; MACEDONIA SPEC&EMV & NAVIGATION SYSTEM-12.3INCH DISPLAY; MALTA SPEC&AUDIO-17SPEAKER & *MAR & NAVIGATION&EMV & NAVIGATION SYSTEM-12.3INCH DISPLAY; MALTA SPEC&EMV & NAVIGATION SYSTEM-12.3INCH DISPLAY; MONACO SPEC&AUDIO-17SPEAKER & *MAR & NAVIGATION&EMV & NAVIGATION SYSTEM-12.3INCH DISPLAY; MONACO SPEC&EMV & NAVIGATION SYSTEM-12.3INCH DISPLAY; MONTENEGRO SPEC&AUDIO-17SPEAKER & *MAR & NAVIGATION&EMV & NAVIGATION SYSTEM-12.3INCH DISPLAY; MONTENEGRO SPEC&EMV & NAVIGATION SYSTEM-12.3INCH DISPLAY; NORDIC SPEC&AUDIO-17SPEAKER & *MAR & NAVIGATION&EMV & NAVIGATION SYSTEM-12.3INCH DISPLAY; NORDIC SPEC&EMV & NAVIGATION SYSTEM-12.3INCH DISPLAY; PORTUGAL SPEC&AUDIO-17SPEAKER & *MAR & NAVIGATION&EMV & NAVIGATION SYSTEM-12.3INCHDISPLAY; PORTUGAL SPEC&EMV & NAVIGATION SYSTEM-12.3INCH DISPLAY; ROMANIA,BULGARIA SPEC&AUDIO-17SPEAKER & *MAR & NAVIGATION&EMV & NAVIGATION SYSTEM-12.3INCH DISPLAY; ROMANIA,BULGARIA SPEC&EMV & NAVIGATION SYSTEM-12.3INCH DISPLAY; RUSSIA SPEC&AUDIO-17SPEAKER & *MAR & NAVIGATION&EMV & NAVIGATION SYSTEM-12.3INCH DISPLAY; RUSSIA SPEC&EMV & NAVIGATION SYSTEM-12.3INCH DISPLAY; SPAIN SPEC&AUDIO-17SPEAKER & *MAR & NAVIGATION&EMV & NAVIGATION SYSTEM-12.3INCH DISPLAY; SPAIN SPEC&EMV & NAVIGATION SYSTEM-12.3INCH DISPLAY; SWITZERLAND SPEC&AUDIO-17SPEAKER & *MAR & NAVIGATION&EMV & NAVIGATION SYSTEM-12.3INCH DISPLAY; SWITZERLAND SPEC&EMV & NAVIGATION SYSTEM-12.3INCH DISPLAY; UKRAINE SPEC&AUDIO-17SPEAKER & *MAR & NAVIGATION&EMV & NAVIGATION SYSTEM-12.3INCHDISPLAY; UKRAINE SPEC&EMV & NAVIGATION SYSTEM-12.3INCH DISPLAY; UNITED KINGDOM SPEC&AUDIO-17SPEAKER & *MAR & NAVIGATION&EMV & NAVIGATION SYSTEM-12.3INCH DISPLAY; UNITED KINGDOM SPEC&EMV & NAVIGATION SYSTEM-12.3INCH DISPLAY
main86271-48340iARL10,AWL10,GRL16,GWL10..LHD..STD; ARL10,AWL10,GWL10..LHD; AWL10,GWL10..LHD; AWL10,GWL10..RHD201510-201512
ADRIA(SLOVENIA) SPEC&AUDIO-17SPEAKER & RDS&EMV & NAVIGATION SYSTEM-12.3INCH DISPLAY; ADRIA(SLOVENIA) SPEC&EMV & NAVIGATION SYSTEM-12.3INCH DISPLAY; AUSTRIA SPEC&AUDIO-17SPEAKER & RDS&EMV & NAVIGATION SYSTEM-12.3INCH DISPLAY; AUSTRIA SPEC&EMV & NAVIGATION SYSTEM-12.3INCH DISPLAY; BALTIC SPEC&AUDIO-17SPEAKER & RDS&EMV & NAVIGATION SYSTEM-12.3INCH DISPLAY; BALTIC SPEC&EMV & NAVIGATION SYSTEM-12.3INCH DISPLAY; BELGIUM,NETHERLAND SPEC&AUDIO-17SPEAKER & RDS&EMV & NAVIGATION SYSTEM-12.3INCH DISPLAY; BELGIUM,NETHERLAND SPEC&EMV & NAVIGATION SYSTEM-12.3INCH DISPLAY; CANARY ISLANDS SPEC&AUDIO-17SPEAKER & RDS&EMV & NAVIGATION SYSTEM-12.3INCH DISPLAY; CANARY ISLANDS SPEC&EMV & NAVIGATION SYSTEM-12.3INCH DISPLAY; CYPRUS SPEC&AUDIO-17SPEAKER & RDS&EMV & NAVIGATION SYSTEM-12.3INCH DISPLAY; CYPRUS SPEC&EMV & NAVIGATION SYSTEM-12.3INCH DISPLAY; CZECH,HUNGARY,SLOVAKIA,POLAND SPEC&AUDIO-17SPEAKER & RDS&EMV & NAVIGATION SYSTEM-12.3INCH DISPLAY; CZECH,HUNGARY,SLOVAKIA,POLAND SPEC&EMV & NAVIGATION SYSTEM-12.3INCH DISPLAY; FRANCE SPEC&AUDIO-17SPEAKER & RDS&EMV & NAVIGATION SYSTEM-12.3INCH DISPLAY; FRANCE SPEC&EMV & NAVIGATION SYSTEM-12.3INCH DISPLAY; GEORGIA SPEC&AUDIO-17SPEAKER & RDS&EMV & NAVIGATION SYSTEM-12.3INCH DISPLAY; GEORGIA SPEC&EMV & NAVIGATION SYSTEM-12.3INCH DISPLAY; GERMANY SPEC&AUDIO-17SPEAKER & RDS&EMV & NAVIGATION SYSTEM-12.3INCH DISPLAY; GERMANY SPEC&EMV & NAVIGATION SYSTEM-12.3INCH DISPLAY; GREECE SPEC&AUDIO-17SPEAKER & RDS&EMV & NAVIGATION SYSTEM-12.3INCH DISPLAY; GREECE SPEC&EMV & NAVIGATION SYSTEM-12.3INCH DISPLAY; ICELAND SPEC&AUDIO-17SPEAKER & RDS&EMV & NAVIGATION SYSTEM-12.3INCH DISPLAY; ICELAND SPEC&EMV & NAVIGATION SYSTEM-12.3INCH DISPLAY; IRELAND SPEC&AUDIO-17SPEAKER & RDS&EMV & NAVIGATION SYSTEM-12.3INCH DISPLAY; IRELAND SPEC&EMV & NAVIGATION SYSTEM-12.3INCH DISPLAY; ISRAEL,TURKEY SPEC&AUDIO-17SPEAKER & RDS&EMV & NAVIGATION SYSTEM-12.3INCH DISPLAY; ISRAEL,TURKEY SPEC&EMV & NAVIGATION SYSTEM-12.3INCH DISPLAY; ITALY SPEC&AUDIO-17SPEAKER & RDS&EMV & NAVIGATION SYSTEM-12.3INCH DISPLAY; ITALY SPEC&EMV & NAVIGATION SYSTEM-12.3INCH DISPLAY; KAZAKHSTAN SPEC&AUDIO-17SPEAKER & RDS&EMV & NAVIGATION SYSTEM-12.3INCH DISPLAY; KAZAKHSTAN SPEC&EMV & NAVIGATION SYSTEM-12.3INCH DISPLAY; NORDIC SPEC&AUDIO-17SPEAKER & RDS&EMV & NAVIGATION SYSTEM-12.3INCH DISPLAY; NORDIC SPEC&EMV & NAVIGATION SYSTEM-12.3INCH DISPLAY; PORTUGAL SPEC&AUDIO-17SPEAKER & RDS&EMV & NAVIGATION SYSTEM-12.3INCH DISPLAY; PORTUGAL SPEC&EMV & NAVIGATION SYSTEM-12.3INCH DISPLAY; ROMANIA,BULGARIA SPEC&AUDIO-17SPEAKER & RDS&EMV & NAVIGATION SYSTEM-12.3INCH DISPLAY; ROMANIA,BULGARIA SPEC&EMV & NAVIGATION SYSTEM-12.3INCH DISPLAY; RUSSIA SPEC&AUDIO-17SPEAKER & RDS&EMV & NAVIGATION SYSTEM-12.3INCH DISPLAY; RUSSIA SPEC&EMV & NAVIGATION SYSTEM-12.3INCH DISPLAY; SPAIN SPEC&AUDIO-17SPEAKER & RDS&EMV & NAVIGATION SYSTEM-12.3INCH DISPLAY; SPAIN SPEC&EMV & NAVIGATION SYSTEM-12.3INCH DISPLAY; SWITZERLAND SPEC&AUDIO-17SPEAKER & RDS&EMV & NAVIGATION SYSTEM-12.3INCH DISPLAY; SWITZERLAND SPEC&EMV & NAVIGATION SYSTEM-12.3INCH DISPLAY; UKRAINE SPEC&AUDIO-17SPEAKER & RDS&EMV & NAVIGATION SYSTEM-12.3INCH DISPLAY; UKRAINE SPEC&EMV & NAVIGATION SYSTEM-12.3INCH DISPLAY; UNITED KINGDOM SPEC&AUDIO-17SPEAKER & RDS&EMV & NAVIGATION SYSTEM-12.3INCH DISPLAY; UNITED KINGDOM SPEC&EMV & NAVIGATION SYSTEM-12.3INCH DISPLAY
main86271-48341iARL10,AWL10,GRL16,GWL10..LHD..STD; ARL10,AWL10,GWL10..LHD; AWL10,GWL10..LHD; AWL10,GWL10..RHD201601-201607
ADRIA(SLOVENIA) SPEC&AUDIO-17SPEAKER & RDS&EMV & NAVIGATION SYSTEM-12.3INCH DISPLAY; ADRIA(SLOVENIA) SPEC&EMV & NAVIGATION SYSTEM-12.3INCH DISPLAY; AUSTRIA SPEC&AUDIO-17SPEAKER & RDS&EMV & NAVIGATION SYSTEM-12.3INCH DISPLAY; AUSTRIA SPEC&EMV & NAVIGATION SYSTEM-12.3INCH DISPLAY; BALTIC SPEC&AUDIO-17SPEAKER & RDS&EMV & NAVIGATION SYSTEM-12.3INCH DISPLAY; BALTIC SPEC&EMV & NAVIGATION SYSTEM-12.3INCH DISPLAY; BELGIUM,NETHERLAND SPEC&AUDIO-17SPEAKER & RDS&EMV & NAVIGATION SYSTEM-12.3INCH DISPLAY; BELGIUM,NETHERLAND SPEC&EMV & NAVIGATION SYSTEM-12.3INCH DISPLAY; CANARY ISLANDS SPEC&AUDIO-17SPEAKER & RDS&EMV & NAVIGATION SYSTEM-12.3INCH DISPLAY; CANARY ISLANDS SPEC&EMV & NAVIGATION SYSTEM-12.3INCH DISPLAY; CYPRUS SPEC&AUDIO-17SPEAKER & RDS&EMV & NAVIGATION SYSTEM-12.3INCH DISPLAY; CYPRUS SPEC&EMV & NAVIGATION SYSTEM-12.3INCH DISPLAY; CZECH,HUNGARY,SLOVAKIA,POLAND SPEC&AUDIO-17SPEAKER & RDS&EMV & NAVIGATION SYSTEM-12.3INCH DISPLAY; CZECH,HUNGARY,SLOVAKIA,POLAND SPEC&EMV & NAVIGATION SYSTEM-12.3INCH DISPLAY; FRANCE SPEC&AUDIO-17SPEAKER & RDS&EMV & NAVIGATION SYSTEM-12.3INCH DISPLAY; FRANCE SPEC&EMV & NAVIGATION SYSTEM-12.3INCH DISPLAY; GEORGIA SPEC&AUDIO-17SPEAKER & RDS&EMV & NAVIGATION SYSTEM-12.3INCH DISPLAY; GEORGIA SPEC&EMV & NAVIGATION SYSTEM-12.3INCH DISPLAY; GERMANY SPEC&AUDIO-17SPEAKER & RDS&EMV & NAVIGATION SYSTEM-12.3INCH DISPLAY; GERMANY SPEC&EMV & NAVIGATION SYSTEM-12.3INCH DISPLAY; GREECE SPEC&AUDIO-17SPEAKER & RDS&EMV & NAVIGATION SYSTEM-12.3INCH DISPLAY; GREECE SPEC&EMV & NAVIGATION SYSTEM-12.3INCH DISPLAY; ICELAND SPEC&AUDIO-17SPEAKER & RDS&EMV & NAVIGATION SYSTEM-12.3INCH DISPLAY; ICELAND SPEC&EMV & NAVIGATION SYSTEM-12.3INCH DISPLAY; IRELAND SPEC&AUDIO-17SPEAKER & RDS&EMV & NAVIGATION SYSTEM-12.3INCH DISPLAY; IRELAND SPEC&EMV & NAVIGATION SYSTEM-12.3INCH DISPLAY; ISRAEL,TURKEY SPEC&AUDIO-17SPEAKER & RDS&EMV & NAVIGATION SYSTEM-12.3INCH DISPLAY; ISRAEL,TURKEY SPEC&EMV & NAVIGATION SYSTEM-12.3INCH DISPLAY; ITALY SPEC&AUDIO-17SPEAKER & RDS&EMV & NAVIGATION SYSTEM-12.3INCH DISPLAY; ITALY SPEC&EMV & NAVIGATION SYSTEM-12.3INCH DISPLAY; KAZAKHSTAN SPEC&AUDIO-17SPEAKER & RDS&EMV & NAVIGATION SYSTEM-12.3INCH DISPLAY; KAZAKHSTAN SPEC&EMV & NAVIGATION SYSTEM-12.3INCH DISPLAY; NORDIC SPEC&AUDIO-17SPEAKER & RDS&EMV & NAVIGATION SYSTEM-12.3INCH DISPLAY; NORDIC SPEC&EMV & NAVIGATION SYSTEM-12.3INCH DISPLAY; PORTUGAL SPEC&AUDIO-17SPEAKER & RDS&EMV & NAVIGATION SYSTEM-12.3INCH DISPLAY; PORTUGAL SPEC&EMV & NAVIGATION SYSTEM-12.3INCH DISPLAY; ROMANIA,BULGARIA SPEC&AUDIO-17SPEAKER & RDS&EMV & NAVIGATION SYSTEM-12.3INCH DISPLAY; ROMANIA,BULGARIA SPEC&EMV & NAVIGATION SYSTEM-12.3INCH DISPLAY; RUSSIA SPEC&AUDIO-17SPEAKER & RDS&EMV & NAVIGATION SYSTEM-12.3INCH DISPLAY; RUSSIA SPEC&EMV & NAVIGATION SYSTEM-12.3INCH DISPLAY; SPAIN SPEC&AUDIO-17SPEAKER & RDS&EMV & NAVIGATION SYSTEM-12.3INCH DISPLAY; SPAIN SPEC&EMV & NAVIGATION SYSTEM-12.3INCH DISPLAY; SWITZERLAND SPEC&AUDIO-17SPEAKER & RDS&EMV & NAVIGATION SYSTEM-12.3INCH DISPLAY; SWITZERLAND SPEC&EMV & NAVIGATION SYSTEM-12.3INCH DISPLAY; UKRAINE SPEC&AUDIO-17SPEAKER & RDS&EMV & NAVIGATION SYSTEM-12.3INCH DISPLAY; UKRAINE SPEC&EMV & NAVIGATION SYSTEM-12.3INCH DISPLAY; UNITED KINGDOM SPEC&AUDIO-17SPEAKER & RDS&EMV & NAVIGATION SYSTEM-12.3INCH DISPLAY; UNITED KINGDOM SPEC&EMV & NAVIGATION SYSTEM-12.3INCH DISPLAY
main86271-48342iARL10,AWL10,GRL16,GWL10..LHD..STD; ARL10,AWL10,GWL10..LHD; AWL10,GWL10..LHD; AWL10,GWL10..RHD201608-201702
ADRIA(SLOVENIA) SPEC&AUDIO-17SPEAKER & RDS&EMV & NAVIGATION SYSTEM-12.3INCH DISPLAY; ADRIA(SLOVENIA) SPEC&EMV & NAVIGATION SYSTEM-12.3INCH DISPLAY; AUSTRIA SPEC&AUDIO-17SPEAKER & RDS&EMV & NAVIGATION SYSTEM-12.3INCH DISPLAY; AUSTRIA SPEC&EMV & NAVIGATION SYSTEM-12.3INCH DISPLAY; BALTIC SPEC&AUDIO-17SPEAKER & RDS&EMV & NAVIGATION SYSTEM-12.3INCH DISPLAY; BALTIC SPEC&EMV & NAVIGATION SYSTEM-12.3INCH DISPLAY; BELGIUM,NETHERLAND SPEC&AUDIO-17SPEAKER & RDS&EMV & NAVIGATION SYSTEM-12.3INCH DISPLAY; BELGIUM,NETHERLAND SPEC&EMV & NAVIGATION SYSTEM-12.3INCH DISPLAY; CANARY ISLANDS SPEC&AUDIO-17SPEAKER & RDS&EMV & NAVIGATION SYSTEM-12.3INCH DISPLAY; CANARY ISLANDS SPEC&EMV & NAVIGATION SYSTEM-12.3INCH DISPLAY; CYPRUS SPEC&AUDIO-17SPEAKER & RDS&EMV & NAVIGATION SYSTEM-12.3INCH DISPLAY; CYPRUS SPEC&EMV & NAVIGATION SYSTEM-12.3INCH DISPLAY; CZECH,HUNGARY,SLOVAKIA,POLAND SPEC&AUDIO-17SPEAKER & RDS&EMV & NAVIGATION SYSTEM-12.3INCH DISPLAY; CZECH,HUNGARY,SLOVAKIA,POLAND SPEC&EMV & NAVIGATION SYSTEM-12.3INCH DISPLAY; FRANCE SPEC&AUDIO-17SPEAKER & RDS&EMV & NAVIGATION SYSTEM-12.3INCH DISPLAY; FRANCE SPEC&EMV & NAVIGATION SYSTEM-12.3INCH DISPLAY; GEORGIA SPEC&AUDIO-17SPEAKER & RDS&EMV & NAVIGATION SYSTEM-12.3INCH DISPLAY; GEORGIA SPEC&EMV & NAVIGATION SYSTEM-12.3INCH DISPLAY; GERMANY SPEC&AUDIO-17SPEAKER & RDS&EMV & NAVIGATION SYSTEM-12.3INCH DISPLAY; GERMANY SPEC&EMV & NAVIGATION SYSTEM-12.3INCH DISPLAY; GREECE SPEC&AUDIO-17SPEAKER & RDS&EMV & NAVIGATION SYSTEM-12.3INCH DISPLAY; GREECE SPEC&EMV & NAVIGATION SYSTEM-12.3INCH DISPLAY; ICELAND SPEC&AUDIO-17SPEAKER & RDS&EMV & NAVIGATION SYSTEM-12.3INCH DISPLAY; ICELAND SPEC&EMV & NAVIGATION SYSTEM-12.3INCH DISPLAY; IRELAND SPEC&AUDIO-17SPEAKER & RDS&EMV & NAVIGATION SYSTEM-12.3INCH DISPLAY; IRELAND SPEC&EMV & NAVIGATION SYSTEM-12.3INCH DISPLAY; ISRAEL,TURKEY SPEC&AUDIO-17SPEAKER & RDS&EMV & NAVIGATION SYSTEM-12.3INCH DISPLAY; ISRAEL,TURKEY SPEC&EMV & NAVIGATION SYSTEM-12.3INCH DISPLAY; ITALY SPEC&AUDIO-17SPEAKER & RDS&EMV & NAVIGATION SYSTEM-12.3INCH DISPLAY; ITALY SPEC&EMV & NAVIGATION SYSTEM-12.3INCH DISPLAY; KAZAKHSTAN SPEC&AUDIO-17SPEAKER & RDS&EMV & NAVIGATION SYSTEM-12.3INCH DISPLAY; KAZAKHSTAN SPEC&EMV & NAVIGATION SYSTEM-12.3INCH DISPLAY; NORDIC SPEC&AUDIO-17SPEAKER & RDS&EMV & NAVIGATION SYSTEM-12.3INCH DISPLAY; NORDIC SPEC&EMV & NAVIGATION SYSTEM-12.3INCH DISPLAY; PORTUGAL SPEC&AUDIO-17SPEAKER & RDS&EMV & NAVIGATION SYSTEM-12.3INCH DISPLAY; PORTUGAL SPEC&EMV & NAVIGATION SYSTEM-12.3INCH DISPLAY; ROMANIA,BULGARIA SPEC&AUDIO-17SPEAKER & RDS&EMV & NAVIGATION SYSTEM-12.3INCH DISPLAY; ROMANIA,BULGARIA SPEC&EMV & NAVIGATION SYSTEM-12.3INCH DISPLAY; RUSSIA SPEC&AUDIO-17SPEAKER & RDS&EMV & NAVIGATION SYSTEM-12.3INCH DISPLAY; RUSSIA SPEC&EMV & NAVIGATION SYSTEM-12.3INCH DISPLAY; SPAIN SPEC&AUDIO-17SPEAKER & RDS&EMV & NAVIGATION SYSTEM-12.3INCH DISPLAY; SPAIN SPEC&EMV & NAVIGATION SYSTEM-12.3INCH DISPLAY; SWITZERLAND SPEC&AUDIO-17SPEAKER & RDS&EMV & NAVIGATION SYSTEM-12.3INCH DISPLAY; SWITZERLAND SPEC&EMV & NAVIGATION SYSTEM-12.3INCH DISPLAY; UKRAINE SPEC&AUDIO-17SPEAKER & RDS&EMV & NAVIGATION SYSTEM-12.3INCH DISPLAY; UKRAINE SPEC&EMV & NAVIGATION SYSTEM-12.3INCH DISPLAY; UNITED KINGDOM SPEC&AUDIO-17SPEAKER & RDS&EMV & NAVIGATION SYSTEM-12.3INCH DISPLAY; UNITED KINGDOM SPEC&EMV & NAVIGATION SYSTEM-12.3INCH DISPLAY
main86271-48343iARL10,AWL10,GRL16,GWL10..LHD..STD; ARL10,AWL10,GWL10..LHD; AWL10,GWL10..LHD; AWL10,GWL10..RHD201702-201708
ADRIA(SLOVENIA) SPEC&AUDIO-17SPEAKER & RDS&EMV & NAVIGATION SYSTEM-12.3INCH DISPLAY; ADRIA(SLOVENIA) SPEC&EMV & NAVIGATION SYSTEM-12.3INCH DISPLAY; AUSTRIA SPEC&AUDIO-17SPEAKER & RDS&EMV & NAVIGATION SYSTEM-12.3INCH DISPLAY; AUSTRIA SPEC&EMV & NAVIGATION SYSTEM-12.3INCH DISPLAY; BALTIC SPEC&AUDIO-17SPEAKER & RDS&EMV & NAVIGATION SYSTEM-12.3INCH DISPLAY; BALTIC SPEC&EMV & NAVIGATION SYSTEM-12.3INCH DISPLAY; BELGIUM,NETHERLAND SPEC&AUDIO-17SPEAKER & RDS&EMV & NAVIGATION SYSTEM-12.3INCH DISPLAY; BELGIUM,NETHERLAND SPEC&EMV & NAVIGATION SYSTEM-12.3INCH DISPLAY; CANARY ISLANDS SPEC&AUDIO-17SPEAKER & RDS&EMV & NAVIGATION SYSTEM-12.3INCH DISPLAY; CANARY ISLANDS SPEC&EMV & NAVIGATION SYSTEM-12.3INCH DISPLAY; CYPRUS SPEC&AUDIO-17SPEAKER & RDS&EMV & NAVIGATION SYSTEM-12.3INCH DISPLAY; CYPRUS SPEC&EMV & NAVIGATION SYSTEM-12.3INCH DISPLAY; CZECH,HUNGARY,SLOVAKIA,POLAND SPEC&AUDIO-17SPEAKER & RDS&EMV & NAVIGATION SYSTEM-12.3INCH DISPLAY; CZECH,HUNGARY,SLOVAKIA,POLAND SPEC&EMV & NAVIGATION SYSTEM-12.3INCH DISPLAY; FRANCE SPEC&AUDIO-17SPEAKER & RDS&EMV & NAVIGATION SYSTEM-12.3INCH DISPLAY; FRANCE SPEC&EMV & NAVIGATION SYSTEM-12.3INCH DISPLAY; GEORGIA SPEC&AUDIO-17SPEAKER & RDS&EMV & NAVIGATION SYSTEM-12.3INCH DISPLAY; GEORGIA SPEC&EMV & NAVIGATION SYSTEM-12.3INCH DISPLAY; GERMANY SPEC&AUDIO-17SPEAKER & RDS&EMV & NAVIGATION SYSTEM-12.3INCH DISPLAY; GERMANY SPEC&EMV & NAVIGATION SYSTEM-12.3INCH DISPLAY; GREECE SPEC&AUDIO-17SPEAKER & RDS&EMV & NAVIGATION SYSTEM-12.3INCH DISPLAY; GREECE SPEC&EMV & NAVIGATION SYSTEM-12.3INCH DISPLAY; ICELAND SPEC&AUDIO-17SPEAKER & RDS&EMV & NAVIGATION SYSTEM-12.3INCH DISPLAY; ICELAND SPEC&EMV & NAVIGATION SYSTEM-12.3INCH DISPLAY; IRELAND SPEC&AUDIO-17SPEAKER & RDS&EMV & NAVIGATION SYSTEM-12.3INCH DISPLAY; IRELAND SPEC&EMV & NAVIGATION SYSTEM-12.3INCH DISPLAY; ISRAEL,TURKEY SPEC&AUDIO-17SPEAKER & RDS&EMV & NAVIGATION SYSTEM-12.3INCH DISPLAY; ISRAEL,TURKEY SPEC&EMV & NAVIGATION SYSTEM-12.3INCH DISPLAY; ITALY SPEC&AUDIO-17SPEAKER & RDS&EMV & NAVIGATION SYSTEM-12.3INCH DISPLAY; ITALY SPEC&EMV & NAVIGATION SYSTEM-12.3INCH DISPLAY; KAZAKHSTAN SPEC&AUDIO-17SPEAKER & RDS&EMV & NAVIGATION SYSTEM-12.3INCH DISPLAY; KAZAKHSTAN SPEC&EMV & NAVIGATION SYSTEM-12.3INCH DISPLAY; NORDIC SPEC&AUDIO-17SPEAKER & RDS&EMV & NAVIGATION SYSTEM-12.3INCH DISPLAY; NORDIC SPEC&EMV & NAVIGATION SYSTEM-12.3INCH DISPLAY; PORTUGAL SPEC&AUDIO-17SPEAKER & RDS&EMV & NAVIGATION SYSTEM-12.3INCH DISPLAY; PORTUGAL SPEC&EMV & NAVIGATION SYSTEM-12.3INCH DISPLAY; ROMANIA,BULGARIA SPEC&AUDIO-17SPEAKER & RDS&EMV & NAVIGATION SYSTEM-12.3INCH DISPLAY; ROMANIA,BULGARIA SPEC&EMV & NAVIGATION SYSTEM-12.3INCH DISPLAY; RUSSIA SPEC&AUDIO-17SPEAKER & RDS&EMV & NAVIGATION SYSTEM-12.3INCH DISPLAY; RUSSIA SPEC&EMV & NAVIGATION SYSTEM-12.3INCH DISPLAY; SPAIN SPEC&AUDIO-17SPEAKER & RDS&EMV & NAVIGATION SYSTEM-12.3INCH DISPLAY; SPAIN SPEC&EMV & NAVIGATION SYSTEM-12.3INCH DISPLAY; SWITZERLAND SPEC&AUDIO-17SPEAKER & RDS&EMV & NAVIGATION SYSTEM-12.3INCH DISPLAY; SWITZERLAND SPEC&EMV & NAVIGATION SYSTEM-12.3INCH DISPLAY; UKRAINE SPEC&AUDIO-17SPEAKER & RDS&EMV & NAVIGATION SYSTEM-12.3INCH DISPLAY; UKRAINE SPEC&EMV & NAVIGATION SYSTEM-12.3INCH DISPLAY; UNITED KINGDOM SPEC&AUDIO-17SPEAKER & RDS&EMV & NAVIGATION SYSTEM-12.3INCH DISPLAY; UNITED KINGDOM SPEC&EMV & NAVIGATION SYSTEM-12.3INCH DISPLAY
main86271-48344iARL10,AWL10,GRL16,GWL10..LHD..STD; ARL10,AWL10,GWL10..LHD; AWL10,GWL10..LHD; AWL10,GWL10..RHD201708-201802
ADRIA(SLOVENIA) SPEC&AUDIO-17SPEAKER & RDS&EMV & NAVIGATION SYSTEM-12.3INCH DISPLAY; ADRIA(SLOVENIA) SPEC&EMV & NAVIGATION SYSTEM-12.3INCH DISPLAY; AUSTRIA SPEC&AUDIO-17SPEAKER & RDS&EMV & NAVIGATION SYSTEM-12.3INCH DISPLAY; AUSTRIA SPEC&EMV & NAVIGATION SYSTEM-12.3INCH DISPLAY; BALTIC SPEC&AUDIO-17SPEAKER & RDS&EMV & NAVIGATION SYSTEM-12.3INCH DISPLAY; BALTIC SPEC&EMV & NAVIGATION SYSTEM-12.3INCH DISPLAY; BELGIUM,NETHERLAND SPEC&AUDIO-17SPEAKER & RDS&EMV & NAVIGATION SYSTEM-12.3INCH DISPLAY; BELGIUM,NETHERLAND SPEC&EMV & NAVIGATION SYSTEM-12.3INCH DISPLAY; CANARY ISLANDS SPEC&AUDIO-17SPEAKER & RDS&EMV & NAVIGATION SYSTEM-12.3INCH DISPLAY; CANARY ISLANDS SPEC&EMV & NAVIGATION SYSTEM-12.3INCH DISPLAY; CYPRUS SPEC&AUDIO-17SPEAKER & RDS&EMV & NAVIGATION SYSTEM-12.3INCH DISPLAY; CYPRUS SPEC&EMV & NAVIGATION SYSTEM-12.3INCH DISPLAY; CZECH,HUNGARY,SLOVAKIA,POLAND SPEC&AUDIO-17SPEAKER & RDS&EMV & NAVIGATION SYSTEM-12.3INCH DISPLAY; CZECH,HUNGARY,SLOVAKIA,POLAND SPEC&EMV & NAVIGATION SYSTEM-12.3INCH DISPLAY; FRANCE SPEC&AUDIO-17SPEAKER & RDS&EMV & NAVIGATION SYSTEM-12.3INCH DISPLAY; FRANCE SPEC&EMV & NAVIGATION SYSTEM-12.3INCH DISPLAY; GEORGIA SPEC&AUDIO-17SPEAKER & RDS&EMV & NAVIGATION SYSTEM-12.3INCH DISPLAY; GEORGIA SPEC&EMV & NAVIGATION SYSTEM-12.3INCH DISPLAY; GERMANY SPEC&AUDIO-17SPEAKER & RDS&EMV & NAVIGATION SYSTEM-12.3INCH DISPLAY; GERMANY SPEC&EMV & NAVIGATION SYSTEM-12.3INCH DISPLAY; GREECE SPEC&AUDIO-17SPEAKER & RDS&EMV & NAVIGATION SYSTEM-12.3INCH DISPLAY; GREECE SPEC&EMV & NAVIGATION SYSTEM-12.3INCH DISPLAY; ICELAND SPEC&AUDIO-17SPEAKER & RDS&EMV & NAVIGATION SYSTEM-12.3INCH DISPLAY; ICELAND SPEC&EMV & NAVIGATION SYSTEM-12.3INCH DISPLAY; IRELAND SPEC&AUDIO-17SPEAKER & RDS&EMV & NAVIGATION SYSTEM-12.3INCH DISPLAY; IRELAND SPEC&EMV & NAVIGATION SYSTEM-12.3INCH DISPLAY; ISRAEL,TURKEY SPEC&AUDIO-17SPEAKER & RDS&EMV & NAVIGATION SYSTEM-12.3INCH DISPLAY; ISRAEL,TURKEY SPEC&EMV & NAVIGATION SYSTEM-12.3INCH DISPLAY; ITALY SPEC&AUDIO-17SPEAKER & RDS&EMV & NAVIGATION SYSTEM-12.3INCH DISPLAY; ITALY SPEC&EMV & NAVIGATION SYSTEM-12.3INCH DISPLAY; KAZAKHSTAN SPEC&AUDIO-17SPEAKER & RDS&EMV & NAVIGATION SYSTEM-12.3INCH DISPLAY; KAZAKHSTAN SPEC&EMV & NAVIGATION SYSTEM-12.3INCH DISPLAY; NORDIC SPEC&AUDIO-17SPEAKER & RDS&EMV & NAVIGATION SYSTEM-12.3INCH DISPLAY; NORDIC SPEC&EMV & NAVIGATION SYSTEM-12.3INCH DISPLAY; PORTUGAL SPEC&AUDIO-17SPEAKER & RDS&EMV & NAVIGATION SYSTEM-12.3INCH DISPLAY; PORTUGAL SPEC&EMV & NAVIGATION SYSTEM-12.3INCH DISPLAY; ROMANIA,BULGARIA SPEC&AUDIO-17SPEAKER & RDS&EMV & NAVIGATION SYSTEM-12.3INCH DISPLAY; ROMANIA,BULGARIA SPEC&EMV & NAVIGATION SYSTEM-12.3INCH DISPLAY; RUSSIA SPEC&AUDIO-17SPEAKER & RDS&EMV & NAVIGATION SYSTEM-12.3INCH DISPLAY; RUSSIA SPEC&EMV & NAVIGATION SYSTEM-12.3INCH DISPLAY; SPAIN SPEC&AUDIO-17SPEAKER & RDS&EMV & NAVIGATION SYSTEM-12.3INCH DISPLAY; SPAIN SPEC&EMV & NAVIGATION SYSTEM-12.3INCH DISPLAY; SWITZERLAND SPEC&AUDIO-17SPEAKER & RDS&EMV & NAVIGATION SYSTEM-12.3INCH DISPLAY; SWITZERLAND SPEC&EMV & NAVIGATION SYSTEM-12.3INCH DISPLAY; UKRAINE SPEC&AUDIO-17SPEAKER & RDS&EMV & NAVIGATION SYSTEM-12.3INCH DISPLAY; UKRAINE SPEC&EMV & NAVIGATION SYSTEM-12.3INCH DISPLAY; UNITED KINGDOM SPEC&AUDIO-17SPEAKER & RDS&EMV & NAVIGATION SYSTEM-12.3INCH DISPLAY; UNITED KINGDOM SPEC&EMV & NAVIGATION SYSTEM-12.3INCH DISPLAY
main86271-48345iARL10,AWL10,GRL16,GWL10..LHD..STD; ARL10,AWL10,GWL10..LHD; AWL10,GWL10..LHD; AWL10,GWL10..RHD201802-201807
ADRIA(SLOVENIA) SPEC&AUDIO-17SPEAKER & RDS&EMV & NAVIGATION SYSTEM-12.3INCH DISPLAY; ADRIA(SLOVENIA) SPEC&EMV & NAVIGATION SYSTEM-12.3INCH DISPLAY; AUSTRIA SPEC&AUDIO-17SPEAKER & RDS&EMV & NAVIGATION SYSTEM-12.3INCH DISPLAY; AUSTRIA SPEC&EMV & NAVIGATION SYSTEM-12.3INCH DISPLAY; BALTIC SPEC&AUDIO-17SPEAKER & RDS&EMV & NAVIGATION SYSTEM-12.3INCH DISPLAY; BALTIC SPEC&EMV & NAVIGATION SYSTEM-12.3INCH DISPLAY; BELGIUM,NETHERLAND SPEC&AUDIO-17SPEAKER & RDS&EMV & NAVIGATION SYSTEM-12.3INCH DISPLAY; BELGIUM,NETHERLAND SPEC&EMV & NAVIGATION SYSTEM-12.3INCH DISPLAY; CANARY ISLANDS SPEC&AUDIO-17SPEAKER & RDS&EMV & NAVIGATION SYSTEM-12.3INCH DISPLAY; CANARY ISLANDS SPEC&EMV & NAVIGATION SYSTEM-12.3INCH DISPLAY; CYPRUS SPEC&AUDIO-17SPEAKER & RDS&EMV & NAVIGATION SYSTEM-12.3INCH DISPLAY; CYPRUS SPEC&EMV & NAVIGATION SYSTEM-12.3INCH DISPLAY; CZECH,HUNGARY,SLOVAKIA,POLAND SPEC&AUDIO-17SPEAKER & RDS&EMV & NAVIGATION SYSTEM-12.3INCH DISPLAY; CZECH,HUNGARY,SLOVAKIA,POLAND SPEC&EMV & NAVIGATION SYSTEM-12.3INCH DISPLAY; FRANCE SPEC&AUDIO-17SPEAKER & RDS&EMV & NAVIGATION SYSTEM-12.3INCH DISPLAY; FRANCE SPEC&EMV & NAVIGATION SYSTEM-12.3INCH DISPLAY; GEORGIA SPEC&AUDIO-17SPEAKER & RDS&EMV & NAVIGATION SYSTEM-12.3INCH DISPLAY; GEORGIA SPEC&EMV & NAVIGATION SYSTEM-12.3INCH DISPLAY; GERMANY SPEC&AUDIO-17SPEAKER & RDS&EMV & NAVIGATION SYSTEM-12.3INCH DISPLAY; GERMANY SPEC&EMV & NAVIGATION SYSTEM-12.3INCH DISPLAY; GREECE SPEC&AUDIO-17SPEAKER & RDS&EMV & NAVIGATION SYSTEM-12.3INCH DISPLAY; GREECE SPEC&EMV & NAVIGATION SYSTEM-12.3INCH DISPLAY; ICELAND SPEC&AUDIO-17SPEAKER & RDS&EMV & NAVIGATION SYSTEM-12.3INCH DISPLAY; ICELAND SPEC&EMV & NAVIGATION SYSTEM-12.3INCH DISPLAY; IRELAND SPEC&AUDIO-17SPEAKER & RDS&EMV & NAVIGATION SYSTEM-12.3INCH DISPLAY; IRELAND SPEC&EMV & NAVIGATION SYSTEM-12.3INCH DISPLAY; ISRAEL,TURKEY SPEC&AUDIO-17SPEAKER & RDS&EMV & NAVIGATION SYSTEM-12.3INCH DISPLAY; ISRAEL,TURKEY SPEC&EMV & NAVIGATION SYSTEM-12.3INCH DISPLAY; ITALY SPEC&AUDIO-17SPEAKER & RDS&EMV & NAVIGATION SYSTEM-12.3INCH DISPLAY; ITALY SPEC&EMV & NAVIGATION SYSTEM-12.3INCH DISPLAY; KAZAKHSTAN SPEC&AUDIO-17SPEAKER & RDS&EMV & NAVIGATION SYSTEM-12.3INCH DISPLAY; KAZAKHSTAN SPEC&EMV & NAVIGATION SYSTEM-12.3INCH DISPLAY; NORDIC SPEC&AUDIO-17SPEAKER & RDS&EMV & NAVIGATION SYSTEM-12.3INCH DISPLAY; NORDIC SPEC&EMV & NAVIGATION SYSTEM-12.3INCH DISPLAY; PORTUGAL SPEC&AUDIO-17SPEAKER & RDS&EMV & NAVIGATION SYSTEM-12.3INCH DISPLAY; PORTUGAL SPEC&EMV & NAVIGATION SYSTEM-12.3INCH DISPLAY; ROMANIA,BULGARIA SPEC&AUDIO-17SPEAKER & RDS&EMV & NAVIGATION SYSTEM-12.3INCH DISPLAY; ROMANIA,BULGARIA SPEC&EMV & NAVIGATION SYSTEM-12.3INCH DISPLAY; RUSSIA SPEC&AUDIO-17SPEAKER & RDS&EMV & NAVIGATION SYSTEM-12.3INCH DISPLAY; RUSSIA SPEC&EMV & NAVIGATION SYSTEM-12.3INCH DISPLAY; SPAIN SPEC&AUDIO-17SPEAKER & RDS&EMV & NAVIGATION SYSTEM-12.3INCH DISPLAY; SPAIN SPEC&EMV & NAVIGATION SYSTEM-12.3INCH DISPLAY; SWITZERLAND SPEC&AUDIO-17SPEAKER & RDS&EMV & NAVIGATION SYSTEM-12.3INCH DISPLAY; SWITZERLAND SPEC&EMV & NAVIGATION SYSTEM-12.3INCH DISPLAY; UKRAINE SPEC&AUDIO-17SPEAKER & RDS&EMV & NAVIGATION SYSTEM-12.3INCH DISPLAY; UKRAINE SPEC&EMV & NAVIGATION SYSTEM-12.3INCH DISPLAY; UNITED KINGDOM SPEC&AUDIO-17SPEAKER & RDS&EMV & NAVIGATION SYSTEM-12.3INCH DISPLAY; UNITED KINGDOM SPEC&EMV & NAVIGATION SYSTEM-12.3INCH DISPLAY
main86271-48346iARL10,AWL10,GRL16,GWL10..LHD..STD; ARL10,AWL10,GWL10..LHD; AWL10,GWL10..LHD; AWL10,GWL10..RHD201808-201809
ADRIA(SLOVENIA) SPEC&AUDIO-17SPEAKER & RDS&EMV & NAVIGATION SYSTEM-12.3INCH DISPLAY; ADRIA(SLOVENIA) SPEC&EMV & NAVIGATION SYSTEM-12.3INCH DISPLAY; AUSTRIA SPEC&AUDIO-17SPEAKER & RDS&EMV & NAVIGATION SYSTEM-12.3INCH DISPLAY; AUSTRIA SPEC&EMV & NAVIGATION SYSTEM-12.3INCH DISPLAY; BALTIC SPEC&AUDIO-17SPEAKER & RDS&EMV & NAVIGATION SYSTEM-12.3INCH DISPLAY; BALTIC SPEC&EMV & NAVIGATION SYSTEM-12.3INCH DISPLAY; BELGIUM,NETHERLAND SPEC&AUDIO-17SPEAKER & RDS&EMV & NAVIGATION SYSTEM-12.3INCH DISPLAY; BELGIUM,NETHERLAND SPEC&EMV & NAVIGATION SYSTEM-12.3INCH DISPLAY; CANARY ISLANDS SPEC&AUDIO-17SPEAKER & RDS&EMV & NAVIGATION SYSTEM-12.3INCH DISPLAY; CANARY ISLANDS SPEC&EMV & NAVIGATION SYSTEM-12.3INCH DISPLAY; CYPRUS SPEC&AUDIO-17SPEAKER & RDS&EMV & NAVIGATION SYSTEM-12.3INCH DISPLAY; CYPRUS SPEC&EMV & NAVIGATION SYSTEM-12.3INCH DISPLAY; CZECH,HUNGARY,SLOVAKIA,POLAND SPEC&AUDIO-17SPEAKER & RDS&EMV & NAVIGATION SYSTEM-12.3INCH DISPLAY; CZECH,HUNGARY,SLOVAKIA,POLAND SPEC&EMV & NAVIGATION SYSTEM-12.3INCH DISPLAY; FRANCE SPEC&AUDIO-17SPEAKER & RDS&EMV & NAVIGATION SYSTEM-12.3INCH DISPLAY; FRANCE SPEC&EMV & NAVIGATION SYSTEM-12.3INCH DISPLAY; GEORGIA SPEC&AUDIO-17SPEAKER & RDS&EMV & NAVIGATION SYSTEM-12.3INCH DISPLAY; GEORGIA SPEC&EMV & NAVIGATION SYSTEM-12.3INCH DISPLAY; GERMANY SPEC&AUDIO-17SPEAKER & RDS&EMV & NAVIGATION SYSTEM-12.3INCH DISPLAY; GERMANY SPEC&EMV & NAVIGATION SYSTEM-12.3INCH DISPLAY; GREECE SPEC&AUDIO-17SPEAKER & RDS&EMV & NAVIGATION SYSTEM-12.3INCH DISPLAY; GREECE SPEC&EMV & NAVIGATION SYSTEM-12.3INCH DISPLAY; ICELAND SPEC&AUDIO-17SPEAKER & RDS&EMV & NAVIGATION SYSTEM-12.3INCH DISPLAY; ICELAND SPEC&EMV & NAVIGATION SYSTEM-12.3INCH DISPLAY; IRELAND SPEC&AUDIO-17SPEAKER & RDS&EMV & NAVIGATION SYSTEM-12.3INCH DISPLAY; IRELAND SPEC&EMV & NAVIGATION SYSTEM-12.3INCH DISPLAY; ISRAEL,TURKEY SPEC&AUDIO-17SPEAKER & RDS&EMV & NAVIGATION SYSTEM-12.3INCH DISPLAY; ISRAEL,TURKEY SPEC&EMV & NAVIGATION SYSTEM-12.3INCH DISPLAY; ITALY SPEC&AUDIO-17SPEAKER & RDS&EMV & NAVIGATION SYSTEM-12.3INCH DISPLAY; ITALY SPEC&EMV & NAVIGATION SYSTEM-12.3INCH DISPLAY; KAZAKHSTAN SPEC&AUDIO-17SPEAKER & RDS&EMV & NAVIGATION SYSTEM-12.3INCH DISPLAY; KAZAKHSTAN SPEC&EMV & NAVIGATION SYSTEM-12.3INCH DISPLAY; NORDIC SPEC&AUDIO-17SPEAKER & RDS&EMV & NAVIGATION SYSTEM-12.3INCH DISPLAY; NORDIC SPEC&EMV & NAVIGATION SYSTEM-12.3INCH DISPLAY; PORTUGAL SPEC&AUDIO-17SPEAKER & RDS&EMV & NAVIGATION SYSTEM-12.3INCH DISPLAY; PORTUGAL SPEC&EMV & NAVIGATION SYSTEM-12.3INCH DISPLAY; ROMANIA,BULGARIA SPEC&AUDIO-17SPEAKER & RDS&EMV & NAVIGATION SYSTEM-12.3INCH DISPLAY; ROMANIA,BULGARIA SPEC&EMV & NAVIGATION SYSTEM-12.3INCH DISPLAY; RUSSIA SPEC&AUDIO-17SPEAKER & RDS&EMV & NAVIGATION SYSTEM-12.3INCH DISPLAY; RUSSIA SPEC&EMV & NAVIGATION SYSTEM-12.3INCH DISPLAY; SPAIN SPEC&AUDIO-17SPEAKER & RDS&EMV & NAVIGATION SYSTEM-12.3INCH DISPLAY; SPAIN SPEC&EMV & NAVIGATION SYSTEM-12.3INCH DISPLAY; SWITZERLAND SPEC&AUDIO-17SPEAKER & RDS&EMV & NAVIGATION SYSTEM-12.3INCH DISPLAY; SWITZERLAND SPEC&EMV & NAVIGATION SYSTEM-12.3INCH DISPLAY; UKRAINE SPEC&AUDIO-17SPEAKER & RDS&EMV & NAVIGATION SYSTEM-12.3INCH DISPLAY; UKRAINE SPEC&EMV & NAVIGATION SYSTEM-12.3INCH DISPLAY; UNITED KINGDOM SPEC&AUDIO-17SPEAKER & RDS&EMV & NAVIGATION SYSTEM-12.3INCH DISPLAY; UNITED KINGDOM SPEC&EMV & NAVIGATION SYSTEM-12.3INCH DISPLAY
TURKEY SPEC&AUDIO-17SPEAKER & RDS&EMV & NAVIGATION SYSTEM-12.3INCH DISPLAY; TURKEY SPEC&EMV & NAVIGATION SYSTEM-12.3INCH DISPLAY
TURKEY SPEC&AUDIO-17SPEAKER & RDS&EMV & NAVIGATION SYSTEM-12.3INCH DISPLAY; TURKEY SPEC&EMV & NAVIGATION SYSTEM-12.3INCH DISPLAY
TURKEY SPEC&AUDIO-17SPEAKER & RDS&EMV & NAVIGATION SYSTEM-12.3INCH DISPLAY; TURKEY SPEC&EMV & NAVIGATION SYSTEM-12.3INCH DISPLAY
TURKEY SPEC&AUDIO-17SPEAKER & RDS&EMV & NAVIGATION SYSTEM-12.3INCH DISPLAY; TURKEY SPEC&EMV & NAVIGATION SYSTEM-12.3INCH DISPLAY
TURKEY SPEC&AUDIO-17SPEAKER & RDS&EMV & NAVIGATION SYSTEM-12.3INCH DISPLAY; TURKEY SPEC&EMV & NAVIGATION SYSTEM-12.3INCH DISPLAY
86271LHARD DISC
ADRIA(SLOVENIA) SPEC&EMV & NAVIGATION SYSTEM-8INCH DISPLAY; ANDORRA SPEC&EMV & NAVIGATION SYSTEM-8INCH DISPLAY; AUSTRIA SPEC&EMV & NAVIGATION SYSTEM-8INCH DISPLAY; BALTIC SPEC&EMV & NAVIGATION SYSTEM-8INCH DISPLAY; BENELUX SPEC&EMV & NAVIGATION SYSTEM-8INCH DISPLAY; CANARY ISLANDS SPEC&EMV & NAVIGATION SYSTEM-8INCH DISPLAY; CROATIA SPEC&EMV & NAVIGATION SYSTEM-8INCH DISPLAY; CZECH,HUNGARY,SLOVAKIA,POLAND SPEC&EMV & NAVIGATION SYSTEM-8INCH DISPLAY; FRANCE SPEC&EMV & NAVIGATION SYSTEM-8INCH DISPLAY; GERMANY SPEC&EMV & NAVIGATION SYSTEM-8INCH DISPLAY; GREECE SPEC&EMV & NAVIGATION SYSTEM-8INCH DISPLAY; ICELAND SPEC&EMV & NAVIGATION SYSTEM-8INCH DISPLAY; IRELAND SPEC&EMV & NAVIGATION SYSTEM-8INCH DISPLAY; ITALY SPEC&EMV & NAVIGATION SYSTEM-8INCH DISPLAY; MONACO SPEC&EMV & NAVIGATION SYSTEM-8INCH DISPLAY; NORDIC SPEC&EMV & NAVIGATION SYSTEM-8INCH DISPLAY; PORTUGAL SPEC&EMV & NAVIGATION SYSTEM-8INCH DISPLAY; ROMANIA,BULGARIA SPEC&EMV & NAVIGATION SYSTEM-8INCH DISPLAY; SPAIN SPEC&EMV & NAVIGATION SYSTEM-8INCH DISPLAY; SWITZERLAND SPEC&EMV & NAVIGATION SYSTEM-8INCH DISPLAY; UNITED KINGDOM SPEC&EMV & NAVIGATION SYSTEM-8INCH DISPLAY
main86271-30712iGRL1#,GWL10..LHD..STD; GRL11,GWL10..LHD; GRL11,GWL10..LHD..STD; GRL11,GWL10..RHD201207-201301
ADRIA(SLOVENIA) SPEC&EMV & NAVIGATION SYSTEM-12.3INCH DISPLAY; ADRIA(SLOVENIA) SPEC&EMV & NAVIGATION SYSTEM-8INCH DISPLAY; ANDORRA SPEC&EMV & NAVIGATION SYSTEM-12.3INCH DISPLAY; ANDORRA SPEC&EMV & NAVIGATION SYSTEM-8INCH DISPLAY; AUSTRIA SPEC&EMV & NAVIGATION SYSTEM-12.3INCH DISPLAY; AUSTRIA SPEC&EMV & NAVIGATION SYSTEM-8INCH DISPLAY; BALTIC SPEC&EMV & NAVIGATION SYSTEM-12.3INCH DISPLAY; BALTIC SPEC&EMV & NAVIGATION SYSTEM-8INCH DISPLAY; BENELUX SPEC&EMV & NAVIGATION SYSTEM-12.3INCH DISPLAY; BENELUX SPEC&EMV & NAVIGATION SYSTEM-8INCH DISPLAY; CANARY ISLANDS SPEC&EMV & NAVIGATION SYSTEM-12.3INCH DISPLAY; CANARY ISLANDS SPEC&EMV & NAVIGATION SYSTEM-8INCH DISPLAY; CROATIA SPEC&EMV & NAVIGATION SYSTEM-12.3INCH DISPLAY; CROATIA SPEC&EMV & NAVIGATION SYSTEM-8INCH DISPLAY; CYPRUS SPEC&EMV & NAVIGATION SYSTEM-12.3INCH DISPLAY; CZECH,HUNGARY,SLOVAKIA,POLAND SPEC&EMV & NAVIGATION SYSTEM-12.3INCH DISPLAY; CZECH,HUNGARY,SLOVAKIA,POLAND SPEC&EMV & NAVIGATION SYSTEM-8INCH DISPLAY; FRANCE SPEC&EMV & NAVIGATION SYSTEM-12.3INCH DISPLAY; FRANCE SPEC&EMV & NAVIGATION SYSTEM-8INCH DISPLAY; GEORGIA SPEC&EMV & NAVIGATION SYSTEM-12.3INCH DISPLAY; GERMANY SPEC&EMV & NAVIGATION SYSTEM-12.3INCH DISPLAY; GERMANY SPEC&EMV & NAVIGATION SYSTEM-8INCH DISPLAY; GREECE SPEC&EMV & NAVIGATION SYSTEM-12.3INCH DISPLAY; GREECE SPEC&EMV & NAVIGATION SYSTEM-8INCH DISPLAY; ICELAND SPEC&EMV & NAVIGATION SYSTEM-12.3INCH DISPLAY; ICELAND SPEC&EMV & NAVIGATION SYSTEM-8INCH DISPLAY; IRELAND SPEC&EMV & NAVIGATION SYSTEM-12.3INCH DISPLAY; IRELAND SPEC&EMV & NAVIGATION SYSTEM-8INCH DISPLAY; ISRAEL SPEC&EMV & NAVIGATION SYSTEM-12.3INCH DISPLAY; ITALY SPEC&EMV & NAVIGATION SYSTEM-12.3INCH DISPLAY; ITALY SPEC&EMV & NAVIGATION SYSTEM-8INCH DISPLAY; KAZAKHSTAN SPEC&EMV & NAVIGATION SYSTEM-12.3INCH DISPLAY; MONACO SPEC&EMV & NAVIGATION SYSTEM-12.3INCH DISPLAY; MONACO SPEC&EMV & NAVIGATION SYSTEM-8INCH DISPLAY; NORDIC SPEC&EMV & NAVIGATION SYSTEM-12.3INCH DISPLAY; NORDIC SPEC&EMV & NAVIGATION SYSTEM-8INCH DISPLAY; PORTUGAL SPEC&EMV & NAVIGATION SYSTEM-12.3INCH DISPLAY; PORTUGAL SPEC&EMV & NAVIGATION SYSTEM-8INCH DISPLAY; ROMANIA,BULGARIA SPEC&EMV & NAVIGATION SYSTEM-12.3INCH DISPLAY; ROMANIA,BULGARIA SPEC&EMV & NAVIGATION SYSTEM-8INCH DISPLAY; RUSSIA SPEC&EMV & NAVIGATION SYSTEM-12.3INCH DISPLAY; RUSSIA SPEC&EMV & NAVIGATION SYSTEM-8INCH DISPLAY; SPAIN SPEC&EMV & NAVIGATION SYSTEM-12.3INCH DISPLAY; SPAIN SPEC&EMV & NAVIGATION SYSTEM-8INCH DISPLAY; SWITZERLAND SPEC&EMV & NAVIGATION SYSTEM-12.3INCH DISPLAY; SWITZERLAND SPEC&EMV & NAVIGATION SYSTEM-8INCH DISPLAY; UKRAINE SPEC&EMV & NAVIGATION SYSTEM-12.3INCH DISPLAY; UKRAINE SPEC&EMV & NAVIGATION SYSTEM-8INCH DISPLAY; UNITED KINGDOM SPEC&EMV & NAVIGATION SYSTEM-12.3INCH DISPLAY; UNITED KINGDOM SPEC&EMV & NAVIGATION SYSTEM-8INCH DISPLAY
main86271-30713iGRL1#,GWL10..LHD..STD; GRL11,GWL10..LHD; GRL11,GWL10..LHD..STD; GRL11,GWL10..RHD201302-201309
ADRIA(SLOVENIA) SPEC&EMV & NAVIGATION SYSTEM-8INCH DISPLAY; ANDORRA SPEC&EMV & NAVIGATION SYSTEM-8INCH DISPLAY; AUSTRIA SPEC&EMV & NAVIGATION SYSTEM-8INCH DISPLAY; BALTIC SPEC&EMV & NAVIGATION SYSTEM-8INCH DISPLAY; BENELUX SPEC&EMV & NAVIGATION SYSTEM-8INCH DISPLAY; CANARY ISLANDS SPEC&EMV & NAVIGATION SYSTEM-8INCH DISPLAY; CROATIA SPEC&EMV & NAVIGATION SYSTEM-8INCH DISPLAY; CZECH,HUNGARY,SLOVAKIA,POLAND SPEC&EMV & NAVIGATION SYSTEM-8INCH DISPLAY; FRANCE SPEC&EMV & NAVIGATION SYSTEM-8INCH DISPLAY; GERMANY SPEC&EMV & NAVIGATION SYSTEM-8INCH DISPLAY; GREECE SPEC&EMV & NAVIGATION SYSTEM-8INCH DISPLAY; ICELAND SPEC&EMV & NAVIGATION SYSTEM-8INCH DISPLAY; IRELAND SPEC&EMV & NAVIGATION SYSTEM-8INCH DISPLAY; ITALY SPEC&EMV & NAVIGATION SYSTEM-8INCH DISPLAY; MONACO SPEC&EMV & NAVIGATION SYSTEM-8INCH DISPLAY; NORDIC SPEC&EMV & NAVIGATION SYSTEM-8INCH DISPLAY; PORTUGAL SPEC&EMV & NAVIGATION SYSTEM-8INCH DISPLAY; ROMANIA,BULGARIA SPEC&EMV & NAVIGATION SYSTEM-8INCH DISPLAY; RUSSIA SPEC&EMV & NAVIGATION SYSTEM-8INCH DISPLAY; SPAIN SPEC&EMV & NAVIGATION SYSTEM-8INCH DISPLAY; SWITZERLAND SPEC&EMV & NAVIGATION SYSTEM-8INCH DISPLAY; UKRAINE SPEC&EMV & NAVIGATION SYSTEM-8INCH DISPLAY; UNITED KINGDOM SPEC&EMV & NAVIGATION SYSTEM-8INCH DISPLAY
main86271-30714iAWL10,GRL1#,GWL10..LHD..STD; AWL10,GRL11,GWL10..LHD; AWL10,GRL11,GWL10..LHD..STD; AWL10,GRL11,GWL10..RHD201309-201312
ADRIA(SLOVENIA) SPEC&AUDIO-17SPEAKER & *MAR & NAVIGATION&EMV & NAVIGATION SYSTEM-12.3INCH DISPLAY; ADRIA(SLOVENIA) SPEC&EMV & NAVIGATION SYSTEM-12.3INCH DISPLAY; ANDORRA SPEC&AUDIO-17SPEAKER & *MAR & NAVIGATION&EMV & NAVIGATION SYSTEM-12.3INCHDISPLAY; ANDORRA SPEC&EMV & NAVIGATION SYSTEM-12.3INCH DISPLAY; AUSTRIA SPEC&AUDIO-17SPEAKER & *MAR & NAVIGATION&EMV & NAVIGATION SYSTEM-12.3INCHDISPLAY; AUSTRIA SPEC&EMV & NAVIGATION SYSTEM-12.3INCH DISPLAY; BALTIC SPEC&AUDIO-17SPEAKER & *MAR & NAVIGATION&EMV & NAVIGATION SYSTEM-12.3INCH DISPLAY; BALTIC SPEC&EMV & NAVIGATION SYSTEM-12.3INCH DISPLAY; BENELUX SPEC&AUDIO-17SPEAKER & *MAR & NAVIGATION&EMV & NAVIGATION SYSTEM-12.3INCHDISPLAY; BENELUX SPEC&EMV & NAVIGATION SYSTEM-12.3INCH DISPLAY; CANARY ISLANDS SPEC&AUDIO-17SPEAKER & *MAR & NAVIGATION&EMV & NAVIGATION SYSTEM-12.3INCH DISPLAY; CANARY ISLANDS SPEC&EMV & NAVIGATION SYSTEM-12.3INCH DISPLAY; CROATIA SPEC&AUDIO-17SPEAKER & *MAR & NAVIGATION&EMV & NAVIGATION SYSTEM-12.3INCHDISPLAY; CROATIA SPEC&EMV & NAVIGATION SYSTEM-12.3INCH DISPLAY; CYPRUS SPEC&AUDIO-17SPEAKER & *MAR & NAVIGATION&EMV & NAVIGATION SYSTEM-12.3INCH DISPLAY; CYPRUS SPEC&EMV & NAVIGATION SYSTEM-12.3INCH DISPLAY; CZECH,HUNGARY,SLOVAKIA,POLAND SPEC&AUDIO-17SPEAKER & *MAR & NAVIGATION&EMV & NAVIGATION SYSTEM-12.3INCH DISPLAY; CZECH,HUNGARY,SLOVAKIA,POLAND SPEC&EMV & NAVIGATION SYSTEM-12.3INCH DISPLAY; FRANCE SPEC&AUDIO-17SPEAKER & *MAR & NAVIGATION&EMV & NAVIGATION SYSTEM-12.3INCH DISPLAY; FRANCE SPEC&EMV & NAVIGATION SYSTEM-12.3INCH DISPLAY; GEORGIA SPEC&AUDIO-17SPEAKER & *MAR & NAVIGATION&EMV & NAVIGATION SYSTEM-12.3INCHDISPLAY; GEORGIA SPEC&EMV & NAVIGATION SYSTEM-12.3INCH DISPLAY; GERMANY SPEC&AUDIO-17SPEAKER & *MAR & NAVIGATION&EMV & NAVIGATION SYSTEM-12.3INCHDISPLAY; GERMANY SPEC&EMV & NAVIGATION SYSTEM-12.3INCH DISPLAY; GREECE SPEC&AUDIO-17SPEAKER & *MAR & NAVIGATION&EMV & NAVIGATION SYSTEM-12.3INCH DISPLAY; GREECE SPEC&EMV & NAVIGATION SYSTEM-12.3INCH DISPLAY; ICELAND SPEC&AUDIO-17SPEAKER & *MAR & NAVIGATION&EMV & NAVIGATION SYSTEM-12.3INCHDISPLAY; ICELAND SPEC&EMV & NAVIGATION SYSTEM-12.3INCH DISPLAY; IRELAND SPEC&AUDIO-17SPEAKER & *MAR & NAVIGATION&EMV & NAVIGATION SYSTEM-12.3INCHDISPLAY; IRELAND SPEC&EMV & NAVIGATION SYSTEM-12.3INCH DISPLAY; ISRAEL SPEC&AUDIO-17SPEAKER & *MAR & NAVIGATION&EMV & NAVIGATION SYSTEM-12.3INCH DISPLAY; ISRAEL SPEC&EMV & NAVIGATION SYSTEM-12.3INCH DISPLAY; ITALY SPEC&AUDIO-17SPEAKER & *MAR & NAVIGATION&EMV & NAVIGATION SYSTEM-12.3INCH DISPLAY; ITALY SPEC&EMV & NAVIGATION SYSTEM-12.3INCH DISPLAY; KAZAKHSTAN SPEC&AUDIO-17SPEAKER & *MAR & NAVIGATION&EMV & NAVIGATION SYSTEM-12.3INCH DISPLAY; KAZAKHSTAN SPEC&EMV & NAVIGATION SYSTEM-12.3INCH DISPLAY; MONACO SPEC&AUDIO-17SPEAKER & *MAR & NAVIGATION&EMV & NAVIGATION SYSTEM-12.3INCH DISPLAY; MONACO SPEC&EMV & NAVIGATION SYSTEM-12.3INCH DISPLAY; NORDIC SPEC&AUDIO-17SPEAKER & *MAR & NAVIGATION&EMV & NAVIGATION SYSTEM-12.3INCH DISPLAY; NORDIC SPEC&EMV & NAVIGATION SYSTEM-12.3INCH DISPLAY; PORTUGAL SPEC&AUDIO-17SPEAKER & *MAR & NAVIGATION&EMV & NAVIGATION SYSTEM-12.3INCHDISPLAY; PORTUGAL SPEC&EMV & NAVIGATION SYSTEM-12.3INCH DISPLAY; ROMANIA,BULGARIA SPEC&AUDIO-17SPEAKER & *MAR & NAVIGATION&EMV & NAVIGATION SYSTEM-12.3INCH DISPLAY; ROMANIA,BULGARIA SPEC&EMV & NAVIGATION SYSTEM-12.3INCH DISPLAY; RUSSIA SPEC&AUDIO-17SPEAKER & *MAR & NAVIGATION&EMV & NAVIGATION SYSTEM-12.3INCH DISPLAY; RUSSIA SPEC&EMV & NAVIGATION SYSTEM-12.3INCH DISPLAY; SPAIN SPEC&AUDIO-17SPEAKER & *MAR & NAVIGATION&EMV & NAVIGATION SYSTEM-12.3INCH DISPLAY; SPAIN SPEC&EMV & NAVIGATION SYSTEM-12.3INCH DISPLAY; SWITZERLAND SPEC&AUDIO-17SPEAKER & *MAR & NAVIGATION&EMV & NAVIGATION SYSTEM-12.3INCH DISPLAY; SWITZERLAND SPEC&EMV & NAVIGATION SYSTEM-12.3INCH DISPLAY; UKRAINE SPEC&AUDIO-17SPEAKER & *MAR & NAVIGATION&EMV & NAVIGATION SYSTEM-12.3INCHDISPLAY; UKRAINE SPEC&EMV & NAVIGATION SYSTEM-12.3INCH DISPLAY; UNITED KINGDOM SPEC&AUDIO-17SPEAKER & *MAR & NAVIGATION&EMV & NAVIGATION SYSTEM-12.3INCH DISPLAY; UNITED KINGDOM SPEC&EMV & NAVIGATION SYSTEM-12.3INCH DISPLAY
main86271-30715iAWL10,GRL1#,GWL10..LHD..STD; AWL10,GRL11,GWL10..LHD; AWL10,GRL11,GWL10..LHD..STD; AWL10,GRL11,GWL10..RHD201401-201409
ADRIA(SLOVENIA) SPEC&AUDIO-17SPEAKER & *MAR & NAVIGATION&EMV & NAVIGATION SYSTEM-12.3INCH DISPLAY; ADRIA(SLOVENIA) SPEC&EMV & NAVIGATION SYSTEM-12.3INCH DISPLAY; ANDORRA SPEC&AUDIO-17SPEAKER & *MAR & NAVIGATION&EMV & NAVIGATION SYSTEM-12.3INCHDISPLAY; ANDORRA SPEC&EMV & NAVIGATION SYSTEM-12.3INCH DISPLAY; AUSTRIA SPEC&AUDIO-17SPEAKER & *MAR & NAVIGATION&EMV & NAVIGATION SYSTEM-12.3INCHDISPLAY; AUSTRIA SPEC&EMV & NAVIGATION SYSTEM-12.3INCH DISPLAY; BALTIC SPEC&AUDIO-17SPEAKER & *MAR & NAVIGATION&EMV & NAVIGATION SYSTEM-12.3INCH DISPLAY; BALTIC SPEC&EMV & NAVIGATION SYSTEM-12.3INCH DISPLAY; BENELUX SPEC&AUDIO-17SPEAKER & *MAR & NAVIGATION&EMV & NAVIGATION SYSTEM-12.3INCHDISPLAY; BENELUX SPEC&EMV & NAVIGATION SYSTEM-12.3INCH DISPLAY; CANARY ISLANDS SPEC&AUDIO-17SPEAKER & *MAR & NAVIGATION&EMV & NAVIGATION SYSTEM-12.3INCH DISPLAY; CANARY ISLANDS SPEC&EMV & NAVIGATION SYSTEM-12.3INCH DISPLAY; CROATIA SPEC&AUDIO-17SPEAKER & *MAR & NAVIGATION&EMV & NAVIGATION SYSTEM-12.3INCHDISPLAY; CROATIA SPEC&EMV & NAVIGATION SYSTEM-12.3INCH DISPLAY; CYPRUS SPEC&AUDIO-17SPEAKER & *MAR & NAVIGATION&EMV & NAVIGATION SYSTEM-12.3INCH DISPLAY; CYPRUS SPEC&EMV & NAVIGATION SYSTEM-12.3INCH DISPLAY; CZECH,HUNGARY,SLOVAKIA,POLAND SPEC&AUDIO-17SPEAKER & *MAR & NAVIGATION&EMV & NAVIGATION SYSTEM-12.3INCH DISPLAY; CZECH,HUNGARY,SLOVAKIA,POLAND SPEC&EMV & NAVIGATION SYSTEM-12.3INCH DISPLAY; FRANCE SPEC&AUDIO-17SPEAKER & *MAR & NAVIGATION&EMV & NAVIGATION SYSTEM-12.3INCH DISPLAY; FRANCE SPEC&EMV & NAVIGATION SYSTEM-12.3INCH DISPLAY; GEORGIA SPEC&AUDIO-17SPEAKER & *MAR & NAVIGATION&EMV & NAVIGATION SYSTEM-12.3INCHDISPLAY; GEORGIA SPEC&EMV & NAVIGATION SYSTEM-12.3INCH DISPLAY; GERMANY SPEC&AUDIO-17SPEAKER & *MAR & NAVIGATION&EMV & NAVIGATION SYSTEM-12.3INCHDISPLAY; GERMANY SPEC&EMV & NAVIGATION SYSTEM-12.3INCH DISPLAY; GREECE SPEC&AUDIO-17SPEAKER & *MAR & NAVIGATION&EMV & NAVIGATION SYSTEM-12.3INCH DISPLAY; GREECE SPEC&EMV & NAVIGATION SYSTEM-12.3INCH DISPLAY; ICELAND SPEC&AUDIO-17SPEAKER & *MAR & NAVIGATION&EMV & NAVIGATION SYSTEM-12.3INCHDISPLAY; ICELAND SPEC&EMV & NAVIGATION SYSTEM-12.3INCH DISPLAY; IRELAND SPEC&AUDIO-17SPEAKER & *MAR & NAVIGATION&EMV & NAVIGATION SYSTEM-12.3INCHDISPLAY; IRELAND SPEC&EMV & NAVIGATION SYSTEM-12.3INCH DISPLAY; ISRAEL SPEC&AUDIO-17SPEAKER & *MAR & NAVIGATION&EMV & NAVIGATION SYSTEM-12.3INCH DISPLAY; ISRAEL SPEC&EMV & NAVIGATION SYSTEM-12.3INCH DISPLAY; ITALY SPEC&AUDIO-17SPEAKER & *MAR & NAVIGATION&EMV & NAVIGATION SYSTEM-12.3INCH DISPLAY; ITALY SPEC&EMV & NAVIGATION SYSTEM-12.3INCH DISPLAY; KAZAKHSTAN SPEC&AUDIO-17SPEAKER & *MAR & NAVIGATION&EMV & NAVIGATION SYSTEM-12.3INCH DISPLAY; KAZAKHSTAN SPEC&EMV & NAVIGATION SYSTEM-12.3INCH DISPLAY; MONACO SPEC&AUDIO-17SPEAKER & *MAR & NAVIGATION&EMV & NAVIGATION SYSTEM-12.3INCH DISPLAY; MONACO SPEC&EMV & NAVIGATION SYSTEM-12.3INCH DISPLAY; NORDIC SPEC&AUDIO-17SPEAKER & *MAR & NAVIGATION&EMV & NAVIGATION SYSTEM-12.3INCH DISPLAY; NORDIC SPEC&EMV & NAVIGATION SYSTEM-12.3INCH DISPLAY; PORTUGAL SPEC&AUDIO-17SPEAKER & *MAR & NAVIGATION&EMV & NAVIGATION SYSTEM-12.3INCHDISPLAY; PORTUGAL SPEC&EMV & NAVIGATION SYSTEM-12.3INCH DISPLAY; ROMANIA,BULGARIA SPEC&AUDIO-17SPEAKER & *MAR & NAVIGATION&EMV & NAVIGATION SYSTEM-12.3INCH DISPLAY; ROMANIA,BULGARIA SPEC&EMV & NAVIGATION SYSTEM-12.3INCH DISPLAY; RUSSIA SPEC&AUDIO-17SPEAKER & *MAR & NAVIGATION&EMV & NAVIGATION SYSTEM-12.3INCH DISPLAY; RUSSIA SPEC&EMV & NAVIGATION SYSTEM-12.3INCH DISPLAY; SPAIN SPEC&AUDIO-17SPEAKER & *MAR & NAVIGATION&EMV & NAVIGATION SYSTEM-12.3INCH DISPLAY; SPAIN SPEC&EMV & NAVIGATION SYSTEM-12.3INCH DISPLAY; SWITZERLAND SPEC&AUDIO-17SPEAKER & *MAR & NAVIGATION&EMV & NAVIGATION SYSTEM-12.3INCH DISPLAY; SWITZERLAND SPEC&EMV & NAVIGATION SYSTEM-12.3INCH DISPLAY; UKRAINE SPEC&AUDIO-17SPEAKER & *MAR & NAVIGATION&EMV & NAVIGATION SYSTEM-12.3INCHDISPLAY; UKRAINE SPEC&EMV & NAVIGATION SYSTEM-12.3INCH DISPLAY; UNITED KINGDOM SPEC&AUDIO-17SPEAKER & *MAR & NAVIGATION&EMV & NAVIGATION SYSTEM-12.3INCH DISPLAY; UNITED KINGDOM SPEC&EMV & NAVIGATION SYSTEM-12.3INCH DISPLAY
86730AMICROPHONE ASSY, TELEPHONE
86860ANTENNA ASSY, NAVIGATION
89279QCOVER
LT.GRAY NO.831,TRIM0#,1#,2#,3#,5#,6#; LT.GRAY NO.831,TRIM0#,1#,2#,6#
LT.GRAY NO.831,TRIM0#,1#,2#,3#,5#,6#; LT.GRAY NO.831,TRIM0#,1#,2#,6#
5553930260COVER, SPARE SWITCH HOLE
main55539-30260
9009900262
main90099-00262
9015950327
main90159-50327
9167380616
main91673-80616
9331513008
main93315-13008
22 parts on this diagram · 4 diagrams in section