E
EPC Data
Pricing
Sign In
Home
›
EU
›
331250
›
TRANSAXLE OR TRANSMISSION ASSY & GASKET KIT (ATM)
TRANSAXLE OR TRANSMISSION ASSY & GASKET KIT (ATM)
0001 1
0002 1
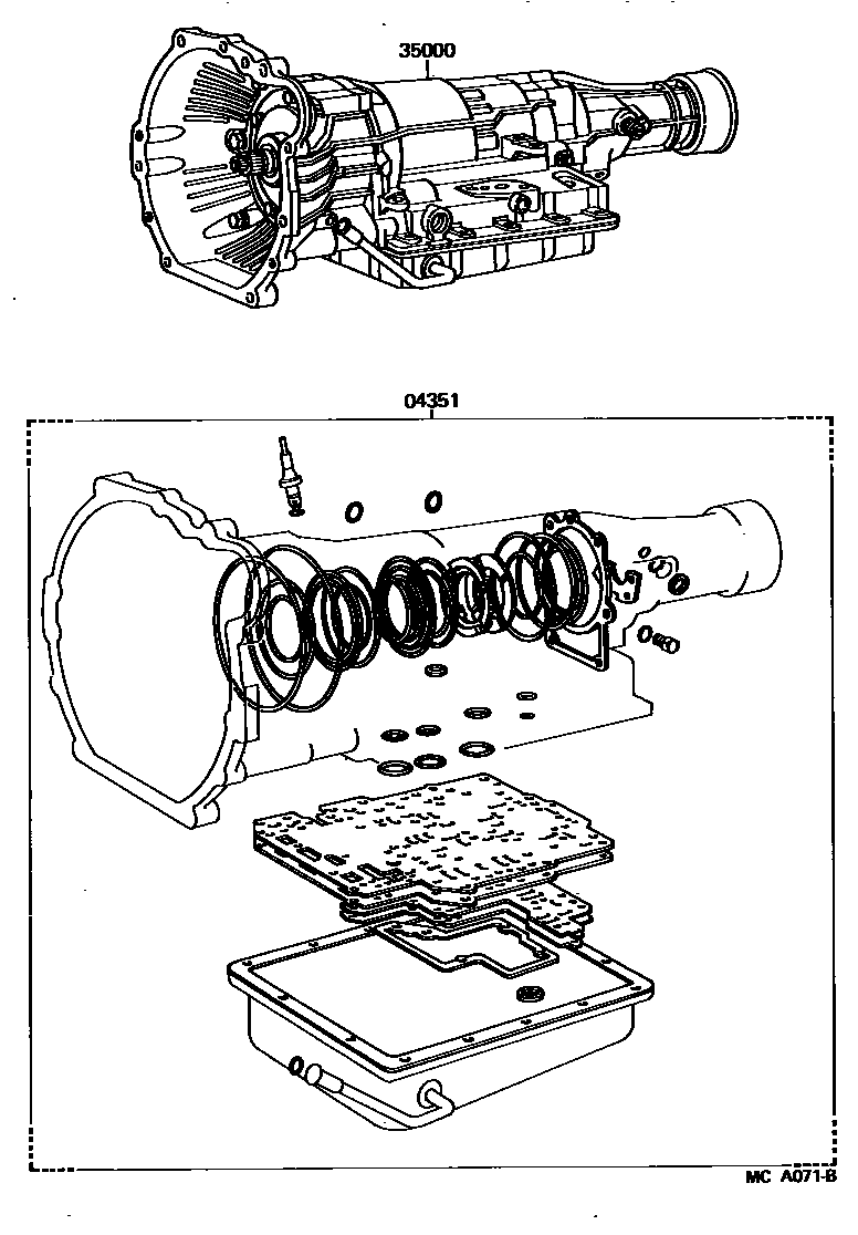
04351
GASKET KIT, AUTOMATIC TRANSMISSION OVERHAUL
main
04351-14014
i
MS12#..ATM..(GEN,SAA)
198308-198409
main
04351-14015
i
MS122,123..ATM..(GEN,SAA)
198409-198506
main
04351-14030
i
MS122..ATM
198506-198708
main
04351-30074
i
MS123..ARL,SWZ
198308-198409
main
04351-30075
i
MS123..ARL,SWZ
198409-198505
main
04351-30084
i
MS123..4FC..EUG
198308-198408
main
04351-30085
i
MS123..4FC..EUG
198408-198505
main
04351-30091
i
MS125
198410-198608
main
04351-30092
i
MS125
198608-198610
main
04351-30093
i
MS125
198610-198708
main
04351-30110
i
MS123..ARL,SWZ
198505-198509
main
04351-30120
i
MS123
198509-198708
35000
TRANSMISSION ASSY, AUTOMATIC
main
35000-3A100
i
MS123..ARL
198308-198509
main
35000-3A120
i
MS123..SWZ
198308-198509
main
35000-3A140
i
MS122..SED..ATM
198308-198708
main
35000-3A150
i
MS123..RHD..GEN
198308-198410
main
35000-3A190
i
MS123..4FC..EUG
198308-198509
main
35000-3A200
i
MS123..4FC..EUG
198308-198509
W/ESC
main
35000-3A220
i
MS123..LHD..ROY
198308-198410
main
35000-3A240
i
MS125..RHD
198410-198601
main
35000-3A260
i
MS125..LHD
198410-198708
main
35000-3A290
i
MS122..HT..4FC
198509-198708
main
35000-3A300
i
MS123
198509-198708
main
35000-3A900
i
MS125..RHD
198601-198708
2 parts on this diagram · 2 diagrams in section
TRANSAXLE OR TRANSMISSION ASSY & GASKET KIT (ATM) — Toyota Parts Diagram with OEM Numbers & Prices | EPC Data