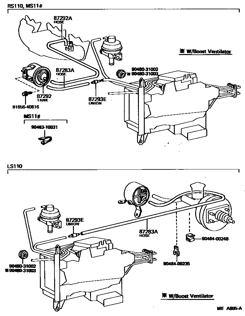
HEATING & AIR CONDITIONING - VACUUM PIPING

87283AHOSE, NO.1
L=270; NO.2,L=270
L=500
L=1000
NO.3,L=430
NO.3,L=1100
L=270; NO.2,L=270
NO.3,L=430
L=500
L=1000
NO.3,L=1100
87292TANK, VACUUM
87292AHOSE, VACUUM TANK
L=700
L=1350
L=900
L=700
L=900
L=1350
87293EUNION, HOSE
9046310031
main90463-10031
9046400235
main90464-00235
9046400248
main90464-00248
9048031002
main90480-31002
9048031003
main90480-31003
9165640816
main91656-40816
10 parts on this diagram · 4 diagrams in section