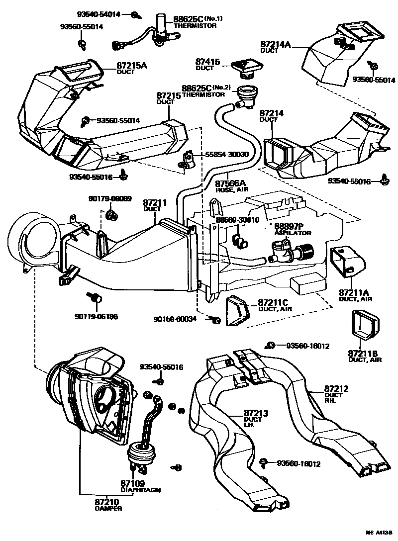
HEATING & AIR CONDITIONING - CONTROL & AIR DUCT

87109DIAPHRAGM SUB-ASSY, AIR DOOR CONTROL
87210DAMPER ASSY, AIR
87211DUCT, AIR, NO.1
87211ADUCT, AIR, NO.2
87211BDUCT, AIR, NO.3
87211CDUCT, AIR, NO.4
87212DUCT, AIR, REAR NO.1
RH
87213DUCT, AIR, REAR NO.2
LH
87214DUCT, AIR, SIDE NO.1 RH
87214ADUCT, AIR, SIDE NO.2 RH
87215DUCT, AIR, SIDE NO.1 LH
87215ADUCT, AIR, SIDE NO.2 LH
87415DUCT, AIR
DARK WINE,RED/MAROON,TRIM3#
GRAY,GRAY,TRIM1#
BLUE,BLUE,TRIM8#
GREIGE,BEIGE,TRIM4#
BEIGE,BEIGE,TRIM4#
87566AHOSE, AIR DUCT
88625CTHERMISTOR, COOLER
NO.2
NO.1
88897PASPIRATOR
5585430030CLAMP, COWL VENTILATOR CONTROL WIRE
main55854-30030
8856930610CLAMP (FOR COOLER RELAY)
main88569-30610
9011906186
main90119-06186
9015960034
main90159-60034
9017906069
main90179-06069
9354054014
main93540-54014
9354055016
main93540-55016
9356016012
main93560-16012
9356055014
main93560-55014
25 parts on this diagram · 2 diagrams in section