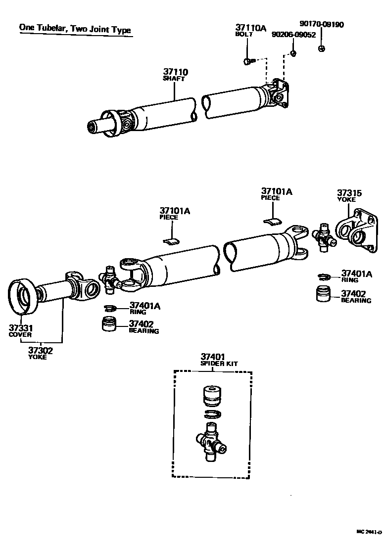
PROPELLER SHAFT & UNIVERSAL JOINT

37101APIECE, BALANCE, NO.1 (FOR PROPELLER SHAFT)
10G,L=20.7,10G.
20G,L=41.4,20G.
30G,L=62.2,30G.
2G,T=2.0,2G.
4G,T=2.0,4G.
6G,L=12.4,6G.
8G,L=16.6,8G.
12G,L=24.9,12G.
14G,L=29.0,14G.
16G,L=33.2,16G.
18G,L=37.3,18G.
22G,L=45.6,22G.
24G,L=49.7,24G.
26G,L=53.9,26G.
28G,L=58.1,28G.
37110SHAFT ASSY, PROPELLER
OD=80
OD=82.6
37110ABOLT (FOR PROPELLER SHAFT)
37302YOKE SUB-ASSY, UNIVERSAL JOINT SLEEVE
37315YOKE, UNIVERSAL JOINT FLANGE
37331COVER, SLIDING SHAFT DUST
37401SPIDER KIT, UNIVERSAL JOINT
sub04371-30021
37401ARING, HOLE SNAP (FOR SPIDER BEARING)
T=1.50,OD=32.4,T=1.50
T=1.55,T=1.55
T=1.60,T=1.60
37402BEARING SUB-ASSY, UNIVERSAL JOINT SPIDER
9017009190
main90170-09190
9020609052
main90206-09052
11 parts on this diagram · 2 diagrams in section