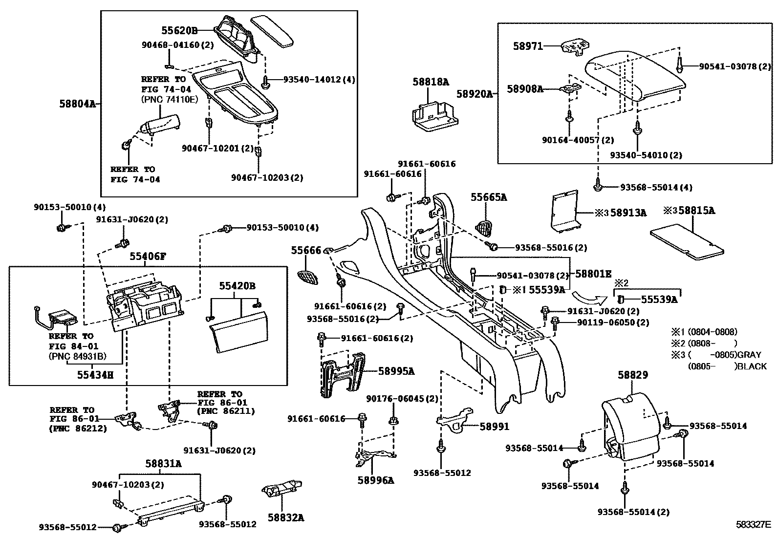
CONSOLE BOX & BRACKET

55406FPANEL SUB-ASSY, INSTRUMENT CLUSTER FINISH, LOWER CENTER
ECRU BROWN,TRIM0#
MD.BROWN,TRIM0#,2#,5#
MD.BROWN,TRIM0#,2#
MD.BROWN,TRIM20,21
DK.BROWN,TRIM4#
55420BPANEL ASSY, INSTRUMENT CLUSTER FINISH, CENTER NO.1
ECRU BROWN,TRIM0#
MD.BROWN,TRIM20,21
MD.BROWN,TRIM0#,2#,5#
MD.BROWN,TRIM0#,2#
DK.BROWN,TRIM4#
55434HPANEL, INSTRUMENT PANEL FINISH, LOWER CENTER
55539ACOVER, SPARE SWITCH HOLE
55620BHOLDER, INSTRUMENT PANEL CUP
TAIWAN SPEC
55665ABEZEL, CONSOLE BOX REGISTER, LOWER RH
ECRU,TRIM0#
BLACK,TRIM2#
BLACK,TRIM20
SADDLE TAN,TRIM5#
SADDLE TAN,TRIM21
CAMEL,TRIM4#
55666BEZEL, CONSOLE BOX REGISTER, LOWER LH
ECRU,TRIM0#
BLACK,TRIM2#
BLACK,TRIM20
SADDLE TAN,TRIM5#
SADDLE TAN,TRIM21
CAMEL,TRIM4#
58801EBOX SUB-ASSY, CONSOLE, UPPER
ECRU,TRIM0#
BLACK,TRIM2#
CAMEL,TRIM4#
58804APANEL SUB-ASSY, CONSOLE, UPPER
TAIWAN SPEC,MD.BROWN,TRIM0#,2#
TAIWAN SPEC,DK.BROWN,TRIM4#
ECRU BROWN,TRIM0#
MD.BROWN,TRIM0#,2#,5#
MD.BROWN,TRIM0#,2#
MD.BROWN,TRIM20,21
DK.BROWN,TRIM4#
58818ACOVER, CONSOLE BOX, FR
58829POCKET, CONSOLE BOX
ECRU,TRIM0#
BLACK,TRIM2#
CAMEL,TRIM4#
58831AGARNISH, CONSOLE UPPER PANEL, FRONT
58832AGARNISH, CONSOLE UPPER PANEL, REAR
ECRU,TRIM0#
BLACK,TRIM20
BLACK,TRIM2#
SADDLE TAN,TRIM21
SADDLE TAN,TRIM5#
CAMEL,TRIM4#
W(SEAT HEATER),ECRU,TRIM0#
W(SEAT HEATER),BLACK,TRIM2#
W(SEAT HEATER),BLACK,TRIM20
W(SEAT HEATER),SADDLE TAN,TRIM21
W(SEAT HEATER),SADDLE TAN,TRIM5#
W(SEAT HEATER),CAMEL,TRIM4#
58908ALOCK SUB-ASSY, CONSOLE COMPARTMENT DOOR
58920AARMREST ASSY, REAR CONSOLE
ECRU,TRIM0#
BLACK,TRIM20
SADDLE TAN,TRIM21
ECRU,TRIM0#
BLACK,TRIM2#
CAMEL,TRIM4#
58971LOCK, CONSOLE COMPARTMENT DOOR
BLACK,TRIM0#,20,21
BLACK
58991BRACKET, CONSOLE BOX MOUNTING, UPPER
58995ABRACKET, CONSOLE BOX MOUNTING, NO.1
58996ABRACKET, CONSOLE BOX MOUNTING, NO.2
7404
8401
8601
9011906050
main90119-06050
9015350010
main90153-50010
9016440057
main90164-40057
9017606045
main90176-06045
9046710201
main90467-10201
9046710203
main90467-10203
9046804160
main90468-04160
9054103078
main90541-03078
91631J0620
main91631-J0620
9166160616
main91661-60616
9354014012
main93540-14012
9354054010
main93540-54010
9356855012
main93568-55012
9356855014
main93568-55014
9356855016
main93568-55016
39 parts on this diagram · 1 diagram in section