E
EPC Data

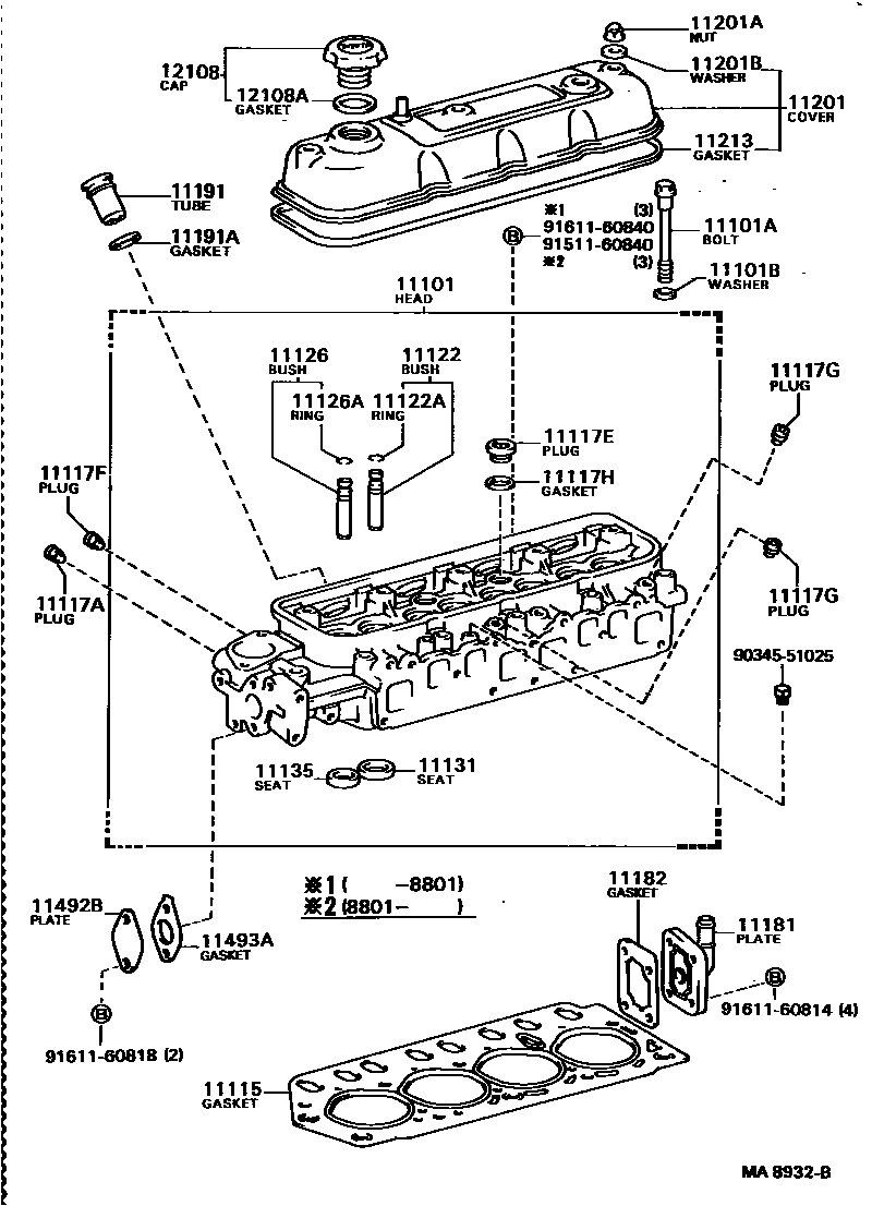
CYLINDER HEAD

Parts diagram
11101HEAD SUB-ASSY, CYLINDER
main11101-35060i198408-198808
main11101-43022i198712-198808
main11101-43040i198408-198808
main11101-49266i198408-198608
main11101-49305i198411-198712
main11101-54050i198408-198808
main11101-54061i198408-198608
main11101-70022i198509-198608
main11101-70030i198408-198808
main11101-71010i198608-198808
main11101-71030i198502-198608
main11101-88301i198408-198509
11101ABOLT(FOR CYLINDER HEAD SET)
main90105-12056i198502-198808
main90105-12092i198408-198808
main90109-10025i198408-198808
*10-1.25PX97.5-22
main90110-10003i198408-198608
main90110-12001i198408-198808
*12-1.25PX96-22
main90910-02058i198408-198808
*12-1.25PX166.5-21
main90910-02060i198408-198807
*12-1.25PX112-24
main90910-02090i198807-198808
11101BWASHER, PLATE(FOR CYLINDER HEAD SET)
main90201-10050i198408-198710
main90201-10344i198710-198808
main90201-12027i198408-198808
main90201-13021i198502-198808
11115GASKET, CYLINDER HEAD
main11115-35020i198608-198808
main11115-37020i198408-198705
main11115-43021i198408-198808
main11115-43030i198408-198808
main11115-54020i198408-198808
main11115-70020i198408-198808
main11115-71010i198502-198508
main11115-71011i198508-198808
main11115-88301i198408-198608
11117GASKET, CAMSHAFT HOUSING, NO.1
main11117-43010i198408-198506
main11117-43020i198506-198808
11117APLUG, W/HEAD TAPER SCREW, NO.1
main90341-32070i198408-198808
OD=32
main90341-36001i198408-198808
main90344-53011i198508-198808
11117EPLUG, W/HEAD STRAIGHT SCREW, NO.1
main90341-20002i198408-198808
11117FPLUG, W/HEAD STRAIGHT SCREW, NO.2
main90340-16002i198508-198808
main90341-32031i198408-198808
11117GPLUG, W/HEAD STRAIGHT SCREW, NO.3
main90340-18003i198601-198808
main90341-36001i198408-198808
11117HGASKET(FOR WATER HOLE)
main90430-12005i198408-198808
PNC 11118B
main90430-20004i198408-198808
PNC 11118A
main90430-36001i198408-198808
11122BUSH, INTAKE VALVE GUIDE
main11122-16020i198408-198608
STD,STD
main11122-35020i198408-198808
STD,STD
main11122-41020i198408-198808
STD,STD
main11122-43010i198408-198808
STD,STD
main11122-54011i198408-198808
STD,STD
main11122-71020i198502-198808
STD,STD
main11123-16020i198408-198608
O/S 0.05,O/S 0.05
main11123-35020i198408-198808
O/S 0.05,O/S 0.05
main11123-41020i198408-198808
O/S 0.05,O/S 0.05
main11123-43010i198408-198808
O/S 0.05,O/S 0.05
main11123-54011i198408-198808
O/S 0.05,O/S 0.05
main11123-71020i198502-198808
O/S 0.05,O/S 0.05
main11126-15020i198408-198808
STD,STD
main11127-15020i198408-198808
O/S 0.05,O/S 0.05
11122ARING, SHAFT SNAP (FOR VALVE GUIDE BUSH)
main90520-10001i198408-198808
main90520-10004i198408-198608
main90520-12049i198408-198808
11126BUSH, EXHAUST VALVE GUIDE
main11122-16020i198408-198608
STD,STD
main11122-38021i198408-198808
STD,STD
main11122-43010i198408-198808
STD,STD
main11122-54011i198408-198808
STD,STD
main11123-16020i198408-198608
O/S 0.05,O/S 0.05
main11123-38021i198408-198808
O/S 0.05,O/S 0.05
main11123-43010i198408-198808
O/S 0.05,O/S 0.05
main11123-54011i198408-198808
O/S 0.05,O/S 0.05
main11126-41040i198408-198808
STD,STD
main11126-70020i198408-198808
STD,STD
main11126-71020i198502-198808
STD,STD
main11127-41040i198408-198808
O/S 0.05,O/S 0.05
main11127-70020i198408-198808
O/S 0.05,O/S 0.05
main11127-71020i198502-198808
O/S 0.05,O/S 0.05
11126ARING, SHAFT SNAP(FOR VALVE GUIDE BUSH)
main90520-10001i198408-198808
main90520-10004i198408-198608
main90520-12049i198408-198808
11131SEAT, INTAKE VALVE
main11131-15020i198408-198808
STD,STD
main11131-35010i198408-198808
STD,STD
main11131-43010i198408-198808
STD,STD
main11131-43020i198408-198808
STD,STD
main11131-63010i198502-198808
STD,STD
main11131-70010i198408-198608
STD,STD
main11132-15020i198408-198808
O/S 0.03,O/S 0.03
main11132-35010i198408-198808
O/S 0.03,O/S 0.03
main11132-43010i198408-198808
O/S 0.03,O/S 0.03
main11132-43020i198408-198808
O/S 0.03,O/S 0.03
main11132-63010i198502-198808
O/S 0.03,O/S 0.03
main11132-70010i198408-198608
O/S 0.03,O/S 0.03
11135SEAT, EXHAUST VALVE
main11135-35010i198408-198808
STD,STD
main11135-43010i198408-198808
STD,STD
main11135-45010i198408-198808
STD,STD
main11135-70020i198408-198411
STD,STD
main11135-70021i198411-198608
STD,STD
main11135-70030i198408-198808
STD,STD
main11135-71010i198502-198808
STD,STD
main11136-35010i198408-198808
O/S 0.03,O/S 0.03
main11136-43010i198408-198808
O/S 0.03,O/S 0.03
main11136-45010i198408-198808
O/S 0.03,O/S 0.03
main11136-70020i198408-198411
O/S 0.03,O/S 0.03
main11136-70021i198411-198608
O/S 0.03,O/S 0.03
main11136-70030i198408-198808
O/S 0.03,O/S 0.03
main11136-71010i198502-198808
O/S 0.03,O/S 0.03
11181PLATE, CYLINDER HEAD, REAR
main11181-35040i198408-198411
EXCL/SAUDI ARABIA,W/O HEATER
main11181-35040i198408-198411
EXCL/SAUDI ARABIA
main11181-35050i198408-198411
SINGAPORE SPEC,W/O HEATER
main11181-35050i198408-198411
SAUDI ARABIA SPEC
main11181-35050i198411-198808
main11181-73020i198502-198808
11182GASKET, CYLINDER HEAD REAR PLATE
main11182-35030i198408-198411
EXCL/SAUDI ARABIA
main11182-35030i198408-198411
EXCL/SAUDI ARABIA,W/O HEATER
main11182-35031i198612-198808
main11182-35040i198408-198411
SAUDI ARABIA SPEC
main11182-35040i198408-198411
SINGAPORE SPEC,W/O HEATER
main11182-35040i198411-198612
main11182-70011i198408-198808
main11182-71010i198502-198808
main11182-88300i198408-198608
11191TUBE, SPARK PLUG
main11191-22010i198502-198808
11191AGASKET(FOR SPARK PLUG TUBE)
main90430-31141i198502-198808
11201COVER SUB-ASSY, CYLINDER HEAD
main11201-35030i198408-198804
main11201-35031i198804-198808
main11201-49146i198408-198808
main11201-49195i198408-198808
NO.1
main11201-54050i198408-198801
main11201-54080i198801-198808
main11201-59065i198408-198608
main11201-70020i198408-198808
main11201-79025i198408-198508
NO.1
main11201-79035i198502-198808
main11201-88300i198508-198608
NO.1
main11212-49015i198408-198808
NO.2
main11212-79015i198408-198508
NO.2
main11212-88300i198508-198608
NO.2
11201ANUT, CAP(FOR CYLINDER HEAD COVER)
main90176-06008i198408-198808
main90176-08007i198408-198808
main90176-08014i198408-198808
main90176-08015i198408-198808
11201BWASHER, SEAL(FOR CYLINDER HEAD COVER)
main90210-06003i198408-198808
main90210-07001i198408-198608
main90210-08020i198408-198808
main90210-08023i198408-198512
main90210-08026i198512-198808
main90210-09001i198502-198808
main90210-09002i198408-198808
CTR,RR
main90210-09009i198408-198808
FR
main90210-13001i198408-198808
11213GASKET, CYLINDER HEAD COVER
main11213-35010i198408-198808
main11213-41020i198408-198808
main11213-43020i198408-198808
main11213-54020i198408-198608
main11213-54030i198408-198808
main11213-70010i198408-198808
main11213-71020i198502-198808
main11213-88300i198408-198508
main11213-88301i198508-198608
11492BPLATE, WATER SEAL
main11492-71010i198502-198808
11493AGASKET, WATER SEAL PLATE
main11493-71010i198502-198808
12108CAP SUB-ASSY, OIL FILLER
main12180-13030i198509-198808
main12180-61010i198705-198808
main12180-70010i198408-198609
main12180-71010i198502-198506
main12180-71011i198506-198705
12108AGASKET(FOR OIL FILLER CAP)
main12195-71010i198502-198506
main12195-71020i198506-198808
main90430-37140i198408-198808
9034551025
9151160840
9161160814
9161160818
9161160840

33 parts on this diagram · 9 diagrams in section

CYLINDER HEAD — Toyota Parts Diagram with OEM Numbers & Prices | EPC Data