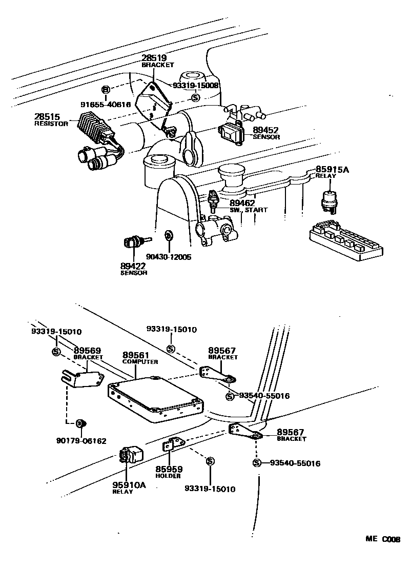
ELECTRONIC FUEL INJECTION SYSTEM

28519BRACKET, SOLENOID RESISTOR
85915ARELAY, MAIN
85959HOLDER, RELAY
89422SENSOR, WATER TEMPERATURE (FOR E.F.I.)
sub89422-12010
89452SENSOR, THROTTLE POSITION (FOR E.F.I.)
89567BRACKET, FUEL INJECTION COMPUTER
89569BRACKET, FUEL INJECTION COMPUTER
95910A
9017906162
main90179-06162
9043012005
main90430-12005
9165540616
main91655-40616
9331915008
main93319-15008
9331915010
main93319-15010
9354055016
main93540-55016
17 parts on this diagram · 2 diagrams in section