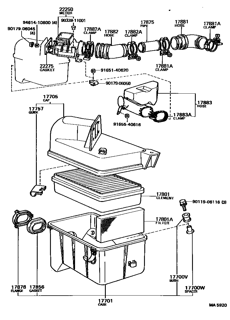
AIR CLEANER

17700CLEANER ASSY, AIR
W/HOT AIR INTAKE
sub12262-35010
W/O HOT AIR INTAKE
W/HOT AIR INTAKE
W/O HOT AIR INTAKE
ENGINE
AIR PUMP
17700VBUSH(FOR AIR CLEANER)
17700WSPACER(FOR AIR CLEANER)
17701CASE SUB-ASSY, AIR CLEANER
17757GUIDE, AIR CLEANER OUTLET
17801ELEMENT SUB-ASSY, AIR CLEANER FILTER
DUST AREA
AIR PUMP
ENGINE
17801APREFILTER
17856GASKET, AIR INTAKE FLANGE
17875PIPE, INTAKE AIR CONNECTOR
17876FLANGE, AIR INTAKE
17881ACLAMP(FOR AIR CLEANER HOSE, NO.1)
17882HOSE, AIR CLEANER, NO.2
17882ACLAMP(FOR AIR CLEANER HOSE, NO.2)
CLEANER SIDE
BODY SIDE
CLEANER SIDE
PIPE SIDE,ID=71
CLEANER SIDE
CLEANER SIDE,ID=80
17883HOSE, AIR CLEANER, NO.3
17883ACLAMP(FOR AIR CLEANER HOSE, NO.3)
22250METER ASSY, INTAKE AIR FLOW
SAUDI ARABIA SPEC
22275GASKET, AIR FLOW METER
9011906116
main90119-06116
9017906045
main90179-06045
9017906050
main90179-06050
9033911001
main90339-11001
9165140620
main91651-40620
9165540616
main91655-40616
9461410600
main94614-10600
26 parts on this diagram · 7 diagrams in section