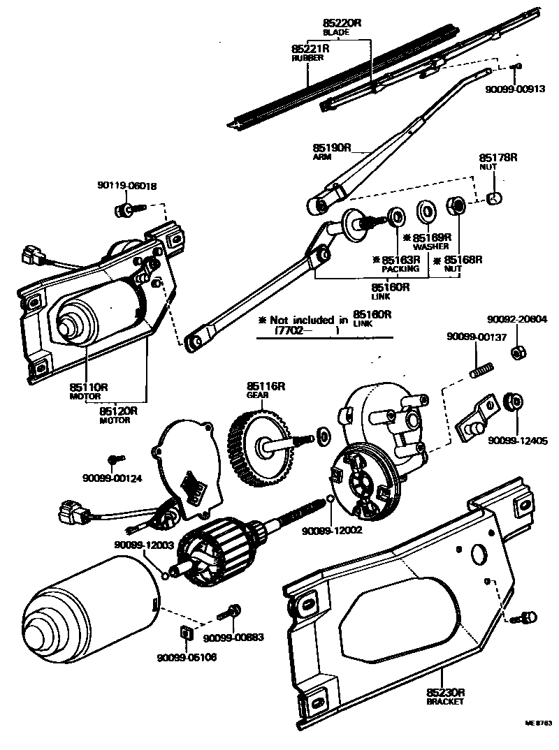
REAR WIPER

85110RMOTOR ASSY, REAR WIPER
85116RGEAR, REAR WIPER MOTOR
85120RMOTOR AND BRACKET ASSY, REAR WIPER
85163RPACKING, REAR WIPER PIVOT, NO.1
85178RNUT (FOR REAR WIPER ARM SETTING)
85220RBLADE ASSY, REAR WIPER
sub85222-68011
sub85230-14020
85221RBLADE, REAR WIPER
sub85214-68011
sub85221-10H00
85230RBRACKET ASSY, REAR WIPER
9009220604
main90092-20604
9009900124
main90099-00124
9009900137
main90099-00137
9009900883
main90099-00883
9009900913
main90099-00913
9009905106
main90099-05106
9009912002
main90099-12002
9009912003
main90099-12003
9009912405
main90099-12405
9011906018
main90119-06018
22 parts on this diagram · 1 diagram in section