E
EPC Data

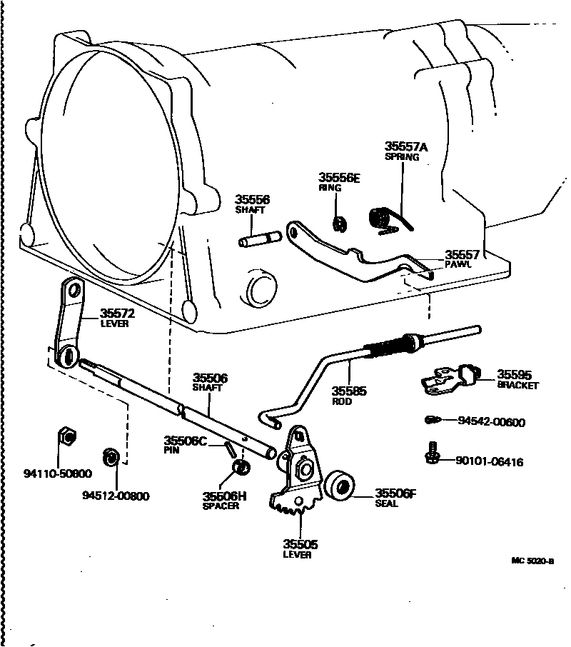
THROTTLE LINK & VALVE LEVER (ATM)

Parts diagram
35505LEVER SUB-ASSY, MANUAL VALVE
main35505-22010i197612-198008
35506SHAFT SUB-ASSY, MANUAL VALVE LEVER
main35561-20021i197612-198008
35506CPIN, SLOTTED SPRING (FOR MANUAL VALVE LEVER SHAFT)
main90254-03004i197803-198008
main90254-03044i197612-197803
35506FSEAL, OIL (FOR MANUAL VALVE LEVER SHAFT)
main90311-11128×2i197612-198008
35506HSPACER (FOR MANUAL VALVE LEVER SHAFT)
main90560-20003i197803-198008
35556SHAFT, PARKING LOCK PAWL
main35556-22010i197612-198008
35556ERING, E (FOR PARKING LOCK PAWL SHAFT)
main90523-08021i197612-198008
35557PAWL, PARKING LOCK
main35557-22010i197612-198008
35557ASPRING, TORSION (FOR PARKING LOCK PAWL)
main90508-25329i197612-198008
35572LEVER, TRANSMISSION CONTROL SHAFT, RH
main35572-22040i197612-198008
35585ROD, PARKING LOCK
main35501-22010i197612-197911
main35501-22020i197911-198008
35595BRACKET, PARKING LOCK PAWL
main35595-16010i197911-198008
main35595-22010i197612-197911
9010106416
9411050800
9451200800
9454200600

16 parts on this diagram · 2 diagrams in section

THROTTLE LINK & VALVE LEVER (ATM) — Toyota Parts Diagram with OEM Numbers & Prices | EPC Data