E
EPC Data

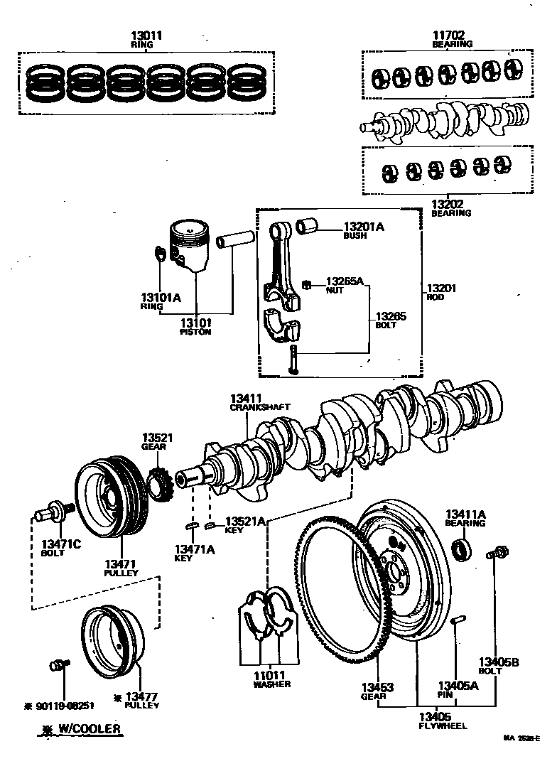
CRANKSHAFT & PISTON

Parts diagram
11011WASHER SET, CRANKSHAFT THRUST
main11011-25010i198001-198008
STD,STD
main11011-38010i197701-198008
STD,STD
main11011-43010i197908-198008
STD,STD
main11011-45010i197612-197908
STD,STD
main11012-25010i198001-198008
O/S 0.125
main11012-38010i197701-198008
O/S 0.125,O/S 0.125
main11012-43010i197908-198008
O/S 0.125,O/S 0.125
main11012-45010i197612-197908
O/S 0.125,O/S 0.125
main11013-25010i198001-198008
O/S 0.25
main11013-38010i197701-198008
O/S 0.250,O/S 0.25
main11013-45010i197612-197908
O/S 0.250,O/S 0.25
11702BEARING SET, CRANKSHAFT
main11702-25013i198001-198008
STD
main11702-33011i197612-197701
STD
main11702-33012i197701-198008
STD
main11702-45011i197612-198008
STD,STD
main11703-25013i198001-198008
U/S 0.05
main11703-45011i197612-198008
U/S 0.05,U/S 0.05
main11704-25013i198001-198008
U/S 0.25
main11704-33011i197612-197701
U/S 0.25
main11704-33012i197701-198008
U/S 0.25
main11704-45011i197612-198008
U/S 0.25,U/S 0.25
main11705-25013i198001-198008
U/S 0.50
main11705-33011i197612-197701
U/S 0.50
main11705-33012i197701-198008
U/S 0.50
main11705-45011i197612-198008
U/S 0.50,U/S 0.50
13011RING SET, PISTON
main13011-28030i198001-198008
STD
main13011-34023i197612-197704
STD
main13011-34030i198001-198008
STD
main13011-38020i197704-197912
STD,STD
main13011-45021i197612-197908
STD,STD
main13011-45040i197908-198008
STD
main13013-28030i198001-198008
O/S 0.50
main13013-34023i197612-197704
O/S 0.50
main13013-34030i198001-198008
O/S 0.50
main13013-38010i197704-197912
O/S 0.50,O/S 0.50
main13013-45021i197908-198001
O/S 0.50,O/S 0.50
main13013-45040i197908-198008
O/S 0.50
main13014-28030i198001-198008
O/S 0.75
main13014-45021i197908-198001
O/S 0.75,O/S 0.75
main13014-45040i197908-198008
O/S 0.75
main13015-28030i198001-198008
O/S 1.00
main13015-34023i197612-197704
O/S 1.00
main13015-34030i198001-198008
O/S 1.00
main13015-38010i197704-197912
O/S 1.00,O/S 1.00
main13015-45021i197612-197908
O/S 1.00,O/S 1.00
main13015-45040i197908-198008
O/S 1.00
13101PISTON SUB-ASSY, W/PIN
main13101-28010×4i198001-198008
STD
main13101-34030×4i197612-198008
STD
main13101-36030×4i197704-198008
STD
main13101-45021×6i197612-198008
STD,STD
main13103-28010×4i198001-198008
O/S 0.50
main13103-34030×4i197612-198008
O/S 0.50
main13103-36030×4i197704-198008
O/S 0.50
main13103-45021×6i197612-198008
O/S 0.50,O/S 0.50
main13104-28010×4i198001-198008
O/S 0.75
main13104-45021×6i197612-198008
O/S 0.75,O/S 0.75
main13105-28010×4i198001-198008
O/S 1.00
main13105-34030×4i197612-198008
O/S 1.00
main13105-36030×4i197704-198008
O/S 1.00
main13105-45021×6i197612-198008
O/S 1.00,O/S 1.00
13101ARING, HOLE SNAP(FOR PISTON PIN)
main90521-25052×6i197612-198008
main90521-25105×8i197612-198008
13201ROD SUB-ASSY, CONNECTING
main13201-25010×4i198001-198008
main13201-34012×4i197612-198008
main13201-45010×6i197612-198008
13201ABUSH(FOR CONNECTING ROD SMALL END)
main90999-73066×6i197612-198008
main90999-73072×4i197612-198008
13202BEARING SET, CONNECTING ROD
main13202-25010i198001-198008
STD
main13202-33011i197612-198008
STD
main13202-45011i197612-198008
STD,STD
main13203-25010i198001-198008
U/S 0.05
main13203-45011i197612-198008
U/S 0.05,U/S 0.05
main13204-25010i198001-198008
U/S 0.25
main13204-33011i197612-198008
U/S 0.25
main13204-45011i197612-198008
U/S 0.25,U/S 0.25
main13205-25010i198001-198008
U/S 0.50
main13205-33011i197612-198008
U/S 0.50
main13205-45011i197612-198008
U/S 0.50,U/S 0.50
13265BOLT, CONNECTING ROD
main13265-29025×8i198001-198008
main13265-39025×8i197612-198008
main13265-49025×12i197612-198008
13265ANUT, HEXAGON(FOR CONNECTING ROD BOLT)
main90170-09195×12i197612-198008
main90170-10198×8i197612-198008
13405FLYWHEEL SUB-ASSY
main13405-29067i198001-198008
N=115
main13405-39037i197612-198008
N=115
main13405-49115i197612-197908
N=115
main13405-49116i197908-198008
N=115
13405APIN, STRAIGHT(FOR FLYWHEEL)
main90250-08054×3i197612-198008
L=23,OD=8,L=23,OD=8
13405BBOLT, FLYWHEEL SETTING
main90105-10042×6i197612-198008
13411CRANKSHAFT
main13411-28010i198001-198008
main13411-34903i197612-197807
main13411-34905i197807-198006
main13411-34906i198006-198008
main13411-45012i197612-198008
13411ABEARING(FOR INPUT SHAFT FRONT)
main97123-06001i198001-198008
6001VV
main97143-06201i197612-198008
6201 VV C3
13453GEAR, FLYWHEEL RING
main13453-20010i197612-198008
N=115
13471PULLEY, CRANKSHAFT
main13407-41020i197707-197908
main13407-41021i197908-198008
main13407-45010i197612-197707
main13471-18010i198001-198008
main13471-34013i197907-198008
13471AKEY, CRANKSHAFT(FOR CRANKSHAFT PULLEY SET)
main90280-05001i197612-198008
main90280-05010i197612-198008
13471CBOLT(FOR CRANKSHAFT PULLEY SET)
main90105-12051i198001-198008
main90105-14003i197702-198008
main90105-14048i197612-197702
main90105-16001i197612-197707
main90105-16002i197707-198008
13477PULLEY, CRANKSHAFT, NO.2
main88451-22041i197612-198008
W/COOLER
main88451-22050i197612-197707
W/COOLER
main88451-22051i197707-197908
W/COOLER
main88451-22052i197908-198008
W/COOLER
13521GEAR OR SPROCKET, CRANKSHAFT TIMING
main13521-33010i197612-198008
N=18
main13521-41011i197612-198008
N=20
13521AKEY(FOR CRANKSHAFT TIMING GEAR)
main90280-05010i197612-198008
9011908251

23 parts on this diagram · 3 diagrams in section

CRANKSHAFT & PISTON — Toyota Parts Diagram with OEM Numbers & Prices | EPC Data