E
EPC Data

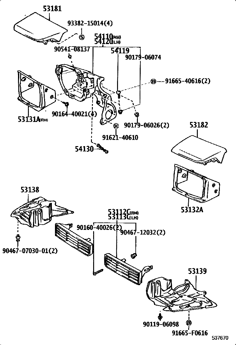
RADIATOR GRILLE

Parts diagram
53112CGRILLE, RADIATOR, LOWER RH
main53112-14060i199008-199305
53113CGRILLE, RADIATOR, LOWER LH
main53113-14030i198808-198908
53131ADOOR, HEADLAMP, RH
main53131-14340i199008-199305
53132ADOOR, HEADLAMP, LH
main53132-14340i198908-199008
53138PROTECTOR, HEADLAMP DOOR, RH
main53138-14110i198808-199305
main53138-14120i198808-198908
53139PROTECTOR, HEADLAMP DOOR, LH
main53139-14140i199008-199305
53181COVER, HEADLAMP, RH
main53181-14040i198808-198908
53182COVER, HEADLAMP, LH
main53182-14040i198808-198908
54110BRACKET ASSY, RETRACTABLE HEADLAMP, RH
main54110-14040i198808-198908
main54110-14050i198908-199008
54119STOP, RETRACTABLE HEADLAMP LINK
main54119-14030×2i198808-198908
54120BRACKET ASSY, RETRACTABLE HEADLAMP, LH
main54120-14040i198808-198908
main54120-14050i198908-199008
54130ROD ASSY, RETRACTABLE HEADLAMP
main54130-14040×2i198808-198908
9011906098
9016040026
9016440021
9017906026
9017906074
904670703001
9046712032
9054108137
9162140610
9166540616
91665F0616
9338215014

24 parts on this diagram · 1 diagram in section

RADIATOR GRILLE — Toyota Parts Diagram with OEM Numbers & Prices | EPC Data