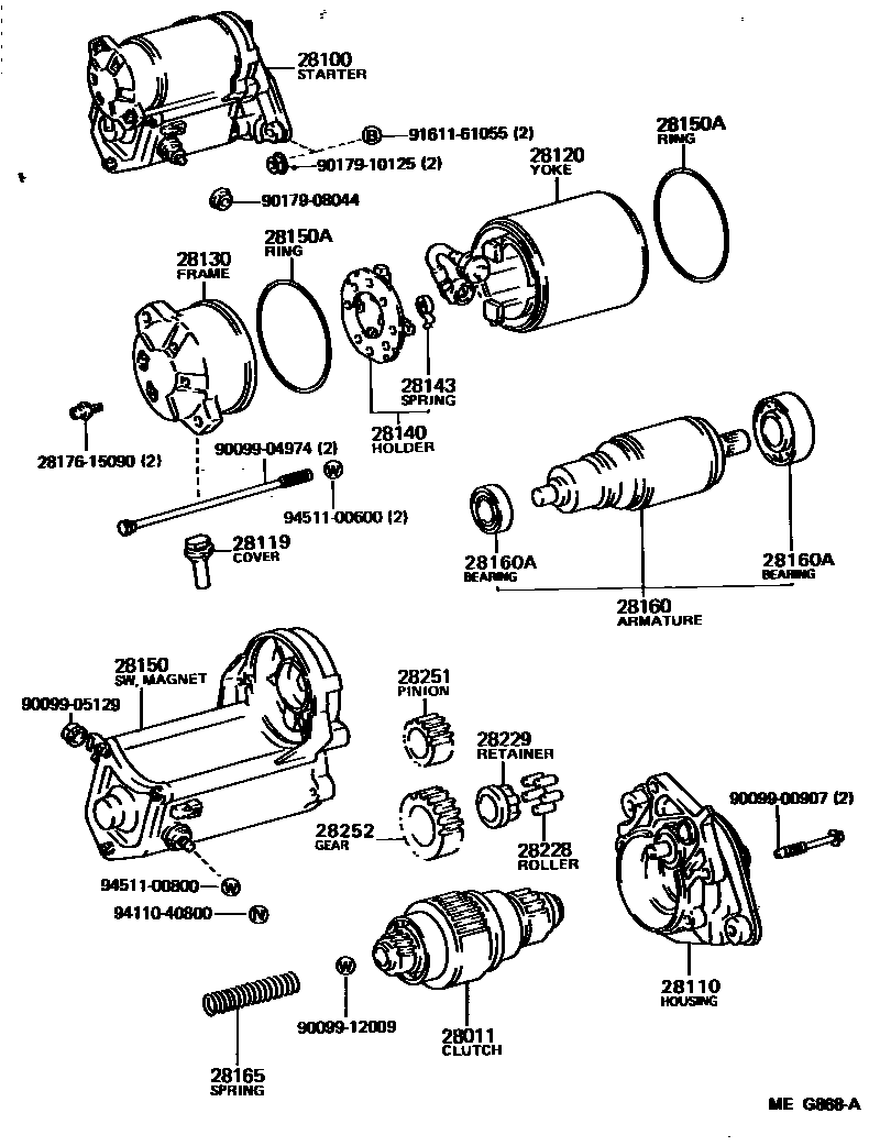
STARTER

28011CLUTCH SUB-ASSY, STARTER
12V 1.4KW
28100STARTER ASSY
12V 1.4KW,12V 1.4KW
28110HOUSING ASSY, STARTER DRIVE
12V 1.4KW
28119COVER, STARTER END FRAME
12V 1.4KW
28120YOKE ASSY, STARTER
12V 1.4KW
28130FRAME ASSY, STARTER COMMUTATOR END
12V 1.4KW
28140HOLDER ASSY, STARTER BRUSH
12V 1.4KW
28143SPRING, STARTER BRUSH
12V 1.4KW
28150SWITCH ASSY, MAGNET STARTER
12V 1.4KW
28150APACKING(FOR STARTER MAGNET SWITCH)
12V 1.4KW
28160ARMATURE ASSY, STARTER
12V 1.4KW
28160ABEARING, STARTER ARMATURE
12V 1.4KW,LARGE TYPE
12V 1.4KW,SMALL TYPE
28165SPRING, STARTER MAGNET SWITCH RETURN
12V 1.4KW
28228ROLLER, STARTER IDLE GEAR CLUTCH
12V 1.4KW
28229RETAINER, STARTER IDLE GEAR
12V 1.4KW
28251PINION, STARTER DRIVE
12V 1.4KW
28252GEAR, STARTER IDLE
12V 1.4KW
2817615090SCREW, STARTER
main28176-15090
9009900907
main90099-00907
9009904974
main90099-04974
9009905129
main90099-05129
9009912009
main90099-12009
9017908044
main90179-08044
9017910125
main90179-10125
9161161055
main91611-61055
9411040800
main94110-40800
9451100600
main94511-00600
9451100800
main94511-00800
28 parts on this diagram · 1 diagram in section