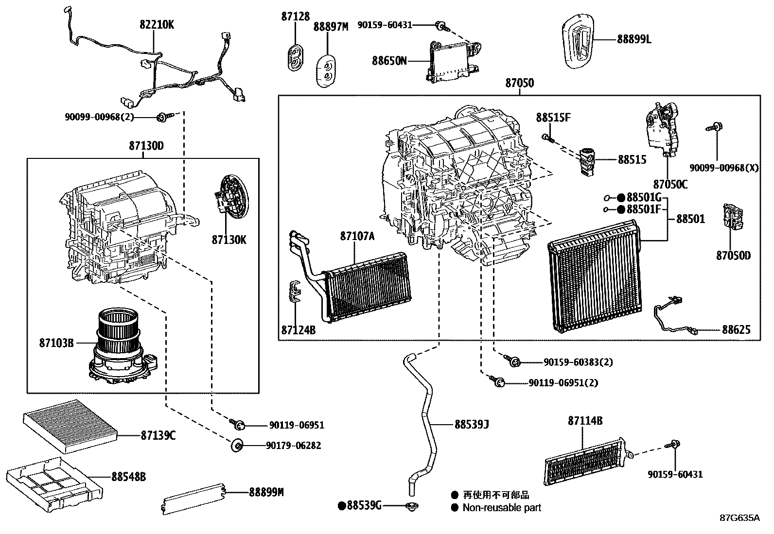
HEATING & AIR CONDITIONING - COOLER UNIT

82210KHARNESS ASSY, AIR CONDITIONER
JORDAN SPEC; KOREA SPEC
ARGENTINA SPEC; LATIN AMERICA SPEC
87050RADIATOR ASSY, AIR CONDITIONER
ARGENTINA SPEC; LATIN AMERICA SPEC
EU SALE SPECIFICATIONS 6
TMR FLEET PACKAGE
87050CDAMPER SERVO SUB-ASSY, AIR CONDITIONER RADIATOR, NO.1
TMR FLEET PACKAGE
87050DDAMPER SERVO SUB-ASSY, AIR CONDITIONER RADIATOR, NO.2
87103BMOTOR SUB-ASSY, BLOWER W/FAN
87107AUNIT SUB-ASSY, HEATER RADIATOR
87114BCOVER, HEATER
87124BCLAMP, HEATER
87128GROMMET, HEATER
87130DBLOWER ASSY
87130KDAMPER SERVO SUB-ASSY, BLOWER, NO.1
87139CFILTER, CLEAN AIR
DEODORANT FILTER
88501EVAPORATOR SUB-ASSY, COOLER, NO.1
88501FO-RING, COOLER EVAPORATOR NO.1(DISCHARGE)
ID=10.8,OD=15.6
88501GO-RING, COOLER EVAPORATOR NO.1(SUCTION)
ID=13.4,OD=18.2
88515VALVE, COOLER EXPANSION
88515FBOLT(FOR COOLER EXPANSION VALVE)
88539GGROMMET (FOR COOLER UNIT DRAIN HOSE)
88539JHOSE, DRAIN COOLER
88548BCASE, AIR FILTER
88625THERMISTOR, COOLER, NO.1
88650NAMPLIFIER ASSY, AIR CONDITIONER
KOREA SPEC; UKR SALE SPECIFICATIONS 2; UKR SALE SPECIFICATIONS 3
KOREA SPEC; UKR SALE SPECIFICATIONS 2; UKR SALE SPECIFICATIONS 3
UKR SALE SPECIFICATIONS 2; UKR SALE SPECIFICATIONS 3
"BLACK EDITION"*(A); UKR SALE SPECIFICATIONS 4; UKR SALE SPECIFICATIONS 5
"BLACK EDITION"*(A); UKR SALE SPECIFICATIONS 4; UKR SALE SPECIFICATIONS 5
main88650-33F00supersedes 88650-33C62iASV70..LHD..EUR; AXVH71,GSV70..LHD..(G,N)..EUR; AXVH71..D; AXVH71..LHD..D201910-202101
"BLACK EDITION"*(A); EU SALE SPECIFICATIONS 2; EU SALE SPECIFICATIONS 4; EU SALE SPECIFICATIONS 6; UKR SALE SPECIFICATIONS 4; UKR SALE SPECIFICATIONS 5
KOREA SPEC; UKR SALE SPECIFICATIONS 2; UKR SALE SPECIFICATIONS 3
KOREA SPEC; UKR SALE SPECIFICATIONS 2; UKR SALE SPECIFICATIONS 3
main88650-33G30supersedes 88650-33F10iAXVA70..LHD..EUR; AXVH71..LHD..D; AXVH71..RHD..D;AXVH71,GSV70..LHD..(G,N)..EUR202102-202208
EU SALE SPECIFICATIONS 2; EU SALE SPECIFICATIONS 4; EU SALE SPECIFICATIONS 6; UKR SALE SPECIFICATIONS 4; UKR SALE SPECIFICATIONS 5; UPPER GRADE PACKAGE
main88650-33J80supersedes 88650-33F11iAXVA70..JPP..LHD; AXVA70..LHD..EUR; AXVH71..LHD..D; GSV70..EUR;AXVH71..RHD..D202208
EU SALE SPECIFICATIONS 2; EU SALE SPECIFICATIONS 4; EU SALE SPECIFICATIONS 6; UKR SALE SPECIFICATIONS 4; UKR SALE SPECIFICATIONS 5; UPPER GRADE PACKAGE
TMR SALE SPECIFICATIONS 4.5; TMR SALE SPECIFICATIONS 5
TMR SALE SPECIFICATIONS 4.5; TMR SALE SPECIFICATIONS 5
TMR SALE SPECIFICATIONS C6
TMR SALE SPECIFICATIONS B4.5; TMR SALE SPECIFICATIONS B5
LE PACKAGE(KOREA SPEC)
KR LE; SINGAPORE SPEC
KR LE; SINGAPORE SPEC
88897MGROMMET (FOR HEATER PIPE)
88899LPARTS, COOLING UNIT
88899MPLATE, COVER(FOR AIR FILTER)
TYPE B
9009900968
main90099-00968
9011906951
main90119-06951
9015960383
main90159-60383
9015960431
main90159-60431
9017906282
main90179-06282
30 parts on this diagram · 15 diagrams in section