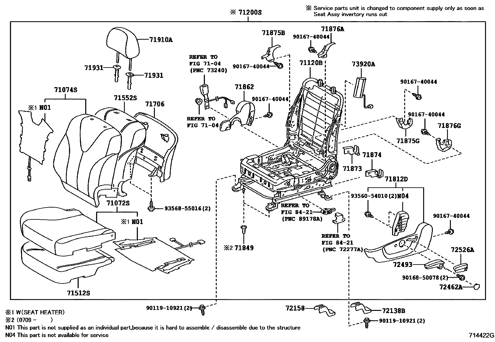
FRONT SEAT & SEAT TRACK

7104
71072SCOVER, FRONT SEAT CUSHION, LH(FOR SEPARATE TYPE)
DK.GRAY,TRIM1#
GREGE,TRIM4#
*DRP POWER SEAT & LEATHER PACKAGE,DK.GRAY,TRIM1#
DK.GRAY,TRIM1#
GREGE,TRIM4#
*DRP POWER SEAT & LEATHER PACKAGE,GREGE,TRIM4#
DK.GRAY,TRIM1#
*DRP POWER SEAT & LEATHER PACKAGE,DK.GRAY,TRIM1#
*DRP POWER SEAT & LEATHER PACKAGE,GREGE,TRIM4#
GREGE,TRIM4#
DK.GRAY,TRIM1#
GREGE,TRIM4#
DK.GRAY,TRIM1#
GREGE,TRIM4#
DK.GRAY,TRIM1#
GREGE,TRIM4#
*DRP POWER SEAT & LEATHER PACKAGE,DK.GRAY,TRIM1#
sub71072-33E20
*DRP POWER SEAT & LEATHER PACKAGE,GREGE,TRIM4#
sub71072-33E20
*DRP POWER SEAT & LEATHER PACKAGE&SEAT HEATER-WITH(DRIVER & PASSENGER),DK.GRAY,TRIM1#
sub71072-33E31
*DRP POWER SEAT & LEATHER PACKAGE,DK.GRAY,TRIM1#
sub71072-33E31
*DRP POWER SEAT & LEATHER PACKAGE,GREGE,TRIM4#
sub71072-33E31
*DRP POWER SEAT & LEATHER PACKAGE&SEAT HEATER-WITH(DRIVER & PASSENGER),GREGE,TRIM4#
sub71072-33E31
*DRP POWER SEAT & LEATHER PACKAGE,DK.GRAY,TRIM1#
sub71072-33K30
*DRP POWER SEAT & LEATHER PACKAGE,GREGE,TRIM4#
sub71072-33K30
71074SCOVER, FRONT SEATBACK, LH(FOR SEPARATE TYPE)
DK.GRAY,TRIM1#
*DRP POWER SEAT & LEATHER PACKAGE,DK.GRAY,TRIM1#
GREGE,TRIM4#
*DRP POWER SEAT & LEATHER PACKAGE,GREGE,TRIM4#
DK.GRAY,TRIM1#,TAG = SIDE AIRBAG
sub71074-33J21
*DRP POWER SEAT & LEATHER PACKAGE,DK.GRAY,TRIM1#,TAG = SIDE AIRBAG
sub71074-33J21
GREGE,TRIM4#,TAG = SIDE AIRBAG
sub71074-33J21
*DRP POWER SEAT & LEATHER PACKAGE,GREGE,TRIM4#,TAG = SIDE AIRBAG
sub71074-33J21
*DRP POWER SEAT & LEATHER PACKAGE,DK.GRAY,TRIM1#,TAG = SIDE AIRBAG
sub71074-33J31
*DRP POWER SEAT & LEATHER PACKAGE,GREGE,TRIM4#,TAG = SIDE AIRBAG
sub71074-33J31
DK.GRAY,TRIM1#,TAG = SIDE AIRBAG
sub71074-33J41
GREGE,TRIM4#,TAG = SIDE AIRBAG
sub71074-33J41
DK.GRAY,TRIM1#,TAG = SIDE AIRBAG
sub71074-33K41
GREGE,TRIM4#,TAG = SIDE AIRBAG
sub71074-33K41
DK.GRAY,TRIM1#,TAG = SIDE AIRBAG
GREGE,TRIM4#,TAG = SIDE AIRBAG
DK.GRAY,TRIM1#,TAG = SIDE AIRBAG
GREGE,TRIM4#,TAG = SIDE AIRBAG
DK.GRAY,TRIM1#,TAG = SIDE AIRBAG
GREGE,TRIM4#,TAG = SIDE AIRBAG
DK.GRAY,TRIM1#,TAG = SIDE AIRBAG
sub71074-33K71
*DRP POWER SEAT & LEATHER PACKAGE,DK.GRAY,TRIM1#,TAG = SIDE AIRBAG
sub71074-33K71
GREGE,TRIM4#,TAG = SIDE AIRBAG
sub71074-33K71
*DRP POWER SEAT & LEATHER PACKAGE,GREGE,TRIM4#,TAG = SIDE AIRBAG
sub71074-33K71
*DRP POWER SEAT & LEATHER PACKAGE,DK.GRAY,TRIM1#,TAG = SIDE AIRBAG
DK.GRAY,TRIM1#,TAG = SIDE AIRBAG
GREGE,TRIM4#,TAG = SIDE AIRBAG
*DRP POWER SEAT & LEATHER PACKAGE,GREGE,TRIM4#,TAG = SIDE AIRBAG
*DRP POWER SEAT & LEATHER PACKAGE,DK.GRAY,TRIM1#,TAG = SIDE AIRBAG
DK.GRAY,TRIM1#,TAG = SIDE AIRBAG
*DRP POWER SEAT & LEATHER PACKAGE,GREGE,TRIM4#,TAG = SIDE AIRBAG
GREGE,TRIM4#,TAG = SIDE AIRBAG
DK.GRAY,TRIM1#,TAG = SIDE AIRBAG
sub71074-33K70
*DRP POWER SEAT & LEATHER PACKAGE,DK.GRAY,TRIM1#,TAG = SIDE AIRBAG
sub71074-33K70
*DRP POWER SEAT & LEATHER PACKAGE,GREGE,TRIM4#,TAG = SIDE AIRBAG
sub71074-33K70
GREGE,TRIM4#,TAG = SIDE AIRBAG
sub71074-33K70
*DRP POWER SEAT & LEATHER PACKAGE,DK.GRAY,TRIM1#,TAG = SIDE AIRBAG
sub71074-33K80
*DRP POWER SEAT & LEATHER PACKAGE,GREGE,TRIM4#,TAG = SIDE AIRBAG
sub71074-33K80
71120BFRAME ASSY, FRONT SEAT W/ADJUSTER, LH
sub71120-33200
*DRP POWER SEAT & LEATHER PACKAGE
*DRP POWER SEAT PACKAGE
71200SSEAT ASSY, FRONT LH
*DRP POWER SEAT & LEATHER PACKAGE,DK.GRAY,TRIM1#
sub71020-33E70
*DRP POWER SEAT & LEATHER PACKAGE,GREGE,TRIM4#
sub71020-33E70
*DRP POWER SEAT & LEATHER PACKAGE,DK.GRAY,TRIM1#
sub71200-33R01
*DRP POWER SEAT & LEATHER PACKAGE,GREGE,TRIM4#
sub71200-33R01
*DRP POWER SEAT & LEATHER PACKAGE,DK.GRAY,TRIM1#
DK.GRAY,TRIM1#
GREGE,TRIM4#
*DRP POWER SEAT & LEATHER PACKAGE,GREGE,TRIM4#
DK.GRAY,TRIM1#
GREGE,TRIM4#
DK.GRAY,TRIM1#
GREGE,TRIM4#
DK.GRAY,TRIM1#
GREGE,TRIM4#
DK.GRAY,TRIM1#
GREGE,TRIM4#
71512SPAD, FRONT SEAT CUSHION, LH (FOR SEPARATE TYPE)
*DRP POWER SEAT & LEATHER PACKAGE
*DRP POWER SEAT PACKAGE
*DRP POWER SEAT & LEATHER PACKAGE
71552SPAD, FRONT SEATBACK, LH(FOR SEPARATE TYPE)
71706BOARD SUB-ASSY, FRONT SEATBACK, LH
DK.GRAY,TRIM1#
*DRP POWER SEAT & LEATHER PACKAGE,DK.GRAY,TRIM1#
*DRP POWER SEAT & LEATHER PACKAGE,GREGE,TRIM4#
GREGE,TRIM4#
DK.GRAY,TRIM1#
GREGE,TRIM4#
71812DSHIELD, FRONT SEAT CUSHION, LH
DK.GRAY,TRIM1#
GREGE,TRIM4#
DK.GRAY,TRIM1#
*DRP POWER SEAT & LEATHER PACKAGE,DK.GRAY,TRIM1#
GREGE,TRIM4#
*DRP POWER SEAT & LEATHER PACKAGE,GREGE,TRIM4#
DK.GRAY,TRIM1#
GREGE,TRIM4#
DK.GRAY,TRIM1#
*DRP POWER SEAT & LEATHER PACKAGE,DK.GRAY,TRIM1#
*DRP POWER SEAT PACKAGE,DK.GRAY,TRIM1#
*DRP POWER SEAT & LEATHER PACKAGE,GREGE,TRIM4#
*DRP POWER SEAT PACKAGE,GREGE,TRIM4#
GREGE,TRIM4#
71849CAP, SEAT ADJUSTER COVER, LH
71862SHIELD, FRONT SEAT CUSHION, INNER LH
*DRP POWER SEAT & LEATHER PACKAGE,DK.GRAY,TRIM1#
sub71862-33120
*DRP POWER SEAT & LEATHER PACKAGE,GREGE,TRIM4#
sub71862-33120
71873SHIELD, FRONT SEAT CUSHION, LOWER RH
*DRP POWER SEAT PACKAGE
71874SHIELD, FRONT SEAT CUSHION, LOWER LH
*DRP POWER SEAT PACKAGE
71875BCOVER, RECLINING ADJUSTER INSIDE, RH
*DRP POWER SEAT & LEATHER PACKAGE,DK.GRAY,TRIM1#
sub71876-60170
*DRP POWER SEAT & LEATHER PACKAGE,GREGE,TRIM4#
sub71876-60170
71875GCOVER, RECLINING ADJUSTER INSIDE, RH (FOR LH SEAT)
*DRP POWER SEAT & LEATHER PACKAGE
71876COVER, RECLINING ADJUSTER INSIDE, LH
*DRP POWER SEAT & LEATHER PACKAGE,DK.GRAY,TRIM1#
sub71875-60150
*DRP POWER SEAT & LEATHER PACKAGE,GREGE,TRIM4#
sub71875-60150
71876ACOVER, RECLINING ADJUSTER INSIDE, LH
*DRP POWER SEAT & LEATHER PACKAGE,DK.GRAY,TRIM1#
sub71876-60150
*DRP POWER SEAT & LEATHER PACKAGE,GREGE,TRIM4#
sub71876-60150
71876GCOVER, RECLINING ADJUSTER INSIDE, LH (FOR LH SEAT)
*DRP POWER SEAT & LEATHER PACKAGE
71910AHEADREST ASSY, FRONT SEAT
*DRP POWER SEAT & LEATHER PACKAGE&SEAT HEATER-WITH(DRIVER & PASSENGER),DK.GRAY,TRIM1#
sub71910-33561
sub71910-33700
*DRP POWER SEAT & LEATHER PACKAGE&SEAT HEATER-WITH(DRIVER & PASSENGER),GREGE,TRIM4#
sub71910-33561
sub71910-33700
DK.GRAY,TRIM1#
GREGE,TRIM4#
DK.GRAY,TRIM1#
*DRP POWER SEAT & LEATHER PACKAGE,DK.GRAY,TRIM1#
*DRP POWER SEAT & LEATHER PACKAGE,GREGE,TRIM4#
GREGE,TRIM4#
71931SUPPORT, FRONT SEAT HEADREST
W(LOCK)&W(BUTTON),*DRP POWER SEAT & LEATHER PACKAGE,DK.GRAY,TRIM1#
sub71930-52030
W(LOCK)&W(BUTTON),*DRP POWER SEAT PACKAGE,DK.GRAY,TRIM1#
sub71930-52030
W(LOCK)&W(BUTTON),*DRP POWER SEAT & LEATHER PACKAGE,GREGE,TRIM4#
sub71930-52030
W(LOCK)&W(BUTTON),*DRP POWER SEAT PACKAGE,GREGE,TRIM4#
sub71930-52030
72138BCOVER, SEAT TRACK, LH
*DRP POWER SEAT & LEATHER PACKAGE,DK.GRAY,TRIM1#
sub72138-33070
*DRP POWER SEAT & LEATHER PACKAGE,GREGE,TRIM4#
sub72138-33070
72158COVER, SEAT TRACK BRACKET, INNER LH
72462COVER, VERTICAL ADJUSTER RH
72462ACOVER, VERTICAL ADJUSTER LH
72493HANDLE, VERTICAL ADJUSTING, NO.2
72526AHANDLE, RECLINING ADJUSTER RELEASE, LH
73920AAIRBAG ASSY, FRONT SEAT, LH
8421
9011910921
main90119-10921
9016740044
main90167-40044
9016850078
main90168-50078
9356054010
main93560-54010
9356855016
main93568-55016
33 parts on this diagram · 8 diagrams in section