E
EPC Data

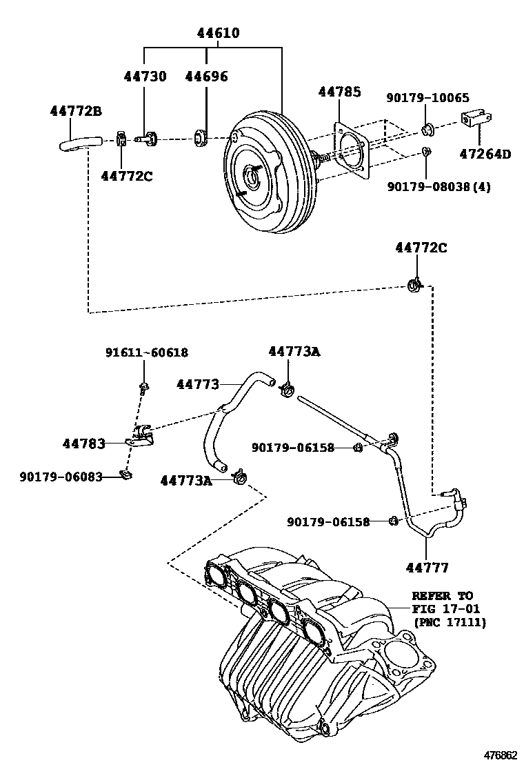
BRAKE BOOSTER & VACUUM TUBE

Parts diagram
44610BOOSTER ASSY, BRAKE
main44610-33670i200601-200903
main44610-33680i200601-200903
W(VSC)
main44610-33750supersedes 44610-33820i200601-200901
W(VSC)
main44610-33800i200901-201109
main44610-33810i200901-201109
VSC-WITH(WITHOUT-CUT OFF SWITCH)
main44610-33830i200901-201108
VSC-WITH(WITHOUT-CUT OFF SWITCH)
44696GROMMET, CHECK VALVE
main90480-24015i200601-200903
44730VALVE ASSY, VACUUM CHECK(FOR BRAKE)
main44730-10020i200601-200901
main44730-28030i200901-201109
44772BHOSE, CHECK VALVE TO BRAKE BOOSTER
main44772-33120i200901-201108
main44772-33130i200601-200903
main44772-33150i200601-200903
main44772-33170i200901-201109
44772CCLIP(FOR CHECK VALVE TO BRAKE BOOSTER HOSE)
main90467-16014×2i200901-201109
44773HOSE, VACUUM, NO.2
main44772-33160i200901-200907
main44772-33161i200908-201109
44773ACLIP, NO.1(FOR VACUUM HOSE, NO.2)
main90467-16014×2i200601-200903
44777CONNECTOR, VACUUM HOSE, NO.1
main44770-33090i200601-200903
44783CLAMP, VACUUM HOSE
main44783-28010i200601-200903
main44783-33010i200601-200903
44785GASKET, BRAKE BOOSTER
main44785-16020i200601-200903
47264DCLEVIS, BRAKE MASTER CYLINDER PUSH ROD
main47264-63020i200601-200903
9017906083
9017906158
9017908038
9017910065
9161160618

17 parts on this diagram · 4 diagrams in section

BRAKE BOOSTER & VACUUM TUBE — Toyota Parts Diagram with OEM Numbers & Prices | EPC Data