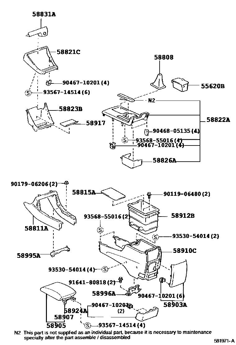
CONSOLE BOX & BRACKET

55620BHOLDER, INSTRUMENT PANEL CUP
58808COVER SUB-ASSY, SHIFTING HOLE
58811ABOX, CONSOLE, FRONT
DK.GRAY,TRIM1#
FAWN,TRIM4#
DK.GRAY,TRIM1#
FAWN,TRIM4#
DK.GRAY,TRIM9#
FAWN,TRIM4#
58815ACARPET, CONSOLE BOX
58821CPANEL, CONSOLE, UPPER
58822APANEL, CONSOLE, UPPER REAR
58823BBOX, CONSOLE COMPARTMENT
W(SEAT HEATER)
W(SEAT HEATER)
58826APOCKET, CONSOLE BOX, LOWER
58831AGARNISH, CONSOLE UPPER PANEL, FRONT
W(SEAT HEATER)
W(SEAT HEATER)
W(SEAT HEATER)
58903APANEL SUB-ASSY, CONSOLE REAR END
58905DOOR SUB-ASSY, CONSOLE COMPARTMENT
58907HINGE SUB-ASSY, CONSOLE COMPARTMENT DOOR
LEATHER SEAT
FABRIC SEAT
58910CBOX ASSY, CONSOLE, REAR
DK.GRAY,TRIM1#
DK.GRAY,TRIM9#
FAWN,TRIM4#
DK.GRAY,TRIM1#
DK.GRAY,TRIM9#
FAWN,TRIM4#
58912BBOX, REAR CONSOLE, LOWER
58924APANEL, CONSOLE REAR END, NO.2
58995ABRACKET, CONSOLE BOX MOUNTING, NO.1
58996ABRACKET, CONSOLE BOX MOUNTING, NO.2
9011906480
main90119-06480
9017906206
main90179-06206
9046710201
main90467-10201
9046805135
main90468-05135
9164180818
main91641-80818
9353054014
main93530-54014
9356714514
main93567-14514
9356855016
main93568-55016
26 parts on this diagram · 4 diagrams in section