E
EPC Data

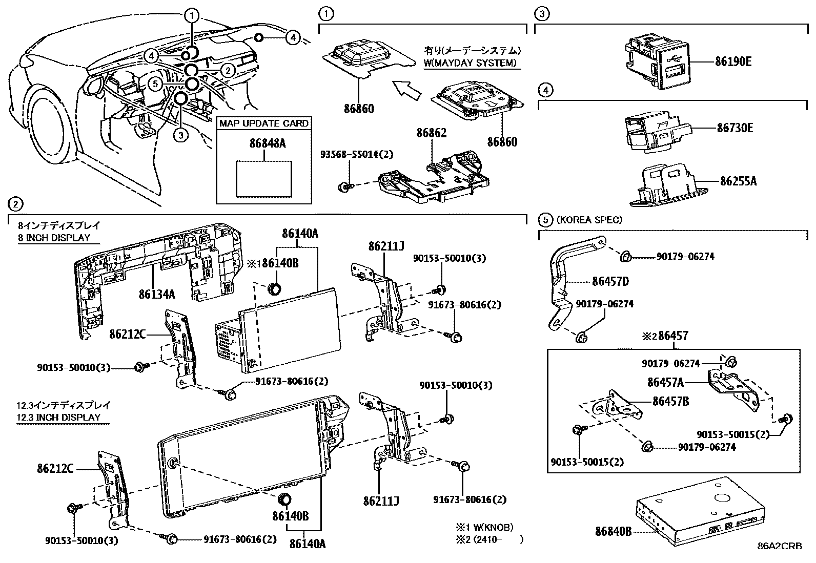
NAVIGATION & FRONT MONITOR DISPLAY

Parts diagram
86134APARTS, MULTI-DISPLAY
main86134-33070i202406
main86134-33060i202412
AUDIO-8INCH 6SPEAKER; SRI LANKA SPEC&&AUDIO-8INCH 6SPEAKER
86140ARECEIVER ASSY, RADIO & DISPLAY
main86100-33760i202406
DENSO TEN
main86100-33850i202406
DENSO TEN
main86100-33D20supersedes 86100-33861i202406
PANASONIC; PANASONIC,ARMENIA SPEC; PANASONIC,KAZAKHSTAN SPEC; PANASONIC,KYRGYZSTAN SPEC
main86140-33P50i202406
DENSO TEN
main86100-33780i202406
PANASONIC,EGYPT SPEC; PANASONIC,LIBYA SPEC
main86100-33820i202406
DENSO TEN,KOREA SPEC
main86100-33830i202406
DENSO TEN,KOREA SPEC&UPPER GRADE PACKAGE
main86100-33860i202406-202411
PANASONIC; PANASONIC,ISRAEL SPEC
main86100-33861i202412
PANASONIC; PANASONIC,ISRAEL SPEC
main86100-33870i202406-202411
PANASONIC,ISRAEL SPEC&UPPER GRADE PACKAGE; PANASONIC,UPPER GRADE PACKAGE
main86100-33871i202412
PANASONIC,UPPER GRADE PACKAGE
main86100-33880i202406
PANASONIC; PANASONIC,CAUCASUS SPEC; PANASONIC,MOLDOVA SPEC
main86100-33890i202406
PANASONIC,CAUCASUS SPEC&UPPER GRADE PACKAGE; PANASONIC,MOLDOVA SPEC&UPPER GRADE PACKAGE
main86100-33A20i202406
PANASONIC,UKRAINE SPEC
main86100-33A40i202406-202412
PANASONIC,UKRAINE SPEC&UPPER GRADE PACKAGE
main86100-33B40supersedes 86100-33B31i202406
PANASONIC
main86100-33B50i202406-202410
PANASONIC,UPPER GRADE PACKAGE&AUDIO-12.3INCH & JBL 9SPEAKER
main86100-33B51i202411
PANASONIC,UPPER GRADE PACKAGE&AUDIO-12.3INCH & JBL 9SPEAKER
main86100-33B80i202406-202412
PANASONIC,UPPER GRADE PACKAGE&AUDIO-12.3INCH & JBL 9SPEAKER
main86100-33C20supersedes 86140-33Q40i202406-202412
PANASONIC,UPPER GRADE PACKAGE&AUDIO-12.3INCH & JBL 9SPEAKER
main86100-33C30supersedes 86140-33Q40i202406-202412
DENSO TEN,HONG KONG SPEC&UPPER GRADE PACKAGE&AUDIO-12.3INCH & JBL 9SPEAKER
main86100-33D30i202406
PANASONIC,ARMENIA SPEC&UPPER GRADE PACKAGE; PANASONIC,KAZAKHSTAN SPEC&UPPER GRADE PACKAGE; PANASONIC,KYRGYZSTAN SPEC&UPPER GRADE PACKAGE; PANASONIC,UPPER GRADE PACKAGE
main86140-33P90supersedes 86100-33840i202406
DENSO TEN,VALUE PACKAGE
main86140-33Q40i202406-202412
DENSO TEN; DENSO TEN,PAPUA NEW GUINEA, FIJI SPEC
main86140-33R20supersedes 86140-33R11i202406
PANASONIC
main86140-33R30supersedes 86140-33Q40i202406-202412
DENSO TEN; DENSO TEN,SRI LANKA SPEC
main86140-33R40supersedes 86140-33R50i202406
DENSO TEN; DENSO TEN,IRAQ SPEC; DENSO TEN,IRAQ SPEC&VALUE PACKAGE&AUDIO-8INCH 6SPEAKER; DENSO TEN,JORDAN SPEC; DENSO TEN,JORDAN SPEC&VALUE PACKAGE&AUDIO-8INCH 6SPEAKER; DENSO TEN,KUWAIT SPEC; DENSO TEN,KUWAIT SPEC&VALUE PACKAGE&AUDIO-8INCH 6SPEAKER; DENSO TEN,QATAR SPEC; DENSO TEN,QATAR SPEC&VALUE PACKAGE&AUDIO-8INCH 6SPEAKER; DENSO TEN,VALUE PACKAGE&AUDIO-8INCH 6SPEAKER; DENSO TEN,YEMEN SPEC
main86140-33R50i202406
DENSO TEN; DENSO TEN,VALUE PACKAGE&AUDIO-8INCH 6SPEAKER
86140BKNOB, RADIO & DISPLAY RECEIVER SWITCH
main90010-23064supersedes 90010-24202i202406
KOREA SPEC; KOREA SPEC&UPPER GRADE PACKAGE
main90010-24202i202406
ISRAEL SPEC
86190EADAPTER ASSY, STEREO JACK
main86190-12080i202406
86211JBRACKET, RADIO RECEIVER, NO.1
main86211-33500i202406
86212CBRACKET, RADIO RECEIVER, NO.2
main86212-33500i202406
86255ACASE, MICROPHONE, NO.1
main86255-42010-C0×2i202406
BLACK,TRIM0#,2#,4#; BLACK,TRIM2#; BLACK,TRIM2#,4#
86457BRACKET, MULTI-MEDIA MODULE NO.1
main86457-33150i202410
KOREA SPEC
86457ABRACKET, MULTI-MEDIA MODULE NO.2
main86457-33110i202406
KOREA SPEC
86457BBRACKET, MULTI-MEDIA MODULE NO.3
main86457-33120i202406
KOREA SPEC
86457DBRACKET, MULTI-MEDIA MODULE NO.4
main86457-33140i202406
KOREA SPEC
86730EMICROPHONE ASSY
main86730-16010×2i202406
AUDIO-8INCH 6SPEAKER
86840BCOMPUTER ASSY, NAVIGATION
main86840-78040i202406-202410
KOREA SPEC
86848ACARD, SERIAL NUMBER MAP UPDATE
main86848-78030i202410
VALUE PACKAGE
main86848-78040i202410
main86848-78050i202410
EGYPT SPEC; LIBYA SPEC
main86848-78020supersedes 86848-78080i202412
HONG KONG SPEC
main86848-78080i202410-202412
UPPER GRADE PACKAGE
86860ANTENNA ASSY, NAVIGATION
main86860-78010supersedes 86880-42030i202406
CAUCASUS SPEC; CAUCASUS SPEC&WITHOUT(REMOTE AIR CONDITIONER PACKAGE); EGYPT SPEC; LIBYA SPEC; MOLDOVA SPEC; MOLDOVA SPEC&WITHOUT(REMOTE AIR CONDITIONER PACKAGE); NEW ZEALAND SPEC&WITHOUT(REMOTE AIR CONDITIONER PACKAGE); UKRAINE SPEC; UKRAINE SPEC&WITHOUT(REMOTE AIR CONDITIONER PACKAGE); WITHOUT(REMOTE AIR CONDITIONER PACKAGE)
main86880-42010i202406
KOREA SPEC&WITHOUT(REMOTE AIR CONDITIONER PACKAGE); UAE SPEC&WITH(REMOTE AIR CONDITIONER PACKAGE)
main86880-42030i202406
ARMENIA SPEC&WITHOUT(REMOTE AIR CONDITIONER PACKAGE); KAZAKHSTAN SPEC&WITHOUT(REMOTE AIR CONDITIONER PACKAGE); KYRGYZSTAN SPEC&WITHOUT(REMOTE AIR CONDITIONER PACKAGE)
86862BRACKET, NAVIGATION ANTENNA
main86862-42010i202406
9015350010
9015350015
9017906274
9167380616
9356855014

21 parts on this diagram · 2 diagrams in section

NAVIGATION & FRONT MONITOR DISPLAY — Toyota Parts Diagram with OEM Numbers & Prices | EPC Data