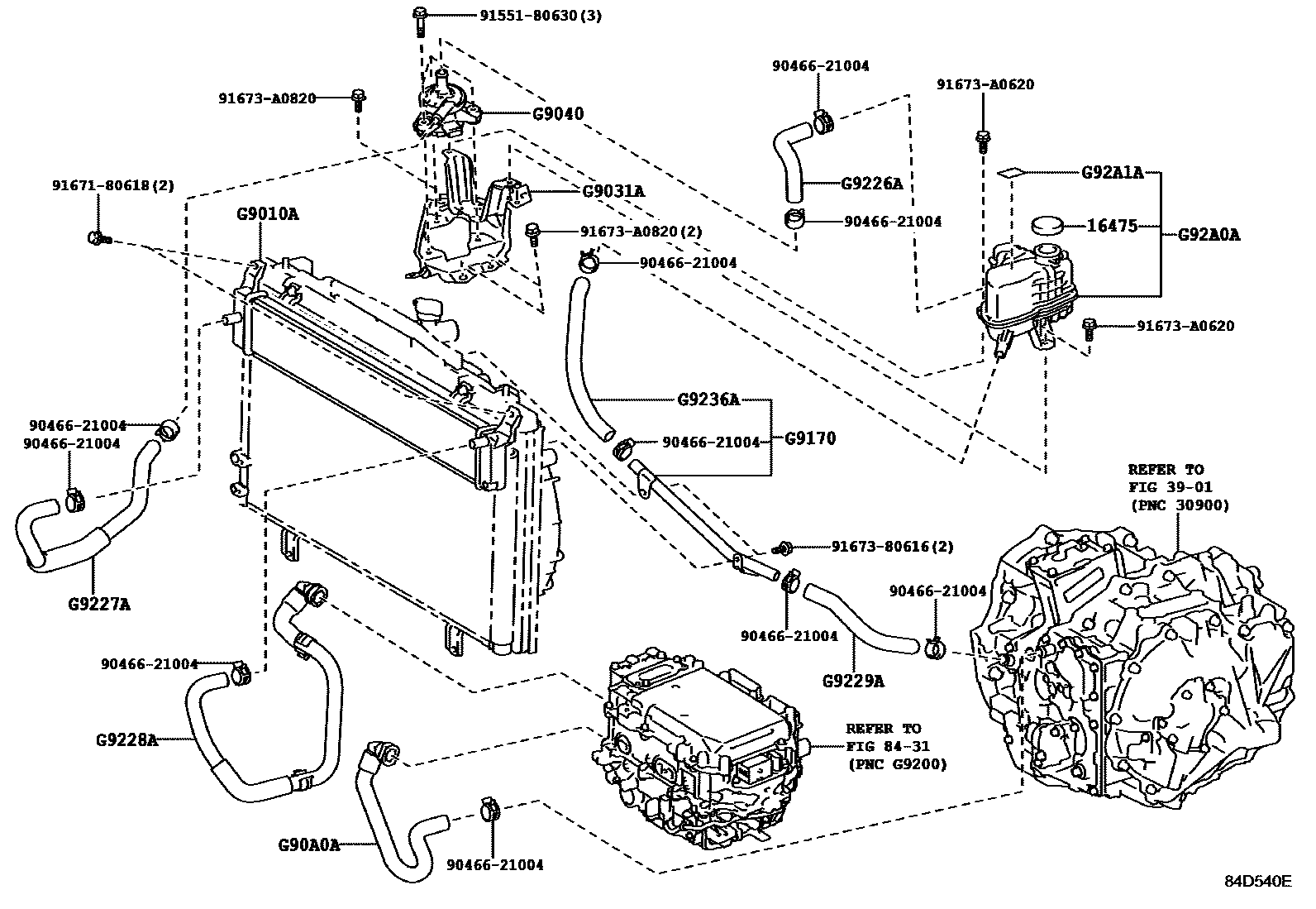
INVERTER COOLING

3901TRANSAXLE ASSY(HEV OR BEV OR FCEV)
8431HEV INVERTER
G9010ARADIATOR ASSY
G9031ABRACKET SUB-ASSY, HV WATER PUMP
G9040INVERTER WATER PUMP ASSY(W/MOTOR)
G90A0AHOSE ASSY, INVERTER COOLING, NO.1
G9170PIPE ASSY, INVERTER COOLING NO.1
G9226AHOSE, INVERTER COOLING, NO.2
G9227AHOSE, INVERTER COOLING, NO.3
G9228AHOSE, INVERTER COOLING, NO.4
G9229AHOSE, INVERTER COOLING, NO.5
G9236AHOSE, INVERTER COOLING, NO.6
G92A1ALABEL, HYBRID COOLANT SYSTEM INFORMATION
9046621004
main90466-21004
9155180630
main91551-80630
9167180618
main91671-80618
9167380616
main91673-80616
91673A0620
main91673-A0620
91673A0820
main91673-A0820
21 parts on this diagram · 1 diagram in section