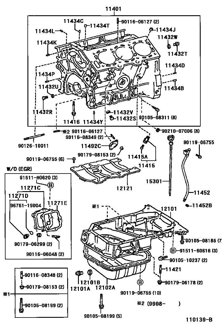
CYLINDER BLOCK

11271CCOVER, CYLIVDER BLOCK SIDE
11271DPLUG, DRAIN COCK(FOR CYLINDER BLOCK SIDE COVER )
11271EGASKET, E.G.R COOLER
11415COCK SUB-ASSY, WATER DRAIN(FOR CYLINDER BLOCK)
11415APLUG, WATER DRAIN COCK(FOR CYLINDER BLOCK)
11416BOLT(FOR CRANKSHAFT BEARING CAP SET)
11421BOLT, STUD(FOR OIL PAN)
11432RPLUG, W/HEAD STRAIGHT SCREW, NO.1(FOR CYLINDER BLOCK)
11432SPLUG, W/HEAD STRAIGHT SCREW, NO.2(FOR CYLINDER BLOCK)
11432TPLUG, W/HEAD STRAIGHT SCREW, NO.3(FOR CYLINDER BLOCK)
11432UGASKET, STRAIGHT SCREW PLUG NO.1(FOR CYLINDER BLOCK)
11432VGASKET, STRAIGHT SCREW PLUG NO.2(FOR CYLINDER BLOCK)
11432WGASKET, STRAIGHT SCREW PLUG NO.3(FOR CYLINDER BLOCK)
11434BPIN, STRAIGHT(FOR CLUTCH HOUSING SET)
L=22,OD=10
11434CPIN, STRAIGHT (FOR CYLINDER HEAD SET)
L=12,OD=4.0
11434DPIN, STRAIGHT(FOR ENGINE REAR OIL SEAL)
L=12,OD=4.0
L=14,OD=6
11434JPIN, RING (FOR CYLINDER HEAD SET)
11434KPIN, STRAIGHT(FOR WATER PUMP)
11434LPIN, STRAIGHT(FOR ENGINE MOUNTING)
11434PPIN, STRAIGHT(FOR OIL PUMP SET)
L=12,OD=4.0
11434TPIN, RING(FOR TIMING BELT IDLER BRACKET SET)
11434YPIN, STRAIGHT(FOR OIL PAN)
11452BRING, O(FOR OIL LEVEL GAGE GUIDE)
12101PAN SUB-ASSY, OIL
W/O(OIL LEVEL SENSOR)
W(OIL LEVEL SENSOR)
12101APLUG(FOR OIL PAN DRAIN)
sub90341-12012
12101BGASKET(FOR OIL PAN DRAIN PLUG)
12102APAN SUB-ASSY, OIL, NO.2
9010508185
main90105-08185
9010508199
main90105-08199
9010508311
main90105-08311
9010510237
main90105-10237
9011606048
main90116-06048
9011606127
main90116-06127
9011608348
main90116-08348
9011608349
main90116-08349
9011906755
main90119-06755
9012610011
main90126-10011
9017906178
main90179-06178
9017906299
main90179-06299
9017908153
main90179-08153
9021007006
main90210-07006
9151160616
main91511-60616
91511H0620
main91511-H0620
9676119004
main96761-19004
49 parts on this diagram · 2 diagrams in section