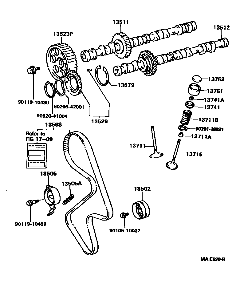
CAMSHAFT & VALVE

13502IDLER SUB-ASSY, TIMING BELT, NO.2
13505IDLER SUB-ASSY, TIMING BELT, NO.1
13505ASPRING, TENSION(FOR IDLER)
13511CAMSHAFT
13512CAMSHAFT, NO.2
13523PPULLEY, CAMSHAFT TIMING
13529GEAR, CAMSHAFT SUB
13568BELT, TIMING
13579WASHER, CAMSHAFT TIMING GEAR BOLT
13711VALVE, INTAKE
AISAN
13711ASEAL OR RING, O(FOR VALVE STEM OIL)
EXHAST SIDE
EXHAUST SIDE
INTAKE SIDE
INTAKE SIDE
EXHAUST SIDE
13711BSPRING, COMPRESSION(FOR INNER)
CHUMATU
13715VALVE, EXHAUST
13741RETAINER, VALVE SPRING
13741ALOCK, VALVE SPRING RETAINER
13751LIFTER, VALVE
13753SHIM, VALVE ADJUSTING
T=2.50
T=2.55
T=2.60
T=2.65
T=2.70
T=2.75
T=2.80
T=2.85
T=2.90
T=2.95
T=3.00
T=3.05
T=3.10
T=3.15
T=3.20
T=3.25
T=3.30
1709CAUTION PLATE & NAME PLATE (ENGINE)
9010510032
main90105-10032
9011910430
main90119-10430
9011910469
main90119-10469
9020116031
main90201-16031
9020642001
main90206-42001
9052041004
main90520-41004
24 parts on this diagram · 2 diagrams in section