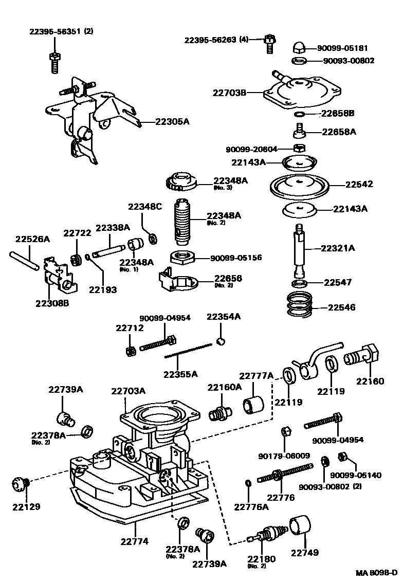
INJECTION PUMP BODY

22119WASHER, AIR BLEEDER NIPPLE
22129PLUG, SCREW
22143SEAT, SPRING UPPER
22143ASEAT, SPRING UPPER, NO.2
22160SCREW SUB-ASSY, OVERFLOW
22160ASCREW SUB-ASSY, OVER FLOW, NO.2
22180VALVE SUB-ASSY, REGULATOR
NO.1
NO.2
22193RING, O(FOR LEVER CONNECTING PIN)
22305AIDLE-UP SUB-ASSY
22308BLEVER SUB-ASSY, CONTROL
22321AROD, PUSH
22338APIN, LEVER CONNECTING
22348ABUSHING, GUIDE
NO.1
NO.3
NO.2
22348CWASHER(FOR GUIDE BUSHING)
22354ASEAL, ROD
22355AWIRE, GOVERNOR HOUSING SEAL
22378AWASHER, GOVERNOR THRUST
NO.2
NO.1
22526APIN, LEVER SUPPORT
22542DIAPHRAGM(FOR BOOST COMPENSATOR)
22546SPRING, BOOST COMPENSATOR
K=2.30,L=19.7
22547SHIM, BOOST COMPENSATOR
T=1.9
T=2.1
T=2.3
T=2.5
T=2.7
T=1.3
T=1.5
T=1.7
T=2.9
T=1.1
T=3.1
T=3.3
22656CLIP, TIMER
NO.1
NO.2
22658STOPPER, TIMER
NO.1
NO.2
22658ASTOPPER, TIMER SLIDE
22658BRING, O(FOR TIMER SLIDE STOPPER)
22703ACOVER SUB-ASSY, GOVERNOR
22703BCOVER, GOVERNOR
22712NUT, ROCK
22722NUT, GOVERNOR SHAFT ROCK
22739BOLT, GOVERNOR LINK SUPPORT
22739ABOLT, GOVERNOR LINK SUPPORT NO.2
22749COLLAR, SMOKE SET ADJUSTING
22774GASKET, GOVERNOR COVER
22776SCREW, SMOKE SET ADJUSTING
22776ARING, O(FOR SMOKE SET SCREW)
22777ACAP, RUBBER(FOR ALTITUDE COMPENSATING TIMER ADVANCER)
2239556263BOLT, SOCKET(FOR INJECTION PUMP GOVERNOR COVER)
main22395-56263
2239556351BOLT, SOCKET(FOR INJECTION PUMP GOVERNOR COVER)
main22395-56351
9009300802
main90093-00802
9009904954
main90099-04954
9009905140
main90099-05140
9009905156
main90099-05156
9009905181
main90099-05181
9009920604
main90099-20604
9017906009
main90179-06009
45 parts on this diagram · 2 diagrams in section