E
EPC Data

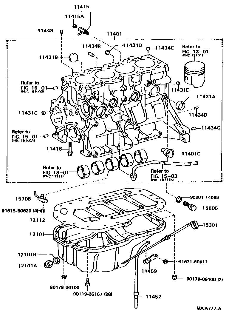
CYLINDER BLOCK

Parts diagram
11401BLOCK SUB-ASSY, CYLINDER
main11401-69325i198808-198906
main11401-69345i198808-199006
main11401-69355i199006-199106
main11401-69385i198906-199106
main11401-79305i198808-198902
main11401-79306i198906-199005
main11401-79307i199005-199106
main11401-79345i198808-198902
main11401-79346i198906-199005
main11401-79347i199005-199106
main11401-79355i198808-198902
main11401-79356i198906-199005
main11401-79357i199005-199106
11401CFLANGE(FOR WATER BY-PASS)
main16353-64010i198808-199106
11415COCK SUB-ASSY, WATER DRAIN(FOR CYLINDER BLOCK)
main90910-09088i198808-199106
11415APLUG, WATER DRAIN COCK(FOR CYLINDER BLOCK)
main90345-52001i198808-199106
main90910-09087i198808-199106
main96431-23814i198808-199106
11416BOLT(FOR CRANKSHAFT BEARING CAP SET)
main90105-10028i198808-199106
main90910-02061i198808-199106
main90910-02072i198808-199106
11431APLUG, TIGHT, NO.1(FOR CYLINDER BLOCK)
main96411-43500i198808-199106
11431BPLUG, TIGHT, NO.2(FOR CYLINDER BLOCK)
main96411-43000i198808-199106
main96411-44000i198808-199106
11431CPLUG, TIGHT, NO.3(FOR CYLINDER BLOCK)
main96411-41800i198808-199106
11431DPLUG, TIGHT, NO.4(FOR CYLINDER BLOCK)
main96411-41800i198808-199106
11431EPLUG, TIGHT, NO.5(FOR CYLINDER BLOCK)
main96411-41800i198808-199106
11434CPIN, STRAIGHT (FOR CYLINDER HEAD SET)
main90253-14001i198808-199106
L=9,OD=14
11434DPIN, STRAIGHT(FOR ENGINE REAR OIL SEAL)
main90250-06003i198808-199106
L=14,OD=6
main90250-06068i198808-199106
L=11,OD=6
11434GPIN, STRAIGHT(FOR END PLATE)
main90250-10113i198808-199106
11434RPIN, STRAIGHT(FOR DRIVE SHAFT BEARING BRACKET)
main90250-06003i198808-199106
11448ORIFICE, CYLINDER BLOCK OIL
main11448-54010i198808-199009
main11448-54020i199009-199106
11452GUIDE, OIL LEVEL GAGE
main11452-62010i198808-199106
main11452-64030i198808-199106
main11452-74030i198808-199106
main11452-88360i198808-199106
11459SUPPORT, OIL LEVEL GAGE GUIDE
main90929-01049i198808-199106
12101PAN SUB-ASSY, OIL
main12101-62010i198808-198905
main12101-62030i198905-199105
main12101-62031i199105-199106
main12101-64040i198808-199007
main12101-64110i199007-199106
main12101-74022i198808-198908
main12101-74050i198908-199106
12101APLUG(FOR OIL PAN DRAIN)
main90341-12012i198808-199106
12101BGASKET(FOR OIL PAN DRAIN PLUG)
main90430-12019i198808-199008
main90430-12020i198808-199105
main90430-12024i198812-198912
main90430-12027i198912-199106
main90430-12028i199008-199106
12112PAN, OIL NO.2
main12112-64040i198808-199106
1301
1501
1503
15301GAGE SUB-ASSY, OIL LEVEL
main15301-62010i198808-198906
main15301-62020i198906-199106
main15301-64010i198808-198901
main15301-64040i198901-198911
main15301-64041i198911-199106
main15301-74010i198808-199106
main15301-88362i198808-199106
15605VALVE SUB-ASSY, OIL CHECK
main15605-64020i198808-199106
15708NOZZLE SUB-ASSY, OIL, NO.1
main15790-64020i198808-199105
main15790-64021i199105-199106
1601
9011906167
9017906100
9020114099
9161560620
9162160612

33 parts on this diagram · 3 diagrams in section

CYLINDER BLOCK — Toyota Parts Diagram with OEM Numbers & Prices | EPC Data