E
EPC Data

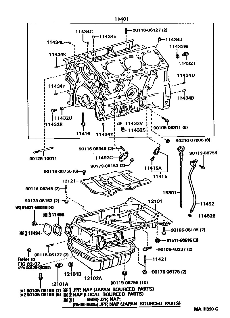
CYLINDER BLOCK

Parts diagram
11401BLOCK SUB-ASSY, CYLINDER
main11401-29515i199308-199608
main11401-69456i199106-199203
main11401-69457i199203-199308
main11401-79555i199106-199508
main11401-79556i199508-199608
11415COCK SUB-ASSY, WATER DRAIN(FOR CYLINDER BLOCK)
main90910-09095i199307-199608
main90910-09100i199106-199307
11415APLUG, WATER DRAIN COCK(FOR CYLINDER BLOCK)
main90345-52001i199106-199608
main90910-09087i199307-199608
main96432-23814i199106-199307
11416BOLT(FOR CRANKSHAFT BEARING CAP SET)
main90105-10028i199106-199608
main90910-02072i199106-199308
main90910-02114i199308-199608
11421BOLT, STUD(FOR OIL PAN)
main90116-06022i199106-199608
main90116-06098i199308-199608
main90116-06119i199106-199308
11432RPLUG, W/HEAD STRAIGHT SCREW, NO.1(FOR CYLINDER BLOCK)
main90341-16013i199308-199608
11432SPLUG, W/HEAD STRAIGHT SCREW, NO.2(FOR CYLINDER BLOCK)
main90341-16013i199308-199608
11432TPLUG, W/HEAD STRAIGHT SCREW, NO.3(FOR CYLINDER BLOCK)
main90341-20013i199308-199608
11432UGASKET, STRAIGHT SCREW PLUG NO.1(FOR CYLINDER BLOCK)
main90430-16009i199308-199608
11432VGASKET, STRAIGHT SCREW PLUG NO.2(FOR CYLINDER BLOCK)
main90430-16009i199308-199608
11432WGASKET, STRAIGHT SCREW PLUG NO.3(FOR CYLINDER BLOCK)
main90430-20004i199403-199608
main90430-20012i199308-199403
11434BPIN, STRAIGHT(FOR CLUTCH HOUSING SET)
main90250-10113i199106-199608
L=22,OD=10
11434CPIN, STRAIGHT (FOR CYLINDER HEAD SET)
main90250-04097i199308-199608
L=12,OD=4.0
11434DPIN, STRAIGHT(FOR ENGINE REAR OIL SEAL)
main90250-04097i199308-199608
L=12,OD=4.0
main90250-06003i199106-199608
L=14,OD=6
11434JPIN, RING (FOR CYLINDER HEAD SET)
main90253-13017i199106-199608
main90253-16001i199106-199608
11434KPIN, STRAIGHT(FOR WATER PUMP)
main90250-04097i199308-199608
11434LPIN, STRAIGHT(FOR ENGINE MOUNTING)
main90250-04097i199308-199608
11434PPIN, STRAIGHT(FOR OIL PUMP SET)
main90250-04097i199308-199608
L=12,OD=4.0
main90253-11021i199106-199408
L=8,OD=11
11434TPIN, RING(FOR TIMING BELT IDLER BRACKET SET)
main90253-11021i199106-199608
11434YPIN, STRAIGHT(FOR OIL PAN)
main90250-04097i199308-199608
11452GUIDE, OIL LEVEL GAGE
main11452-20010i199308-199605
main11452-20020i199605-199608
main11452-62030i199106-199308
main11452-74070i199106-199608
11452BRING, O(FOR OIL LEVEL GAGE GUIDE)
main96721-19010i199106-199608
11492CPLATE, WATER SEAL
main11492-50010i199308-199608
11494PLATE, OIL HOLE COVER
main11494-46010i199308-199605
11496GASKET, OIL HOLE COVER PLATE
main11496-46010i199308-199605
12101PAN SUB-ASSY, OIL
main12101-62050i199106-199308
main12101-74110i199106-199607
main12101-74111i199607-199608
main12111-20020i199308-199605
main12111-20030i199605-199608
12101APLUG(FOR OIL PAN DRAIN)
main90341-12012i199106-199308
main90341-12026i199107-199608
12101BGASKET(FOR OIL PAN DRAIN PLUG)
main90430-12027i199106-199308
main90430-12031i199106-199608
12102APAN SUB-ASSY, OIL, NO.2
main12102-20010i199308-199608
12121PLATE, OIL PAN BAFFLE, NO.1
main12121-20020i199308-199608
main12122-62020i199106-199308
15301GAGE SUB-ASSY, OIL LEVEL
main15301-20020i199308-199608
main15301-62040i199106-199308
main15301-74070i199106-199608
8202
9010508185
9010508199
9010508311
9010510237
9011606127
9011608348
9011608349
9011906755
9012610011
9017906178
9017906288
9017908153
9021007006
9151160616
91621B0616

47 parts on this diagram · 3 diagrams in section

CYLINDER BLOCK — Toyota Parts Diagram with OEM Numbers & Prices | EPC Data