E
EPC Data

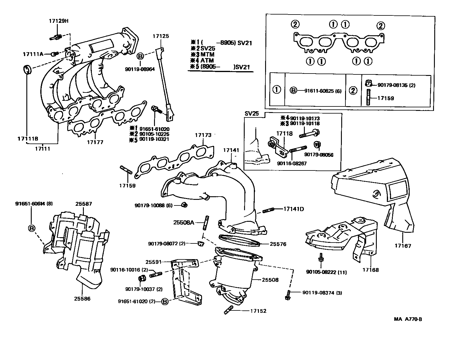
MANIFOLD

Parts diagram
17111MANIFOLD, INTAKE
main17101-74071i198808-199106
main17111-62020i198808-199106
17111APLUG, NO.1
main90345-51006×2i198808-199106
17111BPLUG, NO.2
main96411-44000i198808-199106
17118STAY, MANIFOLD
main17118-74080i198808-199106
17125STAY, SURGE TANK, NO.1
main17125-74021i198808-199106
main17125-74050i198905-199106
main17125-88361i198808-198905
17129TANK, INTAKE AIR SURGE
main17109-62010i198808-199002
main17109-62011i199002-199011
main17109-62012i199011-199106
17129HUNION, NO.4
main90404-51010i198808-199106
main90404-51026i198808-199106
17141MANIFOLD, EXHAUST
main17141-62020i198808-199106
main17141-74040i198808-198907
main17141-74041i198909-199106
17141DBOLT, STUD(FOR OXYGEN SENSOR)
main90116-08128×2i198808-199105
main90116-08253×2i198808-198907
main90126-08007×2i199105-199106
17152BOLT, STUD(FOR MANIFOLD TO EXHAUST PIPE)
main90116-10058×3i198808-198907
main90116-10149×6i198808-199106
17159BOLT, STUD(FOR MANIFOLD TO CYLINDER HEAD)
main90116-08251×4i198808-199106
INTAKE MANIFOLD
main90116-10063×6i198808-198907
EXHAUST MANIFOLD
main90116-10150×12i198808-199106
EXHAUST MANIFOLD
main92122-60822×2i198907-199106
INTAKE MANIFOLD
main92122-60825×2i198808-198907
INTAKE MANIFOLD
17167INSULATOR, EXHAUST MANIFOLD HEAT, NO.1
main17167-62010i198808-199106
main17167-74040i198907-198908
main17167-74140i198908-199106
CALIFORNIA PACKAGE
17168INSULATOR, EXHAUST MANIFOLD HEAT, NO.2
main17168-62010i198808-199106
main17168-74020i198908-199106
17173GASKET, EXHAUST MANIFOLD TO HEAD
main17173-62020i198808-199106
main17173-74040i198908-199006
CALIFORNIA PACKAGE
main17173-88360i198908-199006
9006
17177GASKET, INTAKE MANIFOLD TO HEAD, NO.1
main17177-62030×2i198808-199106
main17177-74041i198907-199006
main17177-74070i199006-199106
25508CONVERTER SUB-ASSY, MANIFOLD
main25508-74070i198808-198908
CALIFORNIA PACKAGE
main25508-74080i198808-198907
main25508-74130i198908-199106
main25508-74140i198908-199106
CALIFORNIA PACKAGE
25508ABOLT, STUD(FOR MANIFOLD CONVERTER)
main90116-08171×2i198808-198907
25576GASKET, MANIFOLD CONVERTER
main25576-74010i198808-198907
main25576-74020i198908-199106
CALIFORNIA PACKAGE
25586INSULATOR, MANIFOLD CONVERTER, NO.1
main25586-74011i198808-198907
25587INSULATOR, MANIFOLD CONVERTER, NO.2
main25587-74011i198907-198908
25591BRACKET, MANIFOLD SUPPORT
main25591-74010i198808-198907
main25591-74011i198911-199106
9010508222
9010510225
9011608267
9011610016
9011908374
9011908964
9011910118
9011910173
9011910321
9017908056
9017908072
9017908135
9017910037
9017910088
9161160825
9165160614
9165161020

38 parts on this diagram · 2 diagrams in section

MANIFOLD — Toyota Parts Diagram with OEM Numbers & Prices | EPC Data