E
EPC Data

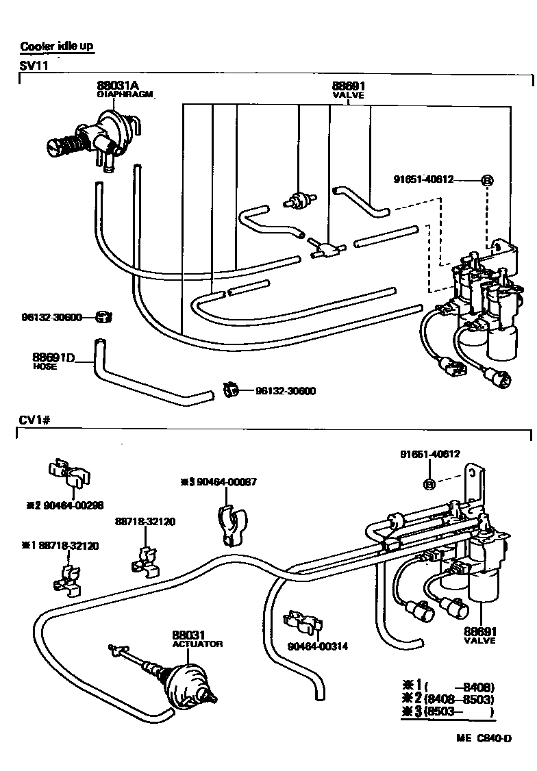
HEATING & AIR CONDITIONING - VACUUM PIPING

Parts diagram
88031ACTUATOR SET, IDLE-UP
main88031-30070i198308-198607
88031ADIAPHRAGM SUB-ASSY, IDLE-UP ACTUATOR
main88606-14020i198301-198607
88691VALVE, MAGNET (FOR IDLE UP DEVICE)
main88690-32080i198301-198607
main88690-32130i198308-198607
W/COOLER
main88690-32160i198308-198607
88691DHOSE, VACUUM (FOR IDLE UP DIVICE), NO.2
main88689-32030i198301-198607
L=150
8871832120PIPE, COOLER REFRIGERANT SUCTION, NO.2
9046400087
9046400298
9046400314
9165140612
9613230600

10 parts on this diagram · 2 diagrams in section

HEATING & AIR CONDITIONING - VACUUM PIPING — Toyota Parts Diagram with OEM Numbers & Prices | EPC Data