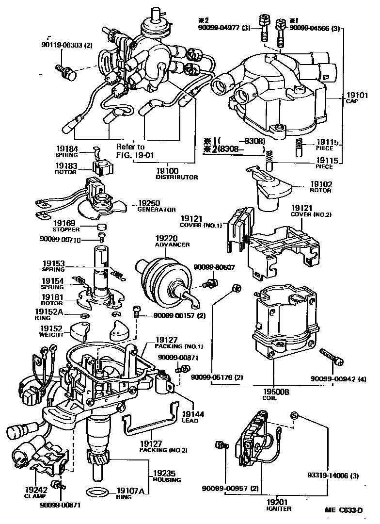
DISTRIBUTOR

1901
19100DISTRIBUTOR ASSY
19107ARING, O, DISTRIBUTOR HOUSING
sub90099-14090
19115PIECE, DISTRIBUTOR CAP, CENTER
19121COVER, DUST PROOF
NO.1
NO.2
19127PACKING, DUST PROOF
NO.1
NO.2
19144LEAD, DISTRIBUTOR BREAKER
19152WEIGHT, GOVERNOR
19152ARING, SNAP(FOR GOVERNOR WEIGHT)
19153SPRING, GOVERNOR, A
19154SPRING, GOVERNOR, B
19169STOPPER, CAM GREASE
sub19169-63011
19181ROTOR, DISTRIBUTOR, SIGNAL
19183ROTOR, SIGNAL
19184SPRING, ROTOR SET
19201IGNITER
19220ADVANCER ASSY, VACUUM, DISTRIBUTOR
19235HOUSING, DISTRIBUTOR
19242CLAMP, CORD
19250GENERATOR ASSY, SIGNAL
19500BCOIL ASSY, IGNITION
9009900157
main90099-00157
9009900710
main90099-00710
9009900871
main90099-00871
9009900942
main90099-00942
9009900957
main90099-00957
9009904566
main90099-04566
9009904977
main90099-04977
9009905179
main90099-05179
9009980507
main90099-80507
9011908303
main90119-08303
9331914006
main93319-14006
34 parts on this diagram · 2 diagrams in section