E
EPC Data

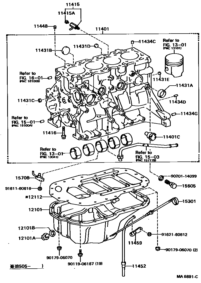
CYLINDER BLOCK

Parts diagram
11401BLOCK SUB-ASSY, CYLINDER
main11401-69155i198308-198508
main11401-69245i198508-198607
main11401-79045i198301-198607
main11401-79046i198607-198607
11401CFLANGE(FOR WATER BY-PASS)
main16353-64010i198308-198607
11415COCK SUB-ASSY, WATER DRAIN(FOR CYLINDER BLOCK)
main90910-09075i198308-198406
main90910-09076i198301-198607
main90910-09088i198406-198607
11415APLUG, WATER DRAIN COCK(FOR CYLINDER BLOCK)
main90109-10023i198308-198406
main90109-14003i198301-198607
main90910-09087i198406-198607
11416BOLT(FOR CRANKSHAFT BEARING CAP SET)
main90105-10028i198301-198607
*10-1.25PX67-18
main90910-02061i198308-198607
*12-1.25PX80-24
11431APLUG, TIGHT, NO.1(FOR CYLINDER BLOCK)
main96411-43500i198301-198607
OD=35
11431BPLUG, TIGHT, NO.2(FOR CYLINDER BLOCK)
main96411-43000i198308-198607
OD=30
main96411-44000i198301-198607
OD=40
11431CPLUG, TIGHT, NO.3(FOR CYLINDER BLOCK)
main96411-11800i198308-198607
OD=18
11431DPLUG, TIGHT, NO.4(FOR CYLINDER BLOCK)
main96411-11800i198308-198607
OD=18
11431EPLUG, TIGHT, NO.5(FOR CYLINDER BLOCK)
main96411-11800i198308-198607
OD=18
11434CPIN, STRAIGHT (FOR CYLINDER HEAD SET)
main90253-14001i198308-198607
L=9,OD=14
11434DPIN, STRAIGHT(FOR ENGINE REAR OIL SEAL)
main90250-06003i198301-198607
L=14,OD=6
main90250-06068i198308-198607
L=11,OD=6
11434GPIN, STRAIGHT(FOR END PLATE)
main90250-10113i198308-198607
11448ORIFICE, CYLINDER BLOCK OIL
main11448-54010i198308-198607
11452GUIDE, OIL LEVEL GAGE
main11452-63020i198301-198607
main11452-64030i198308-198607
11459SUPPORT, OIL LEVEL GAGE GUIDE
main90929-01049i198308-198607
12101PAN SUB-ASSY, OIL
main12101-63020i198301-198607
main12101-63021i198607-198607
main12101-64020i198308-198607
12101APLUG(FOR OIL PAN DRAIN)
main90341-18089i198301-198607
12101BGASKET(FOR OIL PAN DRAIN PLUG)
main90430-18013i198505-198607
main90430-18244i198301-198607
12112PAN, OIL NO.2
main12112-64020i198505-198607
1301
1501
1503
15301GAGE SUB-ASSY, OIL LEVEL
main15301-63020i198301-198607
main15301-64010i198308-198607
15605VALVE SUB-ASSY, OIL CHECK
main15605-64010i198308-198502
main15605-64011i198502-198607
15708NOZZLE SUB-ASSY, OIL, NO.1
main15790-64010i198308-198502
main15790-64011i198502-198607
1601
9011906167
9017906070
9020114099
9161160616
9162160612

32 parts on this diagram · 2 diagrams in section

CYLINDER BLOCK — Toyota Parts Diagram with OEM Numbers & Prices | EPC Data