E
EPC Data

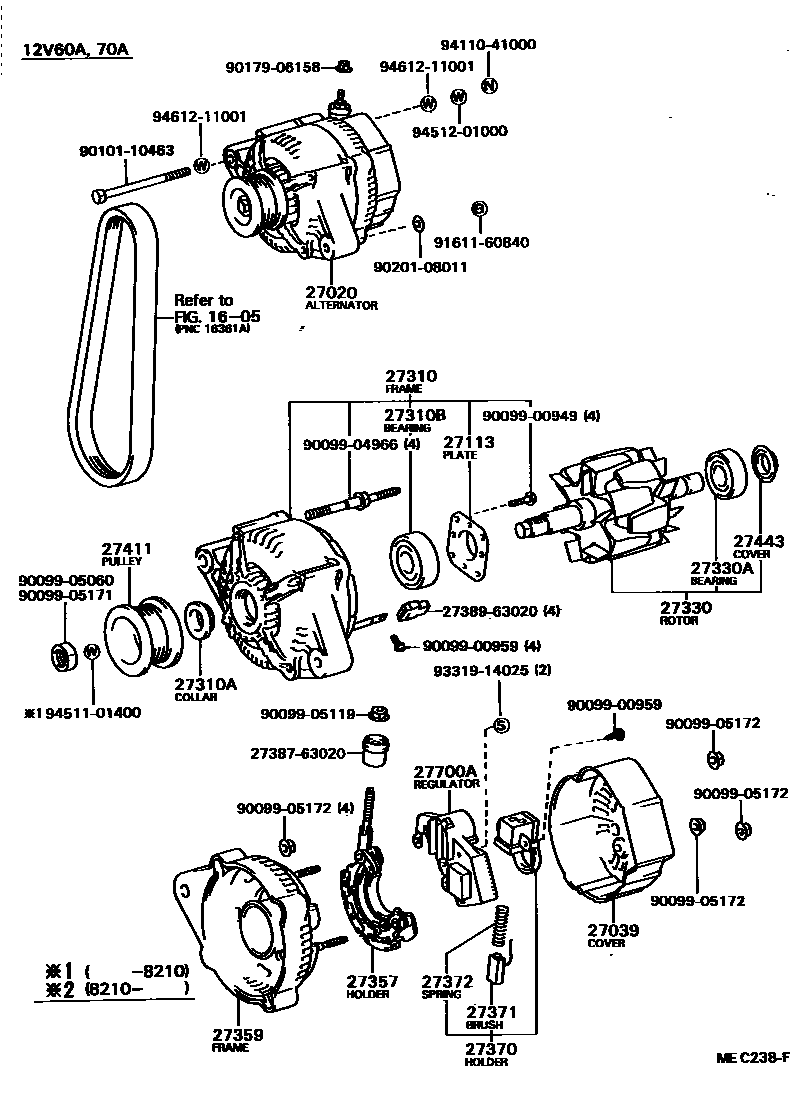
ALTERNATOR

Parts diagram
1605
27020ALTERNATOR ASSY
main27020-64080i198308-198610
12V 55A
main27020-64100i198308-198610
12V 60A,12V 60A
main27020-64160i198510-198610
12V 60A,12V 60A
main27060-63020i198210-198610
12V 70A,12V 70A
main27060-63030i198210-198610
12V 60A
27039COVER, ALTERNATOR REAR END
main27039-63020i198210-198301
12V 70A
main27039-63021i198301-198410
12V 70A
main27039-63040i198210-198505
12V 60A
main27039-72010i198410-198610
12V 70A
main27039-72110i198505-198610
12V 60A
27113PLATE, BEARING RETAINER, ALTERNATOR
main27312-57060i198308-198610
12V 55A,60A
main27312-63020i198210-198501
12V 60A,70A
main27312-72100i198501-198610
12V 60A,70A
27310FRAME ASSY, DRIVE END, ALTERNATOR
main27310-63020i198210-198501
12V 70A
main27310-63021i198501-198610
12V 70A
main27310-63040i198210-198501
12V 60A
main27310-63041i198501-198610
12V 60A
main27310-64060i198308-198610
12V 55A,60A
27310ACOLLAR OR NUT(FOR ALTERNATOR DRIVE END FRAME)
main27333-57060i198308-198610
12V 55A,60A
main27412-63020i198210-198210
12V 60A,70A
27310BBEARING(FOR ALTERNATOR DRIVE END FRAME)
main90099-10137i198308-198610
12V 55A,60A
main90099-10141i198210-198309
12V 60A,70A,6302
main90099-10152i198309-198412
12V 60A,70A,6302/1D
main90099-10156i198412-198501
12V 60A
main90099-10159i198501-198610
12V 60A,70A,336
27330ROTOR ASSY, ALTERNATOR
main27330-10020i198501-198610
12V 60A
main27330-56190i198308-198409
12V 55A
main27330-63020i198210-198301
12V 70A
main27330-63021i198301-198501
12V 70A
main27330-63040i198210-198303
12V 60A
main27330-63041i198303-198501
12V 60A
main27330-64030i198308-198409
12V 60A
main27330-64030i198409-198610
12V 55A,60A
main27330-72100i198501-198610
12V 70A
27330ABEARING(FOR ALTERNATOR ROTOR)
main90099-10140i198210-198610
12V 60A,70A
27357HOLDER, ALTERNATOR, W/RECTIFIER
main27357-63020i198210-198610
12V 70A
main27357-63040i198210-198610
12V 60A
27359FRAME, ALTERNATOR RECTIFIER END
main27359-63020i198210-198404
12V 70A
main27359-63021i198406-198610
12V 70A
main27359-63021i198404-198406
main27359-63040i198210-198404
12V 60A
main27359-63041i198404-198610
12V 60A
27370HOLDER ASSY, ALTERNATOR BRUSH
main27370-63020i198210-198404
12V 60A,70A
main27370-63021i198404-198610
12V 60A,70A
main27370-72100i198501-198603
12V 60A,70A
27371BRUSH, ALTERNATOR
main27371-56070i198308-198610
12V 55A,60A
main27371-63020i198210-198610
12V 60A,70A
27372SPRING, ALTERNATOR BRUSH
main27372-56070i198308-198610
12V 55A,60A
main27372-63020i198210-198501
12V 60A,70A
main27372-72100i198501-198610
12V 60A,70A
27411PULLEY, ALTERNATOR
main27411-63020i198210-198210
12V 60A,70A
main27411-63021i198210-198411
12V 60A,70A
main27411-63080i198411-198501
12V 60A,70A
main27411-63081i198501-198610
12V 60A,70A
main27411-64060i198308-198610
12V 55A,60A
main27411-64160i198510-198610
12V 60A
27443COVER, ALTERNATOR BEARING
main27443-63020i198210-198610
12V 60A,70A
27700AREGULATOR ASSY, GENERATOR
main27700-57060i198308-198606
12V 55A,60A
main27700-63020i198210-198304
12V 60A,70A
main27700-63021i198304-198610
12V 60A,70A
main27700-64030i198606-198610
12V 55A,60A
2738763020INSULATOR, TERMINAL
2738963020INSULATOR, TERMINAL
9009900949
9009900959
9009904966
9009905060
9009905119
9009905171
9009905172
9010110463
9017906158
9020108011
9161160840
9331914025
9411041000
9451101400
9451201000
9461211001

35 parts on this diagram · 2 diagrams in section

ALTERNATOR — Toyota Parts Diagram with OEM Numbers & Prices | EPC Data