E
EPC Data

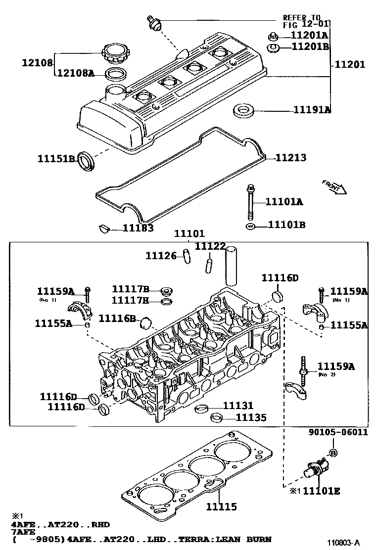
CYLINDER HEAD

Parts diagram
11101HEAD SUB-ASSY, CYLINDER
main11101-09090i199710-200003
main11101-09090i200003-200007
(L)
main11101-09100i199710-200007
main11101-09100i199710-199805
LEAN BURN
main11101-0D030i200007-200206
(L)
main11101-0D031i200206
(L)
main11101-19415i200003-200007
(J)
main11101-22070i200007-200206
(J)
main11101-22071i200206
(J)
main11101-27030i199908-200002
main11101-27031i200002-200005
main11101-27032i200005-200103
main11101-27033i200103
main11101-28020i200007-200105
main11101-28021i200105
main11101-64290i199710-199903
main11101-64380i199903-200007
main11101-79135i199710
11101ABOLT(FOR CYLINDER HEAD SET)
main90109-10058i199710-199712
*10-1.25PX90-22
main90109-10059i199710-199712
*10-1.25PX108-22
main90109-10132i199710
main90910-02120i199712-200007
*10-1.25PX90-22
main90910-02121i199712-200007
*10-1.25PX108-22
main90910-02130i199710-200007
*11-1.25PX145-53
main90910-02131i199710-200007
*11-1.25PX123-53
main90910-02134i200007
main90910-02136i199908
*11-1.25PX160-60
main90910-02139i199908
*11-1.25PX104-63
main90910-02141i200007
11101BWASHER, PLATE(FOR CYLINDER HEAD SET)
main90201-10344i199710-200007
main90201-11016i199908
main90201-11026i199710
main90201-11033i200007
main90201-12222i199710-200007
11101ESENSOR, CAM POSITION
main90919-05024i199710-200007
11115GASKET, CYLINDER HEAD
main11115-16121i199710-200007
main11115-16150i199710-200007
main11115-22040i200007-200207
main11115-22041i200207
main11115-27010-A0i199908
MARK A
main11115-27010-B0i199908
MARK B
main11115-27010-C0i199908
MARK C
main11115-27010-D0i199908
MARK D
main11115-27010-E0i199908
MARK E
main11115-28020i200007-200104
main11115-28021i200104
main11115-64180-A0i199710-199808
MARK 1
main11115-64180-B0i199710-199808
MARK 2
main11115-64180-C0i199710-199808
MARK 3
main11115-64181-01i199808-199903
MARK 1
main11115-64181-02i199808-199903
MARK 2
main11115-64181-03i199808-199903
MARK 3
main11115-64200-01i199903-200007
MARK 1
main11115-64200-02i199903-200007
MARK 2
main11115-64200-03i199903-200007
MARK 3
main11115-74110i199710
11116BPLUG, TIGHT, NO.2
main96411-42500i199710-200007
main96411-63000i199908
11116DPLUG, TIGHT, NO.4
main96411-42800i199710-200007
11117BPLUG, W/HEAD TAPER SCREW, NO.2
main90341-20002i199710-200007
11117HGASKET(FOR WATER HOLE)
main90430-20004i199710-200007
main90430-24246i199710
11122BUSH, INTAKE VALVE GUIDE
main11122-02030i199710-199801
STD
main11122-15030i199801-200007
STD
main11122-20020i200110
STD
main11122-22030i200007-200110
STD
main11122-27010i199908
STD
main11122-28010i200007
STD
main11122-64010i199710-200007
STD
main11122-74030i199710
STD
main11123-02030i199710-199801
O/S 0.05
main11123-15030i199801-200007
O/S 0.05
main11123-20020i200110
O/S 0.05
main11123-22030i200007-200110
O/S 0.05
main11123-27010i199908
O/S 0.05
main11123-28010i200007
O/S 0.05
main11123-64010i199710-200007
O/S 0.05
main11123-74030i199710
O/S 0.05
11126BUSH, EXHAUST VALVE GUIDE
main11122-02030i199710-199801
STD
main11122-15030i199801-200007
STD
main11122-16010i199710
STD
main11122-20020i200110
STD
main11122-22030i200007-200110
STD
main11122-27010i199908
STD
main11123-02030i199710-199801
O/S 0.05
main11123-15030i199801-200007
O/S 0.05
main11123-16010i199710
O/S 0.05
main11123-20020i200110
O/S 0.05
main11123-22030i200007-200110
O/S 0.05
main11123-27010i199908
O/S 0.05
main11126-20020i200007
STD
main11126-64030i199710-200007
STD
main11127-20020i200007
O/S 0.05
main11127-64030i199710-200007
O/S 0.05
11131SEAT, INTAKE VALVE
main11131-02040i200003-200007
STD,(L)
main11131-02040i199710-200007
STD
main11131-16040i200003-200007
STD,(J)
main11131-28021i200007
STD
main11131-74040i199710
STD
main11132-02040i200003-200007
O/S 0.03,(L)
main11132-02040i199710-200007
O/S 0.03
main11132-16040i200003-200007
O/S 0.03,(J)
main11132-28021i200007
O/S 0.03
main11132-74040i199710
O/S 0.03
11135SEAT, EXHAUST VALVE
main11135-02030i199710-200007
STD,(L)
main11135-02030i199710-200007
STD
main11135-16040i200003-200007
STD,(J)
main11135-28010i200007-200105
STD
main11135-28030i200105
STD
main11135-74041i199710
STD
main11136-02030i200003-200007
O/S 0.03,(L)
main11136-02030i199710-200007
O/S 0.03
main11136-16040i200003-200007
O/S 0.03,(J)
main11136-28010i200007-200105
O/S 0.03
main11136-28030i200105
O/S 0.03
main11136-74041i199710
O/S 0.03
11151BSEAL, OIL(FOR CAMSHAFT SETTING)
main90311-35022i199710-200007
main90311-38060i199710-200007
ARS
main90311-38067i199710-200007
NOK
main90311-38067i200007-200301
11155APIN, RING W/HEAD
main90250-06001i200007
main90253-09001i199710-200007
main90253-09001i199710-199805
LEAN BURN
main90253-10004i199710
main90253-11001i200007-200011
main90253-11004i200011-200107
main90253-11021i199710-200007
11159ABOLT(FOR HEAD TO CAMSHAFT BEARING CAP)
main90105-08337i200007
main90109-06080i199710-199805
LEAN BURN,NO.1
main90109-06080i199710-200007
NO.1
main90109-06080i200007
NO.2
main90109-06222i199710-200007
NO.2
main90119-07009i199710
main90119-08A29i200007
NO.1
main90119-08B76i199908
NO.1
main91511-80835i199908
NO.3
main91511-80860i199908
NO.2
11183PLUG, SEMICIRCULAR
main11183-15020i199710-200007
main11183-64010i199710
main11183-74010i199710
11191TUBE, SPARK PLUG
main11191-74030i199710
11191AGASKET(FOR SPARK PLUG TUBE)
main11193-02010i199710-200003
main11193-15010i200003-200007
(L)
main11193-76020i200003-200007
(J)
11201COVER SUB-ASSY, CYLINDER HEAD
main11201-0D020i200007
(L)
main11201-22060i200007
(J)
main11201-27010i199908-200105
main11201-27012i200105
main11201-28020i200007-200202
main11201-28021i200202
main11201-64141i199710-199907
main11201-64200i199907-200007
main11201-74070i199710-199901
main11201-74071i199901
main11210-02040i199710-200003
main11210-02040i200003-200007
(L)
main11210-15071i200003-200007
(J)
11201ANUT, CAP(FOR CYLINDER HEAD COVER)
main90176-06028i199710-200007
main90179-28004i199710
11201BWASHER, SEAL(FOR CYLINDER HEAD COVER)
main90210-06010i199710-200007
main90210-06013i200007
main90480-30025i199710
11213GASKET, CYLINDER HEAD COVER
main11213-02030i199710-200007
main11213-02070i199710-199805
LEAN BURN
main11213-02070i199710-200007
main11213-0D030i200007
(L)
main11213-22050i200007
(J)
main11213-27010i199908
main11213-28041i200007
main11213-64061i199710-200007
main11213-74020i199710
1201
12108CAP SUB-ASSY, OIL FILLER
main12180-02020i200112
(L)
main12180-02020i199710-200112
main12180-28010i200007
main12180-55010i199710
main12180-55010i200112
(J)
12108AGASKET(FOR OIL FILLER CAP)
main90080-43020i199710-200112
main90080-43020i200112
(L)
main90430-37004i200007
main90430-37140i199710
main90430-37140i200112
(J)
9010506011

27 parts on this diagram · 7 diagrams in section

CYLINDER HEAD — Toyota Parts Diagram with OEM Numbers & Prices | EPC Data