E
EPC Data

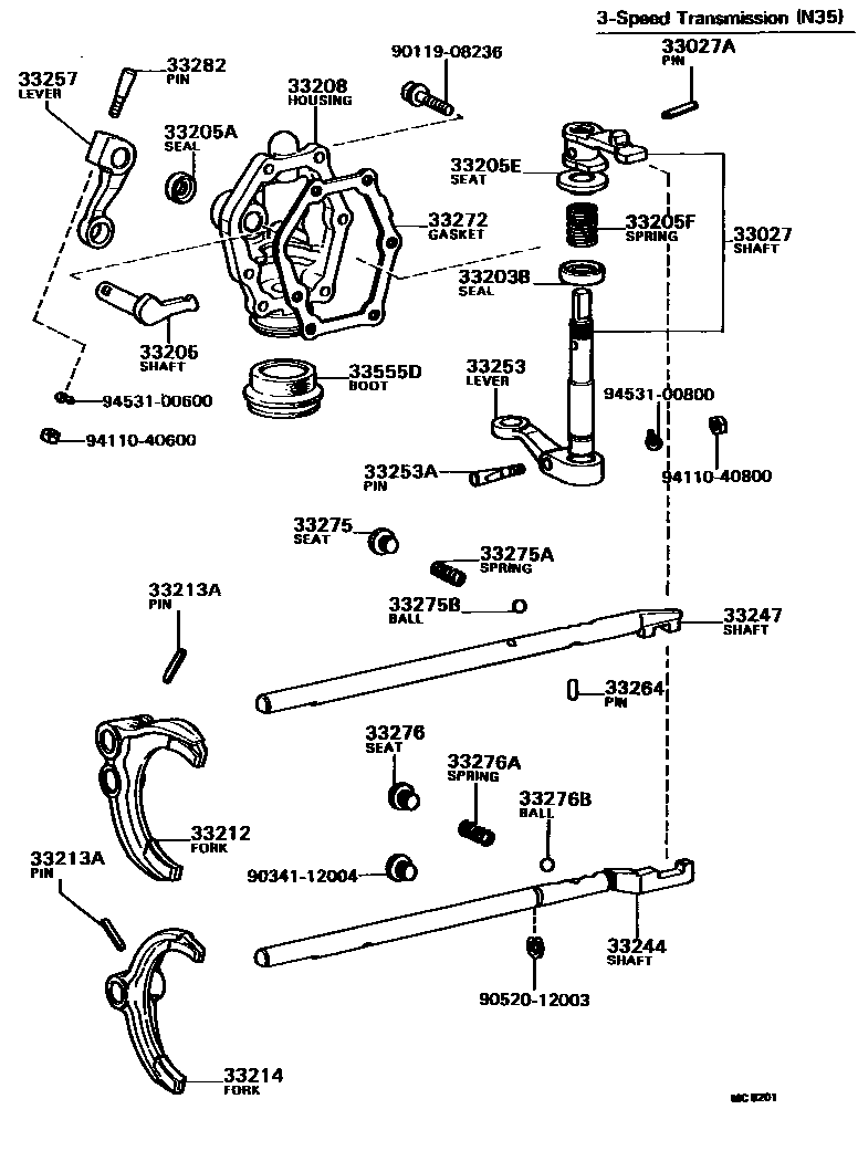
GEAR SHIFT FORK & LEVER SHAFT (MTM)

Parts diagram
33027SHAFT SET, SHIFT LEVER
main33027-30020i198201-198310
33027APIN, SLOTTED SPRING(FOR SHIFT LEVER SHAFT SET)
main90254-05001i198201-198310
33203SHAFT SUB-ASSY, SHIFT LEVER, NO.1
main33261-30071i198201-198310
33203BSEAL, OIL(FOR SHIFT LEVER SHAFT)
main90311-18002i198201-198310
33205SHAFT SUB-ASSY, SELECT LEVER
main33262-30030i198201-198310
main33262-30051i198201-198310
33205ASEAL, OIL(FOR SHIFT LEVER NO.2 SHAFT)
main90311-16001i198201-198310
main90313-13001i198201-198310
33205ESEAT(FOR SELECT RETURN SPRING)
main33276-30021i198201-198310
33205FSPRING, COMPRESSION(FOR SELECT RETURN)
main90501-16036i198201-198310
33208HOUSING SUB-ASSY, SHIFT LEVER SHAFT
main33271-30030i198201-198310
33212FORK, 1ST & REVERSE SHIFT
main33212-30040i198201-198310
33213FORK, 1ST & 2ND SHIFT
main33212-14010i198201-198508
main33212-20050i198201-198312
main33212-22020i198201-199110
33213APIN, SLOTTED SPRING(FOR SHIFT FORK SET)
main90254-05001i198201-198508
main90254-05016i198201-199907
33214FORK, 2ND & 3RD SHIFT
main33213-30040i198201-198310
33244SHAFT, 2ND & 3RD SHIFT FORK
main33243-30091i198201-198310
33247SHAFT, 1ST & REVERSE SHIFT FORK
main33242-30040i198201-198310
33253LEVER, SHIFT OUTER, NO.1
main33253-20060i198201-198310
main33253-22050i198201-198310
33253APIN, LEVER LOCK (FOR SHIFT OUTER LEVER)
main33281-16020i198201-198310
main33281-30030i198201-198310
33257LEVER, SELECT OUTER
main33257-20030i198201-198310
main33257-30040i198201-198310
33264PIN, OR BALL, SHIFT INTERLOCK, NO.1
main33264-22010i198201-199907
main33264-31010i198201-198312
main90250-06006i198201-198310
L=13.4,OD=6
main90250-06188i198201-198508
L=10.8,OD=6
33272GASKET, SHIFT LEVER SHAFT HOUSING
main33272-30040i198201-198310
33275SEAT, SHIFT DETENT BALL SPRING, NO.1
main33275-12010i198201-198508
main90341-10004i198201-198312
main90341-12004i198201-198710
OD=18
main90341-12014i198710-199907
OD=17
33275ASPRING, COMPRESSION (FOR SHIFT DETENT BALL LOW SIDE)
main90501-13001i198201-198312
L=16.5
main90501-13004i198201-199110
L=20.65
main90501-14123i199110-199907
L=20.2
main90501-14237i198201-198508
L=16.1
33275BBALL, SHAFT DETENT
main90360-08009i198201-198312
main90360-10003i198201-199110
main90363-10003i199110-199907
33276SEAT, SHIFT DETENT BALL SPRING, NO.2
main90341-10064i198201-198312
main90341-10065i199010-199907
SHIFT HEAD
main90341-12004i198201-198310
main90341-12005i198201-198310
main90341-12005i198408-199907
SHIFT FORK SHAFT
33276ASPRING, COMPRESSION, NO.2 (FOR SHIFT DETENT BALL)
main90501-10052i199010-199907
SHIFT HEAD
main90501-13001i198201-198312
main90501-13004i198201-199907
main90501-14123i198905-199907
SHIFT FORK SHAFT
33276BBALL, SHIFT DETENT, NO.2
main90360-08009i199010-199907
SHIFT HEAD
main90360-08009i198201-198312
main90360-10003i198408-199907
SHIFT FORK SHAFT
main90360-10003i198201-198310
33282PIN, LEVER LOCK, NO.2
main33281-30030i198201-198310
main33282-35010i198201-198310
33555DBOOT, SHIFT LEVER
main33555-30111i198201-198310
9011908236
9034112004
9052012003
9411040600
9411040800
9453100600
9453100800

35 parts on this diagram · 8 diagrams in section

GEAR SHIFT FORK & LEVER SHAFT (MTM) — Toyota Parts Diagram with OEM Numbers & Prices | EPC Data