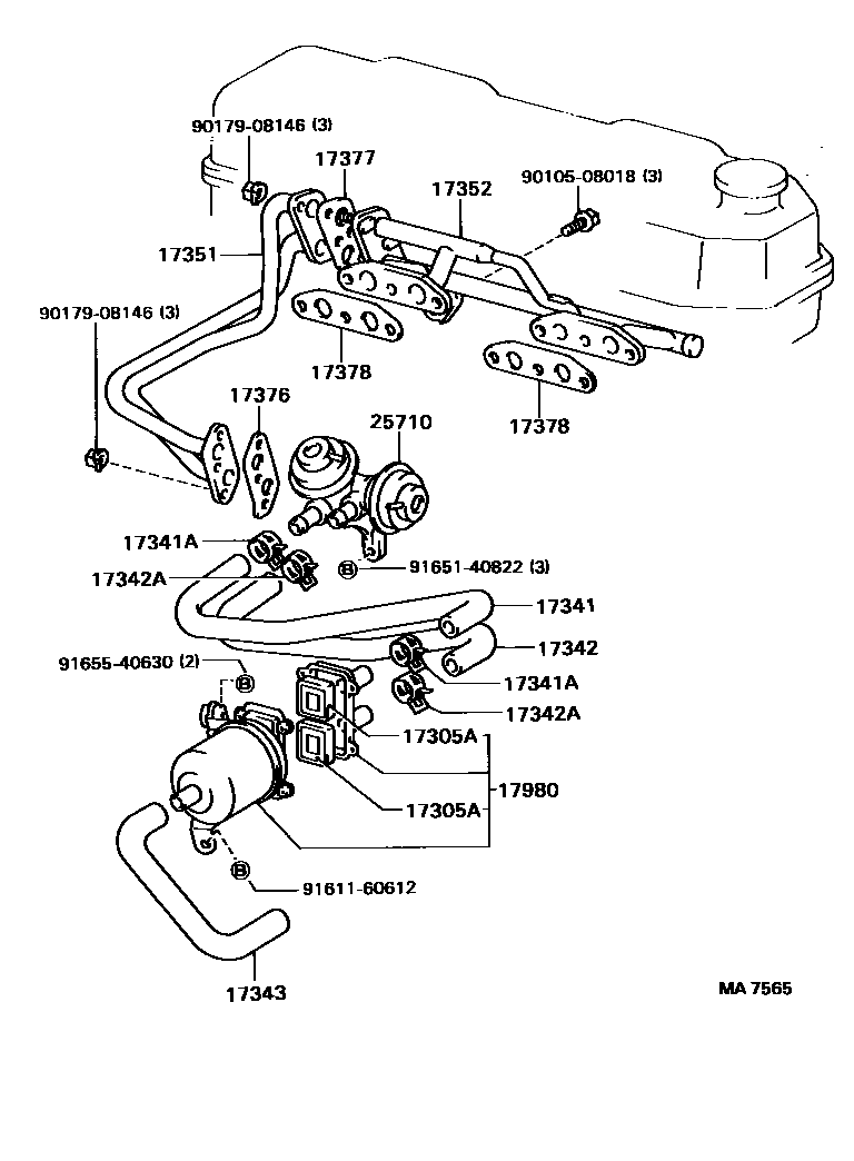
MANIFOLD AIR INJECTION SYSTEM

17305AVALVE SUB-ASSY, REED
17341HOSE, NO.1(FOR AIR INJECTION SYSTEM)
17341ACLAMP OR CLIP, NO.1(FOR AIR INJECTION SYSTEM HOSE, NO.1)
sub90467-28007
17342HOSE, NO.2(FOR AIR INJECTION SYSTEM)
17342ACLAMP OR CLIP, NO.2(FOR AIR INJECTION SYSTEM HOSE, NO.2)
sub90467-21006
sub96134-42300
sub90467-28007
17343HOSE, NO.3(FOR AIR INJECTION SYSTEM)
AS FILER TO AIR CLEANER
17351MANIFOLD, AIR INJECTION
17352MANIFOLD, AIR INJECTION, NO.2
17376GASKET, AIR TUBE, NO.1
17377GASKET, AIR TUBE, NO.2
17378GASKET AIR TUBE, NO.3
sub17378-35020
17980FILTER ASSY, AIR SUCTION
25710VALVE ASSY, AIR SWITCHING
9010508018
main90105-08018
9017908146
main90179-08146
9161160612
main91611-60612
9165140822
main91651-40822
9165540630
main91655-40630
18 parts on this diagram · 2 diagrams in section