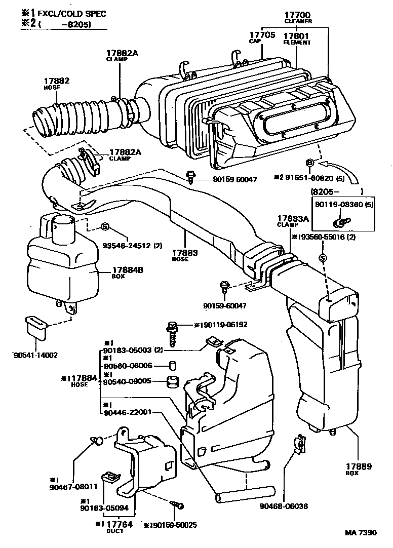
AIR CLEANER

17700CLEANER ASSY, AIR
W/HOT AIR INTAKE
W/HOT AIR INTAKE
17705CAP SUB-ASSY, AIR CLEANER
17764DUCT, AIR CLEANER
17801ELEMENT SUB-ASSY, AIR CLEANER FILTER
DUST AREA
17882HOSE, AIR CLEANER, NO.2
17882ACLAMP(FOR AIR CLEANER HOSE, NO.2)
AIR CLEANER SIDE
sub90460-01055
HOSE SIDE
HOSE NO.3 SIDE
AIR CLEANER SIDE
17883HOSE, AIR CLEANER, NO.3
W/PRECLEANER
17883ACLAMP(FOR AIR CLEANER HOSE, NO.3)
W/PRECLEANER
W/PRECLEANER
17884HOSE, AIR CLEANER, NO.4
17884BBOX, AIR CLEANER, NO.1
17889BOX, AIR CLEANER HOSE, NO.2
COLD SPEC
9011906192
main90119-06192
9011908360
main90119-08360
9015950025
main90159-50025
9015960047
main90159-60047
9018305003
main90183-05003
9018305094
main90183-05094
9044622001
main90446-22001
9046708011
main90467-08011
9046806036
main90468-06036
9054009005
main90540-09005
9054114002
main90541-14002
9056006006
main90560-06006
9165160820
main91651-60820
9354624512
main93546-24512
9356055016
main93560-55016
26 parts on this diagram · 10 diagrams in section