E
EPC Data

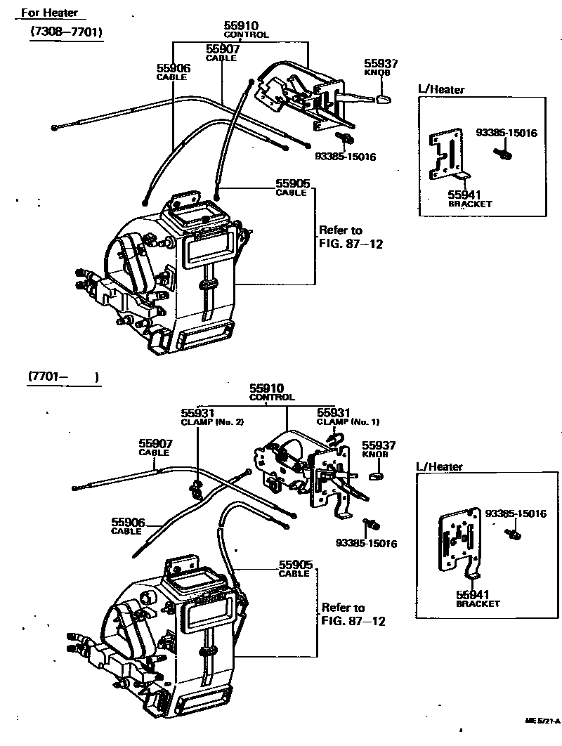
HEATING & AIR CONDITIONING - CONTROL & AIR DUCT

Parts diagram
55905CABLE SUB-ASSY, DEFROST CONTROL
main55905-20090i197308-197311
HEATER
main55905-20091i197509-197701
HEATER
main55905-20110i197308-197701
BOOST VENTILATOR
main55906-20071i197509-197701
HEATER
main55906-20072i197701-197905
HEATER
main55906-20080i197701-197905
BOOST VENTILATOR
main87293-20290i197308-197701
main87293-20291i197701-197905
HEATER
main87293-20300i197701-197808
BOOST VENTILATOR
55906CABLE SUB-ASSY, HEATER CONTROL
main55906-20070i197308-197405
HEATER
main55906-20071i197405-197701
HEATER
main55907-20071i197701-197905
HEATER
main87293-20290i197308-197701
HEATER
main87293-20300i197701-197905
HEATER
55907CABLE SUB-ASSY, HEATER AIR INLET BUTTERFLY
main55907-20070i197407-197701
BOOST VENTILATOR
main55908-20030i197701-197905
55910CONTROL ASSY, HEATER OR BOOST VENTILATOR
main55910-20070i197308-197405
HEATER OR COOLER
main55910-20071i197405-197412
HEATER OR COOLER
main55910-20072i197412-197701
HEATER OR COOLER
main55910-20080i197308-197311
HEATER
main55910-20081i197311-197405
HEATER
main55910-20082i197405-197412
HEATER
main55910-20083i197412-197701
HEATER
main55910-20090i197308-197405
BOOST VENTILATOR
main55910-20091i197405-197412
BOOST VENTILATOR
main55910-20092i197412-197509
BOOST VENTILATOR
main55910-20100i197308-197405
BOOST VENTILATOR
main55910-20101i197405-197412
BOOST VENTILATOR
main55910-20102i197412-197701
BOOST VENTILATOR
main55910-20111i197509-197510
HEAVY DUTY HEATER
main55910-20112i197510-197701
HEAVY DUTY HEATER
main55910-20913i197701-197905
HEATER
main55910-20915i197701-197905
HEATER
main55910-20916i197701-197808
BOOST VENTILATOR
main55910-20917i197701-197905
BOOST VENTILATOR
55931CLAMP, HEATER CONTROL WIRE
main55933-14010i197701-197905
NO.1
main55933-22020×2i197701-197905
NO.2
55937KNOB, HEATER CONTROL LEVER
main55887-20020×2i197308-197412
main55905-20120×3i197701-197711
main55905-22050×3i197711-197905
main55925-20030×2i197412-197701
BOOST VENTILATOR
55941BRACKET, HEATER CONTROL
main55912-20070i197701-197808
L/HEATER & BOOST VENTILATOR
main55912-20080i197701-197905
L/HEATER & BOOST VENTILATOR
main55946-20010i197308-197509
L/HEATER & BOOST VENTILATOR
main55946-20020i197308-197509
L/HEATER & BOOST VENTILATOR
8712HEATING & AIR CONDITIONING - HEATER UNIT & BLOWER
9338515016

9 parts on this diagram · 8 diagrams in section

HEATING & AIR CONDITIONING - CONTROL & AIR DUCT — Toyota Parts Diagram with OEM Numbers & Prices | EPC Data