E
EPC Data

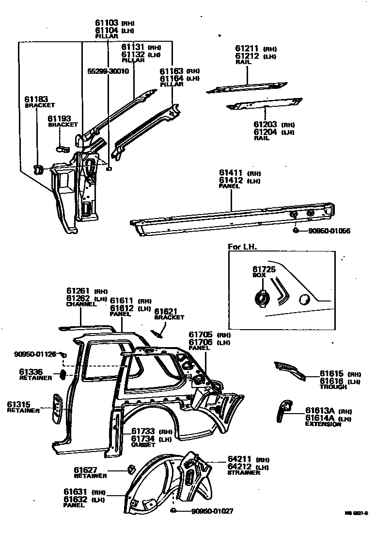
SIDE MEMBER

Parts diagram
61103PILLAR SUB-ASSY, FRONT BODY, RH
main61103-20100i197509-197701
main61103-20120i197408-197610
main61103-20130i197408-197510
main61103-20170i197509-197701
main61103-20290i197407-197701
main61103-20300i197610-197701
main61103-20905i197701-197905
main61103-20906i197701-197905
main61103-95508i197701-197808
main61103-95509i197701-197808
61104PILLAR SUB-ASSY, FRONT BODY, LH
main61104-20100i197310-197509
main61104-20120i197308-197701
main61104-20130i197308-197701
main61104-20200i197308-197310
main61104-20210i197308-197509
main61104-20220i197509-197701
main61104-20230i197407-197701
main61104-20905i197701-197905
main61104-20906i197701-197905
main61104-95502i197701-197808
main61104-95507i197701-197808
61131PILLAR, FRONT BODY, UPPER OUTER RH
main61131-20100i197308-197808
main61131-20120i197308-197905
61132PILLAR, FRONT BODY, UPPER OUTER LH
main61132-20080i197308-197808
main61132-20100i197308-197808
61163PILLAR, FRONT BODY, INNER RH
main61161-20050i197308-197509
main61161-20060i197308-197905
main61161-20070i197509-197701
main61161-95501i197701-197808
61164PILLAR, FRONT BODY, INNER LH
main61162-20050i197701-197808
main61162-20060i197308-197905
main61162-20070i197308-197509
main61162-95501i197701-197808
61183BRACKET, INSTRUMENT PANEL SIDE
main61035-20010×2i197308-197701
RH.
main61036-20010×2i197308-197701
LH.
main61157-20011×2i197701-197702
UPPER
main61157-20012i197702-197905
UPPER
main61165-20031×2i197701-197905
LOWER RH.
main61166-20031×2i197701-197905
LOWER LH.
61193BRACKET,COMPUTER TO COWL SIDE, NO.3
main61143-20050×2i197308-197701
LH.
main61143-20060×2i197308-197701
RH.
main61191-20010×2i197701-197905
UPPER
main61192-20010×2i197701-197905
CENTER
main61193-20010i197701-197905
LOWER
61203RAIL SUB-ASSY, ROOF SIDE, INNER RH
main61231-20060i197509-197512
main61231-20070i197308-197509
main61231-20080i197308-197411
main61231-20090i197509-197512
main61231-20100i197509-197905
main61231-21010i197308-197502
main61231-21020i197502-197905
61204RAIL SUB-ASSY, ROOF SIDE, INNER LH
main61232-20060i197308-197509
main61232-20070i197308-197509
main61232-20080i197308-197411
main61232-20090i197509-197512
main61232-20100i197509-197905
main61232-21010i197308-197905
61211RAIL, ROOF SIDE, OUTER RH
main61211-20060i197308-197808
main61211-20070i197308-197402
main61211-20080i197308-197402
main61211-20901i197402-197905
main61211-20902i197402-197411
main61211-21010i197308-197905
61212RAIL, ROOF SIDE, OUTER LH
main61212-20060i197308-197808
main61212-20070i197308-197402
main61212-20080i197308-197402
main61212-20901i197402-197905
main61212-20902i197402-197411
main61212-21010i197308-197905
61261CHANNEL, ROOF DRIP, RH
main61261-20050i197308-197411
main61261-21010i197308-197905
61262CHANNEL, ROOF DRIP, LH
main61262-20050i197308-197411
main61262-21010i197308-197905
61315RETAINER, DOOR LOCK STRIKER PLATE
main61308-20020i197308-197411
RH.
main61309-20010×2i197308-197905
main61309-20020i197308-197411
LH.
main61623-20020×2i197308-197808
61336RETAINER, QUARTER WINDOW HINGE
main61336-20030×4i197308-197408
61411PANEL, ROCKER, OUTER RH
main61401-20070i197308-197411
main61401-95503i197701-197808
main61411-20120i197308-197402
main61411-20140i197610-197701
main61411-20902i197608-197701
61412PANEL, ROCKER, OUTER LH
main61402-20070i197308-197411
main61402-95503i197701-197808
main61412-20120i197308-197402
main61412-20140i197608-197610
main61412-20902i197608-197701
61611PANEL, QUARTER, RH
main61611-20220i197308-197406
main61611-20221i197406-197701
main61611-20222i197701-197905
main61611-20250i197308-197408
main61611-20251i197408-197411
main61611-20902i197308-197808
main61611-21010i197308-197905
61612PANEL, QUARTER, LH
main61612-20220i197308-197406
main61612-20221i197406-197701
main61612-20222i197701-197905
main61612-20250i197308-197408
main61612-20251i197408-197411
main61612-20902i197308-197808
main61612-21010i197308-197905
61613AEXTENSION, QUARTER PANEL REAR, RH
main61613-20050i197308-197701
main61613-20051i197701-197905
main61621-21010i197308-197905
main61627-20010i197308-197701
main61627-95500i197701-197808
61614AEXTENSION, QUARTER PANEL, REAR LH
main61614-20050i197701-197905
main61622-21010i197308-197905
main61628-20010i197308-197701
main61628-95500i197701-197808
61615TROUGH, LUGGAGE COMPARTMENT OPENING, RH
main61615-20050i197308-197808
main61615-20060i197308-197701
main61621-20010i197701-197905
61616TROUGH, LUGGAGE COMPARTMENT OPENING, LH
main61616-20050i197308-197808
main61616-20060i197308-197701
main61622-20010i197701-197808
61621BRACKET, ROOF SIDE VENT LOUVER
main61617-20040i197308-197601
RH.
main61617-20041i197601-197905
RH.
main61618-20030i197308-197601
LH.
main61618-20031i197601-197905
LH.
61627RETAINER, QUARTER TRIM, LOWER
main61647-14010×4i197308-197411
61631PANEL, QUARTER WHEEL HOUSE, RH
main61603-20901i197308-197701
main61603-20902i197701-197905
main61603-21010i197308-197701
main61603-21011i197701-197905
61632PANEL, QUARTER WHEEL HOUSE, LH
main61604-20901i197308-197701
main61604-20902i197701-197905
main61604-21010i197308-197701
main61604-21011i197701-197905
61705PANEL SUB-ASSY, ROOF SIDE, INNER RH
main61705-20050i197308-197404
main61705-20901i197308-197905
main61705-20902i197404-197408
main61705-20904i197408-197411
main61731-20050i197512-197701
main61731-20090i197509-197512
main61731-95501i197701-197808
61706PANEL SUB-ASSY, ROOF SIDE, INNER LH
main61706-20040i197308-197404
main61706-20901i197308-197905
main61706-20902i197404-197408
main61706-20904i197408-197411
main61732-20050i197512-197701
main61732-20090i197509-197512
main61732-95501i197701-197808
61725BOX, FUEL INLET
main61725-20010i197308-197406
main61725-20011i197406-197905
main61725-20020i197308-197411
main61725-21010i197308-197905
61733GUSSET, QUARTER, INNER RH
main61703-21010i197701-197905
FRONT
main61733-20030i197404-197411
main61733-21010i197308-197701
FRONT
main61735-21010i197308-197905
REAR
61734GUSSET, QUARTER, INNER LH
main61704-21010i197701-197905
FRONT
main61734-20030i197404-197411
main61734-21010i197308-197701
FRONT
main61736-21010i197308-197905
REAR
64211STRAINER, PACKAGE TRAY TO FLOOR, RH
main64211-20050i197308-197701
main64211-20060i197308-197905
main64211-95500i197701-197808
64212STRAINER, PACKAGE TRAY TO FLOOR, LH
main64212-20060i197308-197701
main64212-20070i197308-197905
main64212-95500i197701-197808
5529930010CAP, TEE NUT(FOR 6MM)
9095001027
9095001056
9095001126

39 parts on this diagram · 5 diagrams in section

SIDE MEMBER — Toyota Parts Diagram with OEM Numbers & Prices | EPC Data