E
EPC Data

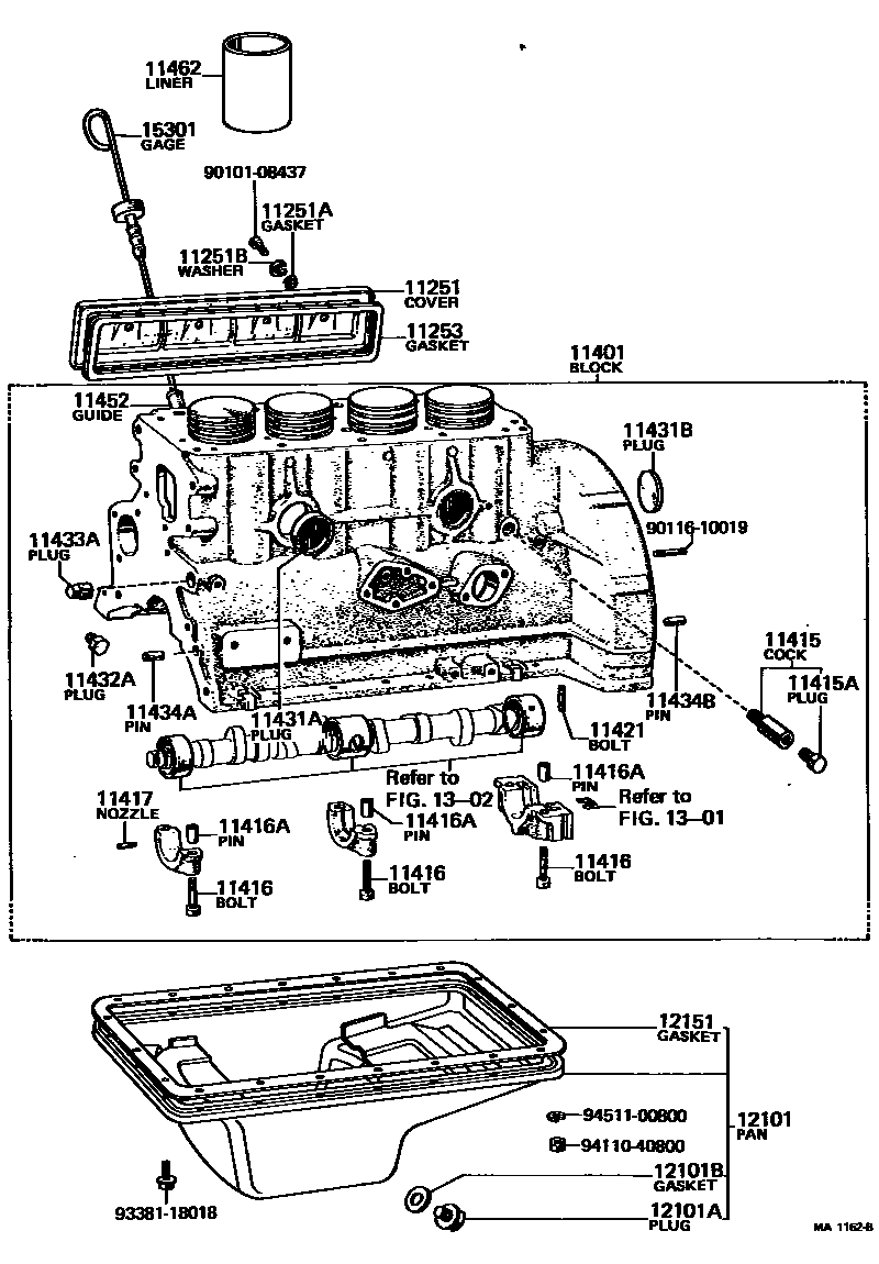
CYLINDER BLOCK

Parts diagram
11251COVER, VALVE PUSH ROD
main11203-31010i197511-197808
main11251-31010i197308-197511
11251AGASKET(FOR VALVE PUSH ROD COVER BOLT)
main90430-07121i197308-197808
11251BWASHER, SEAL(FOR VALVE PUSH ROD COVER BOLT)
main90210-08006i197308-197808
11253GASKET, VALVE PUSH ROD COVER
main11253-31010i197308-197802
main11253-31011i197802-197808
11401BLOCK SUB-ASSY, CYLINDER
main11401-39125i197308-197511
main11401-39126i197511-197808
main11401-39195i197308-197509
main11401-39196i197512-197701
main11401-39197i197701-197905
main11401-39205i197308-197509
main11401-39206i197509-197701
main11401-39207i197701-197905
11415COCK SUB-ASSY, WATER DRAIN(FOR CYLINDER BLOCK)
main96431-03833i197308-197905
11415APLUG, WATER DRAIN COCK(FOR CYLINDER BLOCK)
main96431-23814i197308-197905
11416BOLT(FOR CRANKSHAFT BEARING CAP SET)
main90910-02032i197308-197808
12-1.25PX62-21
main90910-02042i197308-197905
12-1.25PX75-25
11416APIN, RING(FOR CRANKSHAFT BEARING CAP SET)
main90253-15005i197308-197808
main90253-16014i197308-197905
11417NOZZLE, OIL
main90915-01002i197308-197808
11421BOLT, STUD(FOR OIL PAN)
main90116-08229i197308-197808
L=27,S=14&8
main92122-40814i197308-197905
L=26,S=12&12
11431APLUG, TIGHT, NO.1(FOR CYLINDER BLOCK)
main90331-45019i197308-197401
OD=45
main90331-50015i197308-197401
OD=50
main96411-44500i197401-197905
OD=45
main96411-45000i197401-197808
OD=50
11431BPLUG, TIGHT, NO.2(FOR CYLINDER BLOCK)
main90331-30013i197308-197401
OD=30
main90331-40024i197308-197401
OD=40
main96411-43000i197401-197808
OD=30
main96411-44000i197401-197905
OD=40
11432APLUG, W/HEAD TAPER SCREW, NO.1
main90341-32038i197308-197905
main90345-51025i197308-197808
11433APLUG, STRAIGHT, NO.1
main90344-53011i197308-197905
main90345-53030i197308-197808
11434APIN, STRAIGHT(FOR TIMING GEAR COVER SET)
main90250-10052i197308-197406
L=20,OD=10,L=20,OD=10
main90250-10192i197406-197808
L=22,OD=10,L=22,OD=10
main90253-11001i197308-197905
L=11,OD=11,L=11,OD=11
11434BPIN, STRAIGHT(FOR CLUTCH HOUSING SET)
main90250-10052i197308-197406
L=20,OD=10,L=20,OD=10
main90250-10192i197406-197808
L=22,OD=10,L=22,OD=10
main90253-17012i197308-197905
L=16,OD=17
11452GUIDE, OIL LEVEL GAGE
main11452-31010i197308-197808
main11452-40010i197308-197905
11462LINER, CYLINDER
main11462-31020i197308-197511
O/S 4.00
12101PAN SUB-ASSY, OIL
main12101-39085i197308-197503
main12101-39086i197503-197808
main12101-39095i197308-197511
main12101-39096i197511-197612
main12101-39097i197612-197905
12101APLUG(FOR OIL PAN DRAIN)
main90341-18089i197503-197905
main90341-25054i197308-197511
12101BGASKET(FOR OIL PAN DRAIN PLUG)
main90430-18244i197503-197905
main90430-25013i197308-197511
12151GASKET, OIL PAN
main12151-30010i197308-197808
main12151-33010i197308-197905
1301
1302
15301GAGE SUB-ASSY, OIL LEVEL
main15301-31040i197308-197808
main15301-33012i197308-197509
main15301-33013i197510-197905
9010108437
9011610019
9338118018
9411040800
9451100800

31 parts on this diagram · 3 diagrams in section

CYLINDER BLOCK — Toyota Parts Diagram with OEM Numbers & Prices | EPC Data