E
EPC Data

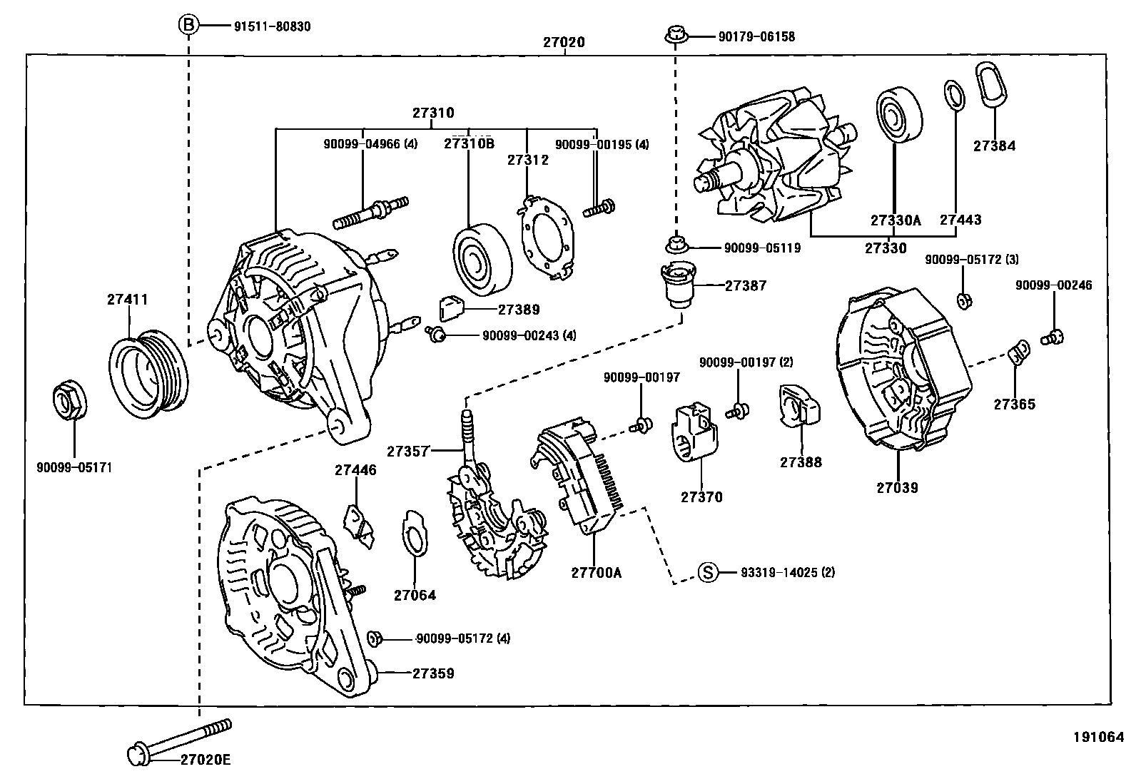
ALTERNATOR

Parts diagram
27020ALTERNATOR ASSY
main27060-22030i199908-200509
12V 80A
main27060-22210i200008-200509
12V 80A
27020EBOLT(FOR ALTERNATOR)
main90105-10075i199908-200509
main90105-10223i200008-200509
27039COVER, ALTERNATOR REAR END
main27039-22050i200101-200208
main27039-46190i199908-200101
27064SEAL, ALTERNATOR PLATE
main27064-42010i199908-200208
27310FRAME ASSY, DRIVE END, ALTERNATOR
main27310-22050i199908-200208
main27310-22100i200008-200208
27310BBEARING(FOR ALTERNATOR DRIVE END FRAME)
main90099-10219i199908-200208
27312PLATE, RETAINER
main27312-42010i199908-200208
27330ROTOR ASSY, ALTERNATOR
main27330-16390i199908-200509
27330ABEARING(FOR ALTERNATOR ROTOR)
main90099-10140i199908-200208
27357HOLDER, ALTERNATOR, W/RECTIFIER
main27357-22050i199908-200509
main27357-22200i200109-200509
27359FRAME, ALTERNATOR RECTIFIER END
main27359-22040i199908-200208
27365PLATE, TERMINAL
main27365-55080i199908-200208
27370HOLDER ASSY, ALTERNATOR BRUSH
main27370-75060i199908-200509
27384WASHER
main27384-50030i199908-200208
27387INSULATOR, TERMINAL
main27387-42021i199908-200208
27388COVER, ALTERNATOR BRUSH
main27388-42010i199908-200208
27389INSULATOR, TERMINAL
main27389-42010i199908-200208
27411PULLEY, ALTERNATOR
main27411-50050i199908-200509
27443COVER, ALTERNATOR BEARING
main27443-63020i199908-200208
27446CLIP, ALTERNATOR CORD
main27446-22040i199908-200208
27700AREGULATOR ASSY, GENERATOR
main27700-46060i199908-200509
9009900195
9009900197
9009900243
9009900246
9009904966
9009905119
9009905171
9009905172
9017906158
9151180830
9331914025

32 parts on this diagram · 2 diagrams in section

ALTERNATOR — Toyota Parts Diagram with OEM Numbers & Prices | EPC Data